Per Isidoro...Lo so, cercherò di rimediare a breve (dopo che svolgo i conti che mi da Renzo..)
Per Renzo.. Allora
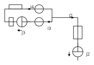
Non riesco a vedere bene, in quanto non ci sono le correnti...
provo comunque..
La KCL dice che la somma correnti in = somma correnti ..ma io non so come prendere queste correnti..
Elettrotecnica Ing. Chimica
Moderatori:
g.schgor,
IsidoroKZ
42 messaggi
• Pagina 2 di 5 • 1, 2, 3, 4, 5
0
voti
0
voti
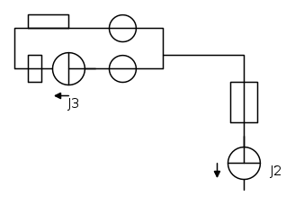
Antofilo ha scritto: Non riesco a vedere bene, in quanto non ci sono le correnti...ma io non so come prendere queste correnti..
Come vuoi, la scelta del verso e' una convenzione, per esempio, se la prendi come ho fatto io verso --> destra su Z4, detta corrente sara' pari a J2+J3.
"Il circuito ha sempre ragione" (Luigi Malesani)
0
voti
Antofilo ha scritto:[..]
LI bene o male sono riuscito a postare con il software richiesto..anche se lo riconosco non ho usato i simboli adatti. .
Abbastanza male direi.
Se in venti minuti hai scaricato il software che non conoscevi, l'hai usare per disegnare lo schema, hai letto le istruzioni del forum e capito come inserirlo, in altri venti saresti senz'altro riuscito a postare un circuito decente, con i simboli corretti. Qui nessuno ha fretta.
0
voti
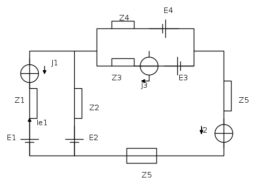
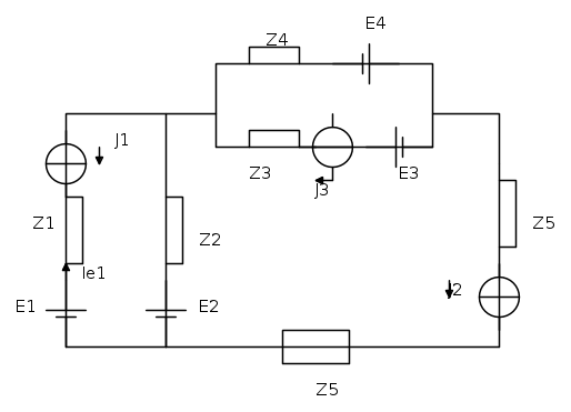
Ho cercato di riscrivere il circuito con i segni anche per i generatori di tensione (l'asta lunga per il +)
0
voti
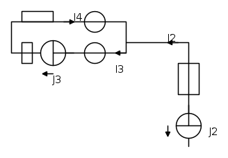
Ho aggiunto arbitrariamente le correnti ed i versi..Spero di non aver fatto un abominio..
ora posso scrivere per la LKC..
I2 + I4 = I3... I4 = I3 - I2..
quindi..
I = J3 - J2..
mi correggi?!?
0
voti
Prendere per i rami con generatori di corrente i versi contrari a quelli imposti dai generatori e' pura pazzia
... ad ogni modo si puo' fare, ma con tal scelta
I2=-J2
BTW se non cominci a migliorare i tuoi disegni ti metto un punto negativo
... non so se te ne sei accorto ma ci sono anche delle librerie di simboli gia' pronti all'uso 
I2=-J2
BTW se non cominci a migliorare i tuoi disegni ti metto un punto negativo
"Il circuito ha sempre ragione" (Luigi Malesani)
0
voti
visto che
Antofilo ha indicato le polarità dei generatori di tensione, ci divertiamo con il teorema dell'idraulico.
molto eccessivo in questo caso, ma ha sempre il suo fascino
indico con V la tensione ai capi di Z4-E4:

quante cavolate ho scritto
RenzoDF 
molto eccessivo in questo caso, ma ha sempre il suo fascino
indico con V la tensione ai capi di Z4-E4:

quante cavolate ho scritto
0
voti
Ho cambiato verso, come giustamente da te indicato..quindi..
I = J3 + J2..
Per quanto concerne i simboli, non mi crederete..ma non trovo quelli che mi servono..Ricordate che non sono avezzo per niente di elettrotecnica..cercherò subito di migliorare...
Riepilogando..
Potenza complessa...A = V * I*
ma essendo l'impendenza solo resistiva..si può usare P = V * (I)^2..
Abbiamo ricavato la corrente...bisogna ricavare la tensione...
Posso indovinare...bisogna usare l'equazione di Maglia'!?.
PS....Se ho difficoltà col teorema di Thevenin..figuriamoci se avevo mai sentito parlare dell'idraulico!?!?
0
voti
e ci risiamo
sono in serie ai generatori di corrente.
hai ragione, mea culpa.
era una piccola parentesi... per il procedimento classico comunque ti è stato detto tutto
rileggi questi passi, c'è qualcosa che non va...
sono in serie ai generatori di corrente.
Antofilo ha scritto:PS....Se ho difficoltà col teorema di Thevenin..figuriamoci se avevo mai sentito parlare dell'idraulico!?!?
hai ragione, mea culpa.
era una piccola parentesi... per il procedimento classico comunque ti è stato detto tutto
Antofilo ha scritto:ma essendo l'impendenza solo resistiva..si può usare P = V * (I)^2..
Abbiamo ricavato la corrente...bisogna ricavare la tensione...
Posso indovinare...bisogna usare l'equazione di Maglia'!?.
rileggi questi passi, c'è qualcosa che non va...
42 messaggi
• Pagina 2 di 5 • 1, 2, 3, 4, 5
Torna a Elettrotecnica generale
Chi c’è in linea
Visitano il forum: Nessuno e 50 ospiti

Elettrotecnica e non solo (admin)
Un gatto tra gli elettroni (IsidoroKZ)
Esperienza e simulazioni (g.schgor)
Moleskine di un idraulico (RenzoDF)
Il Blog di ElectroYou (webmaster)
Idee microcontrollate (TardoFreak)
PICcoli grandi PICMicro (Paolino)
Il blog elettrico di carloc (carloc)
DirtEYblooog (dirtydeeds)
Di tutto... un po' (jordan20)
AK47 (lillo)
Esperienze elettroniche (marco438)
Telecomunicazioni musicali (clavicordo)
Automazione ed Elettronica (gustavo)
Direttive per la sicurezza (ErnestoCappelletti)
EYnfo dall'Alaska (mir)
Apriamo il quadro! (attilio)
H7-25 (asdf)
Passione Elettrica (massimob)
Elettroni a spasso (guidob)
Bloguerra (guerra)









