Cos'è ElectroYou | Login Iscriviti

ElectroYou - la comunità dei professionisti del mondo elettrico

Elettrotecnica Ing. Chimica (4)

Circuiti, campi elettromagnetici e teoria delle linee di trasmissione e distribuzione dell’energia elettrica

Moderatori: Foto Utenteg.schgor, Foto UtenteIsidoroKZ

0
voti

[11] Re: Elettrotecnica Ing. Chimica (4)

Messaggioda Foto UtenteAntofilo » 21 gen 2012, 1:00

RenzoDF ha scritto:
Antofilo ha scritto:... non capisco Renzo come hau fatto a scrivere quella equaziine, cioe dire che IE1 sia uguale a -I4.


Cosi'



si vede anche come ricavarla, grazie all'uguaglianza E4=E5

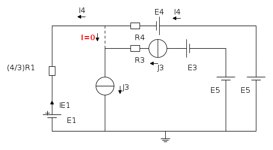
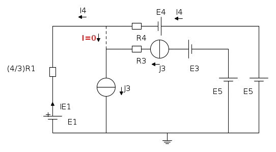
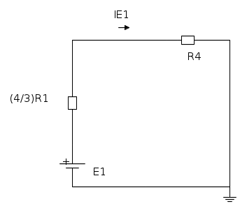
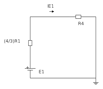
I_{E1}=-I_{4}=\frac{E_{1}}{\frac{4R_{1}}{3}+R_{4}}


io non riesco a vedere la soluzione..se mi aiuti passo passo, facendomi capire come sei arrivato a cambiare il circuito ti ringrazierei molto
Avatar utente
Foto UtenteAntofilo
27 4
New entry
New entry
 
Messaggi: 67
Iscritto il: 19 gen 2012, 17:39

1
voti

[12] Re: Elettrotecnica Ing. Chimica (4)

Messaggioda Foto Utentelillo » 21 gen 2012, 11:20

E' il motivo della domanda di Foto UtenteEdmondDantes
Se correggi per bene l'equazione al nodo A capiresti il perché di quella trasformazione:
Una LKC ci dice che la somma algebrica delle correnti in un nodo è nulla, tradotta anche come: la somma delle correnti entranti è uguale alla somma di quelle uscenti:
Quindi se osservi il nodo A:

I_{e1}+I_4+J_3=J_3\; \to \; I_{e1}=-I_4
Inoltre il generatore ideale E5 impone la stessa tensione sul negativo di E3 e sul positivo di E4.
La resistenza R5 è stata omessa in quanto costituisce una maglia indipendente dal circuito e non utile ai fini della risoluzione.
Tutte queste considerazioni portano a disegnare il circuito che RenzoDF ti ha postato.
Ancora: Come già detto, li vedi in che posizione si trovano E4 e E5 :?:
E' come se annullassero i loro contributi (stesso valore di tensione, ma opposti).
Alla fine che ci resta?

.....
Prima di iniziare con nuovi esercizi, non è meglio terminare quelli cominciati :?:
Avatar utente
Foto Utentelillo
20,5k 7 12 13
G.Master EY
G.Master EY
 
Messaggi: 4172
Iscritto il: 25 nov 2010, 11:30
Località: Nuovo Mondo

0
voti

[13] Re: Elettrotecnica Ing. Chimica (4)

Messaggioda Foto UtenteAntofilo » 21 gen 2012, 12:28

Ma sullo stesso ramo (quelllo in verticale) nel quale c'è J3 vi è pure il generatore di corrente J2. perché non ne teniamo conto?
Avatar utente
Foto UtenteAntofilo
27 4
New entry
New entry
 
Messaggi: 67
Iscritto il: 19 gen 2012, 17:39

0
voti

[14] Re: Elettrotecnica Ing. Chimica (4)

Messaggioda Foto UtenteLele_u_biddrazzu » 21 gen 2012, 12:41

Perché erogano la stessa corrente (non potrebbe essere altrimenti dato che sono posti in serie)...
Avatar utente
Foto UtenteLele_u_biddrazzu
8.154 3 8 13
Master EY
Master EY
 
Messaggi: 1288
Iscritto il: 23 gen 2007, 16:13
Località: Modena

0
voti

[15] Re: Elettrotecnica Ing. Chimica (4)

Messaggioda Foto UtenteEdmondDantes » 21 gen 2012, 12:47

Prima di affrontare gli esercizi, bisogna studiare!

In generale, il collegamento in serie di n generatori di corrente viola la LKC. Per collegare due o più generatori di corrente in serie, la LKC richiede che J1=J2= ··· Jn = I
Considerando questo vincolo fisico, il collegamento serie di n generatori di corrente è equivalente ad un unico generatore di corrente I.
Il Conte di Montecristo

Se non studio un giorno, me ne accorgo io. Se non studio due giorni, se ne accorge il pubblico.

Io devo studiare sodo e preparare me stesso perché prima o poi verrà il mio momento.
Abraham Lincoln
Avatar utente
Foto UtenteEdmondDantes
11,9k 8 11 13
Disattivato su sua richiesta
 
Messaggi: 3619
Iscritto il: 25 lug 2009, 22:18
Località: Marsiglia

Precedente

Torna a Elettrotecnica generale

Chi c’è in linea

Visitano il forum: Nessuno e 71 ospiti