questa rete la sapresti risolvere
Esercizio condensatori
Moderatori:
g.schgor,
IsidoroKZ
16 messaggi
• Pagina 2 di 2 • 1, 2
0
voti
Si.
io pensavo di risolverlo così:
trovo la Qt (carica totale) e poi usavo il partitore di carica per trovarne le singole, poi dopo è semplice trovare la V1/V2/V3. e successivamente trovavo le w
W= 1/2 C V^2
Ma il fatto è che non avendo nessuna tensione V, non so come trovare la Carica.
io pensavo di risolverlo così:
trovo la Qt (carica totale) e poi usavo il partitore di carica per trovarne le singole, poi dopo è semplice trovare la V1/V2/V3. e successivamente trovavo le w
W= 1/2 C V^2
Ma il fatto è che non avendo nessuna tensione V, non so come trovare la Carica.
0
voti
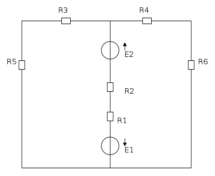
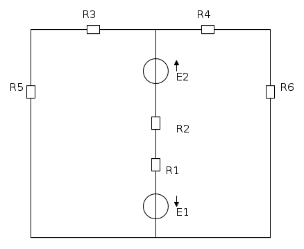
allora devi risolvere quella rete e trovare tensioni in figura:
questo è il caso con T aperto.
questo è il caso con T aperto.
0
voti
Scusa la mia grossa ingenuità ma,
posso calcolare la V nel ramo dei generatori con Millman e poi come trovo la I nel ramo dei due generatori?
Successivamente trovo le altre I avendo la V trovata con Millman e per trovare le tensioni uso la legge di Ohm generalizzata.
Grazie ancora e scusate ma sono un primino delle superiori e per me questa è roba nuovissima!
posso calcolare la V nel ramo dei generatori con Millman e poi come trovo la I nel ramo dei due generatori?
Successivamente trovo le altre I avendo la V trovata con Millman e per trovare le tensioni uso la legge di Ohm generalizzata.
Grazie ancora e scusate ma sono un primino delle superiori e per me questa è roba nuovissima!
2
voti
Ciao, le hai studiate le leggi di Kirchhoff?
Se no è pure inutile star qui a spiegarti.
Se facciamo nel modo che hai scelto, una volta trovato con Millman la
puoi fare tante cose.
Ti puoi trovare la corrente che passa nei 2 rami laterali e poi tramite la legge ai nodi applicata al nodo A, ricavarti la corrente nel ramo centrale.
Oppure altro modo per ricavarti la corrente nel ramo centrale è applicare la legge alle maglie di Kirchhoff al ramo centrale; ti scegli un verso di percorrenza e scrivi l'equazione delle tensioni tra la
ed il ramo centrale dei generatori.

Una volta che hai tutte le correnti per ricavare la
applichi sempre la legge di Kirchhoff alle tensioni nella maglia che comprende
scegliendo sempre un verso di percorrenza della maglia arbitrario.
Se no è pure inutile star qui a spiegarti.
Se facciamo nel modo che hai scelto, una volta trovato con Millman la
puoi fare tante cose.Ti puoi trovare la corrente che passa nei 2 rami laterali e poi tramite la legge ai nodi applicata al nodo A, ricavarti la corrente nel ramo centrale.
Oppure altro modo per ricavarti la corrente nel ramo centrale è applicare la legge alle maglie di Kirchhoff al ramo centrale; ti scegli un verso di percorrenza e scrivi l'equazione delle tensioni tra la
ed il ramo centrale dei generatori.
Una volta che hai tutte le correnti per ricavare la
applichi sempre la legge di Kirchhoff alle tensioni nella maglia che comprende
scegliendo sempre un verso di percorrenza della maglia arbitrario.0
voti
Grazie mille etec83 e in generale grazie a tutti quelli che hanno risposto, sono riuscito a fare tutto e pure a fare una bella figura oggi a scuola. 
16 messaggi
• Pagina 2 di 2 • 1, 2
Torna a Elettrotecnica generale
Chi c’è in linea
Visitano il forum: Nessuno e 31 ospiti

Elettrotecnica e non solo (admin)
Un gatto tra gli elettroni (IsidoroKZ)
Esperienza e simulazioni (g.schgor)
Moleskine di un idraulico (RenzoDF)
Il Blog di ElectroYou (webmaster)
Idee microcontrollate (TardoFreak)
PICcoli grandi PICMicro (Paolino)
Il blog elettrico di carloc (carloc)
DirtEYblooog (dirtydeeds)
Di tutto... un po' (jordan20)
AK47 (lillo)
Esperienze elettroniche (marco438)
Telecomunicazioni musicali (clavicordo)
Automazione ed Elettronica (gustavo)
Direttive per la sicurezza (ErnestoCappelletti)
EYnfo dall'Alaska (mir)
Apriamo il quadro! (attilio)
H7-25 (asdf)
Passione Elettrica (massimob)
Elettroni a spasso (guidob)
Bloguerra (guerra)






