Esercizio con il Teorema di Thevenin
Moderatori:
g.schgor,
IsidoroKZ
17 messaggi
• Pagina 2 di 2 • 1, 2
1
voti
Si chiama "formula del partitore di tensione" e la trovi spiegata in qualsiasi testo di elettrotecnica... 
Emanuele Lorina
- Chi lotta contro i mostri deve fare attenzione a non diventare lui stesso un mostro. E se tu riguarderai a lungo in un abisso, anche l'abisso vorrà guardare dentro di te (F. Nietzsche)
- Tavole della legge by admin
- Chi lotta contro i mostri deve fare attenzione a non diventare lui stesso un mostro. E se tu riguarderai a lungo in un abisso, anche l'abisso vorrà guardare dentro di te (F. Nietzsche)
- Tavole della legge by admin
-

Lele_u_biddrazzu
8.154 3 8 13 - Master EY

- Messaggi: 1288
- Iscritto il: 23 gen 2007, 16:13
- Località: Modena
2
voti
Lele_u_biddrazzu ha scritto:Si chiama "formula del partitore di tensione" e la trovi spiegata in qualsiasi testo di elettrotecnica...
Esatto,
@
come quella, del resto, che era presente al post [3] :
che puoi intendere, per "facilità di pensiero", come segue :
o meglio ancora, semplificando ulteriormente, così :
Come dice la denominazione stessa, il partitore di tensione serve a ripartire una tensione ai capi delle due resistenze,
e
nel caso specifico, in due tensioni che chiameremo una
e l'altra
che è proprio la
:La formula del partitore di tensione deriva dalla scrittura della Legge di Ohm e delle Leggi di Kirchhoff.
Scriviamo quest'utlima considerando la maglia unica del nostro circuito :


A quest'ultima espressione sostituiamo la legge di Ohm :

ricavi la corrente
:
Per ottenere la tensione
che è poi la tensione di Thevenin devi solo moltiplicare :
Spero di non aver scritto bestialità o grosse imperfezioni.
0
voti
ringrazio tutti quanti:) siete stati molto gentili:) di nuovo grazie:)
1
voti
ottima la spiegazione di Lele_u_biddrazzu sul partitore di tensione
-

francesco51
208 3 - Messaggi: 43
- Iscritto il: 24 mag 2012, 19:49
1
voti
Emanuele Lorina
- Chi lotta contro i mostri deve fare attenzione a non diventare lui stesso un mostro. E se tu riguarderai a lungo in un abisso, anche l'abisso vorrà guardare dentro di te (F. Nietzsche)
- Tavole della legge by admin
- Chi lotta contro i mostri deve fare attenzione a non diventare lui stesso un mostro. E se tu riguarderai a lungo in un abisso, anche l'abisso vorrà guardare dentro di te (F. Nietzsche)
- Tavole della legge by admin
-

Lele_u_biddrazzu
8.154 3 8 13 - Master EY

- Messaggi: 1288
- Iscritto il: 23 gen 2007, 16:13
- Località: Modena
2
voti
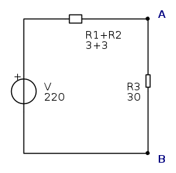
Calcoliamo la tensione ai capi della
con il partitore di tensione
Per la legge di Ohm si ha:

Per la legge di Kirchoff per le tensioni si ha:

In questo caso, trattandosi di resistenze in serie, si ha:

Per cui otteniamo:

da cui ricaviamo la corrente:

Otteniamo in fine la tensione ai capi della
che vale:

con il partitore di tensionePer la legge di Ohm si ha:

Per la legge di Kirchoff per le tensioni si ha:

In questo caso, trattandosi di resistenze in serie, si ha:

Per cui otteniamo:

da cui ricaviamo la corrente:

Otteniamo in fine la tensione ai capi della
che vale:
⋮ƎlectroYou e ne sai di più!
17 messaggi
• Pagina 2 di 2 • 1, 2
Torna a Elettrotecnica generale
Chi c’è in linea
Visitano il forum: Nessuno e 154 ospiti

Elettrotecnica e non solo (admin)
Un gatto tra gli elettroni (IsidoroKZ)
Esperienza e simulazioni (g.schgor)
Moleskine di un idraulico (RenzoDF)
Il Blog di ElectroYou (webmaster)
Idee microcontrollate (TardoFreak)
PICcoli grandi PICMicro (Paolino)
Il blog elettrico di carloc (carloc)
DirtEYblooog (dirtydeeds)
Di tutto... un po' (jordan20)
AK47 (lillo)
Esperienze elettroniche (marco438)
Telecomunicazioni musicali (clavicordo)
Automazione ed Elettronica (gustavo)
Direttive per la sicurezza (ErnestoCappelletti)
EYnfo dall'Alaska (mir)
Apriamo il quadro! (attilio)
H7-25 (asdf)
Passione Elettrica (massimob)
Elettroni a spasso (guidob)
Bloguerra (guerra)










