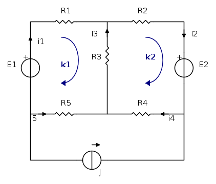
ildoghy ha scritto:... per la maglia inferiore scriverei la stessa equazione come per le altre due ritenendo nota la corrente di magliae incognita la caduta di tensione sul generatore di corrente.
Perche mai? ... l'equazione alla maglia inferiore non serve; se poi servisse conoscere la d.d.p. ai morsetti del GIC si farà successivamente una mezza KVL.

Elettrotecnica e non solo (admin)
Un gatto tra gli elettroni (IsidoroKZ)
Esperienza e simulazioni (g.schgor)
Moleskine di un idraulico (RenzoDF)
Il Blog di ElectroYou (webmaster)
Idee microcontrollate (TardoFreak)
PICcoli grandi PICMicro (Paolino)
Il blog elettrico di carloc (carloc)
DirtEYblooog (dirtydeeds)
Di tutto... un po' (jordan20)
AK47 (lillo)
Esperienze elettroniche (marco438)
Telecomunicazioni musicali (clavicordo)
Automazione ed Elettronica (gustavo)
Direttive per la sicurezza (ErnestoCappelletti)
EYnfo dall'Alaska (mir)
Apriamo il quadro! (attilio)
H7-25 (asdf)
Passione Elettrica (massimob)
Elettroni a spasso (guidob)
Bloguerra (guerra)
e incognita la caduta di tensione sul generatore di corrente.















e
.

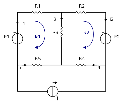
![\[\left\{ \begin{array}{l}
+ {E_1} - {R_1}{k_1} - {R_3}({k_1} - {k_2}) - {R_5}({k_1} + J) = 0 \\
- {E_2} - {R_4}({k_2} + J) - {R_3}({k_2} - {k_1}) - {R_2}{k_2} = 0 \\
\end{array} \right.\] \[\left\{ \begin{array}{l}
+ {E_1} - {R_1}{k_1} - {R_3}({k_1} - {k_2}) - {R_5}({k_1} + J) = 0 \\
- {E_2} - {R_4}({k_2} + J) - {R_3}({k_2} - {k_1}) - {R_2}{k_2} = 0 \\
\end{array} \right.\]](/forum/latexrender/pictures/d0019363411009751708509675e5c88d.png)






