Preparatevi! :P
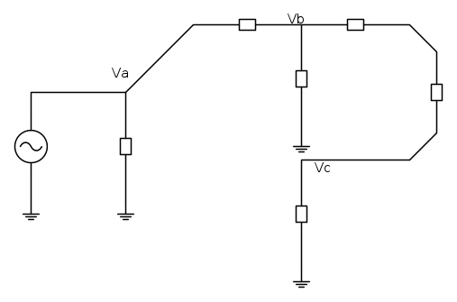
Dunque, ho suddiviso il problema in 4 parti, 1 anello chiuso e 3 anelli aperti
L'utilizzo dell'anello chiuso dev'essere fatto quindi soltanto per dare ridondanza all'alimentazione dei capannoni
Ovvero in caso di guasto, la corrente mi arriva da un altro cavo (garantendo un minimo di continuità di servizio)
Il procedimento generale è il seguente:
1) Cerco la corrente minima che andrà a circolare sul cavo
2) In base a quella corrente determino quindi la sezione minima che dovrà avere il cavo (e di conseguenza la sua impedenza)
3) In base al valore di impedenza ottenuto, calcolo la corrente circolante sul cavo
4) Calcolo la caduta di potenziale ai capi del cavo e di conseguenza il potenziale ai capi del carico
5) Se il potenziale ai capi del carico è minore del 96% di Va (100% - 4%) allora ripetere con una sezione più grossa
Ribadisco le variabili:




E le ipotesi:

Sistema trifase con carichi equilibrati
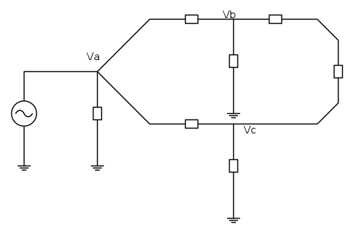
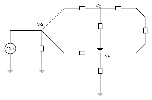
Caso 1: Cavo BC assente
cavo AB:
1) Se
allora 
2)
quindi 
3)
====> 
====>
(l'altra soluzione sarebbe di 6mila e rotti ampere, ma è inaccettabile)4)

5)
OKcavo AC
1) Se
allora 
2)
quindi 
3)
====> 
====> 
4)

5)
OKIn conclusione, nel caso 1:
quindi 
quindi 
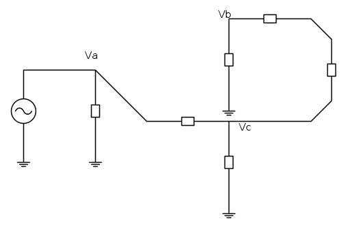
Caso 2: Cavo AC assente
cavo AB:
Tale e quale al caso 1
cavo BC
1 e 2 uguali al caso 1
3)
====> 
====> 
4)

5)
NON VA BENE!Aumento la sezione del cavo BC
2)
quindi 
3)
====> 
4)

5)
NON VA BENE!A questo punto provo ad aumentare le sezioni di tutti e due i cavi
2.AB)
quindi 
3.AB)
====> 
4.AB)

5.AB)
OK2.BC)
quindi 
3.BC)
====> 
4.BC)

5.BC)
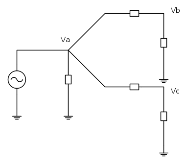
OKCaso 3: Cavo AB assente
cavo AC:


OKcavo BC:


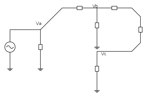
OKCaso 4: Anello chiuso


Si conclude quindi che tutti i cavi devono avere sezione di 95 mm²

Elettrotecnica e non solo (admin)
Un gatto tra gli elettroni (IsidoroKZ)
Esperienza e simulazioni (g.schgor)
Moleskine di un idraulico (RenzoDF)
Il Blog di ElectroYou (webmaster)
Idee microcontrollate (TardoFreak)
PICcoli grandi PICMicro (Paolino)
Il blog elettrico di carloc (carloc)
DirtEYblooog (dirtydeeds)
Di tutto... un po' (jordan20)
AK47 (lillo)
Esperienze elettroniche (marco438)
Telecomunicazioni musicali (clavicordo)
Automazione ed Elettronica (gustavo)
Direttive per la sicurezza (ErnestoCappelletti)
EYnfo dall'Alaska (mir)
Apriamo il quadro! (attilio)
H7-25 (asdf)
Passione Elettrica (massimob)
Elettroni a spasso (guidob)
Bloguerra (guerra)





.
devi aggiungere la corrente
che transita sullo stesso cavo per andare ad alimentare il carico C; nel caso tre invece quando calcoli la sezione del tratto AC devi considereare oltre ad 
(in questo caso)
