ma vediamo un po' secondo
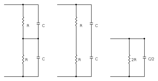
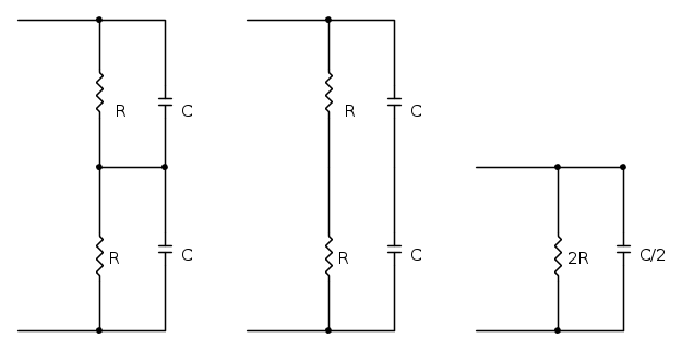
questi tre circuiti sono equivalenti... ci fai vedere perché?
Moderatori:
g.schgor,
IsidoroKZ
... ma non mi convinci 
, ottengo


rock85 ha scritto:[...]intanto essendo ogni condensatore in parallelo con un resistore, essi avranno la stessa tensione, cioè
rock85 ha scritto:posso studiare allora la maglia costituita dai soli resitori.
[...]
Torna a Elettrotecnica generale
Visitano il forum: Nessuno e 256 ospiti