potenza circuito con terna simmetrica inversa
Moderatori:
g.schgor,
IsidoroKZ
31 messaggi
• Pagina 2 di 4 • 1, 2, 3, 4
1
voti
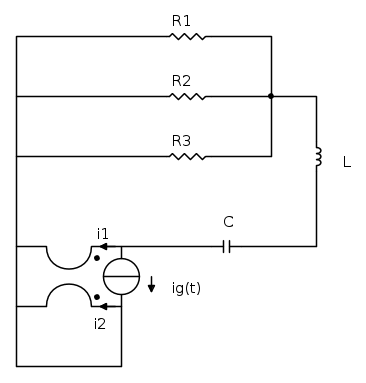
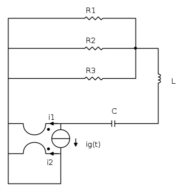
... e quella serie L C puoi eliminarla vista la pulsazione unitaria di tutti i generatori; le due reattanze sono in risonanza serie. 
Ora non ti rimane che calcolare le componenti parziali (usando sempre le stesse convenzioni) delle correnti dei quattro GIT e della tensione sul GIC nelle tre reti parziali e quindi calcolare il valore effettivo dalla loro somma fasoriale; fatto ciò userai per tutti la relazione notevole che permette di calcolare la potenza complessa dal prodotto fra fasore della tensione e coniugato del fasore della corrente

detta relazione varrà ovviamente se avrai usato per tutti i generatori la "convenzione dei generatori" e fasori a valore efficace; in caso contrario ci sarà da cambiare segno alla potenza e/o dividere per due, nel caso di uso di fasori a valore massimo.
Ora non ti rimane che calcolare le componenti parziali (usando sempre le stesse convenzioni) delle correnti dei quattro GIT e della tensione sul GIC nelle tre reti parziali e quindi calcolare il valore effettivo dalla loro somma fasoriale; fatto ciò userai per tutti la relazione notevole che permette di calcolare la potenza complessa dal prodotto fra fasore della tensione e coniugato del fasore della corrente

detta relazione varrà ovviamente se avrai usato per tutti i generatori la "convenzione dei generatori" e fasori a valore efficace; in caso contrario ci sarà da cambiare segno alla potenza e/o dividere per due, nel caso di uso di fasori a valore massimo.
"Il circuito ha sempre ragione" (Luigi Malesani)
0
voti
si infatti la potenza è solamente attiva
0
voti
rock85 ha scritto:si infatti la potenza è solamente attiva
Su questa affermazione non ci scommetterei.

BTW non vorrei sembrare insistente, ma ti consiglierei di passare al campo fasoriale; un bel diagramma fasoriale sarebbe auspicabile per capire bene come le varie componenti vanno a comporsi.
"Il circuito ha sempre ragione" (Luigi Malesani)
0
voti
Per caso hai dato un occhio a quello che ho fatto in precedenza?
1
voti
rock85 ha scritto:Per caso hai dato un occhio a quello che ho fatto in precedenza?
Si, le idee sono buone, sia per la prima rete (dove non hai però spiegato quel corto) e anche per la seconda; nella terza avevi fatto un errore (che poi hai mezzo corretto) ma non hai parlato della successiva variante con il corto su Vg, ma il vero problema è che non vedo ne riferimenti per le correnti sugli schemi, ne l'ombra di un fasore; senza riferimenti di verso per le correnti sui GIT e per le tensioni sui GIC come possiamo sommare gli effetti?
A voler fare tutto nel dominio del tempo mi sembra una pazzia e se non erro è proprio il testo che parla di potenza complessa, forse è un implicito consiglio, non pensi?
Ad ogni modo, se mi posti i valori di queste potenze complesse ti dico se son d'accordo o meno sui risultati.
"Il circuito ha sempre ragione" (Luigi Malesani)
0
voti
Nella prima rete il corto è dovuto al fatto che ho azzerato i generatori
e
, in particolare analizzando la parte col trasformatore si ha
per cui

inoltre

da qui il cortocircuito.
Nel terzo circuito, azzerando
, lo si considera un cortocircuito, ancora una volta


e quindi anche qui si può cortocircuitare la parte col trasformatore.
Per quanto riguarda i fasori li ho calcolati, ma poi qui non li ho scritti.
La potenza a me viene solo attiva, data la risonanza del circuito

e
, in particolare analizzando la parte col trasformatore si haper cui

inoltre

da qui il cortocircuito.
Nel terzo circuito, azzerando
, lo si considera un cortocircuito, ancora una volta

e quindi anche qui si può cortocircuitare la parte col trasformatore.
Per quanto riguarda i fasori li ho calcolati, ma poi qui non li ho scritti.
La potenza a me viene solo attiva, data la risonanza del circuito

0
voti
rock85 ha scritto:Nella prima rete il corto è dovuto al fatto che ho azzerato i generatorie
, ... per cui
![]()
OK, bastava dire che il corto al secondario è "visto" (o trasportabile) anche al primario.
rock85 ha scritto: ... Nel terzo circuito, azzerando, lo si considera un cortocircuito, ancora una volta
...
e quindi anche qui si può cortocircuitare la parte col trasformatore.
OK, ma quella Ig dove si chiude?
rock85 ha scritto: ... Per quanto riguarda i fasori li ho calcolati, ma poi qui non li ho scritti.
Bella questa ... segreto militare? ... o non volevi farmi copiare ?
rock85 ha scritto: ... La potenza a me viene solo attiva, data la risonanza del circuito ......
Vedo che purtroppo, come al solito, non sono riuscito a spiegarmi:
a) a quale potenza ti riferisci ?
b) ma non erano cinque le potenze complesse da calcolare?
"Il circuito ha sempre ragione" (Luigi Malesani)
0
voti
RenzoDF ha scritto:rock85 ha scritto: ... Nel terzo circuito, azzerando, lo si considera un cortocircuito, ancora una volta
...
e quindi anche qui si può cortocircuitare la parte col trasformatore.
OK, ma quella Ig dove si chiude?
scusami, in che senso dove si chiude?
RenzoDF ha scritto:rock85 ha scritto: ... Per quanto riguarda i fasori li ho calcolati, ma poi qui non li ho scritti.
Bella questa ... segreto militare? ... o non volevi farmi copiare ?![]()
Più che segreto militare attacco di pigrizia acuta!
Comunque per la potenza, ho sfruttato il teorema di Boucherot, e quindi ho calcolato le potenze complesse relative ai carichi, che corrispondono a quelle relative ai generatori.
in particolare la potenza attiva è data dal sistema trifase mentre quella reattiva è nulla.
Ho calcolato quindi la corrente che scorre in ogni ramo del trifase tramite la sovrapposizione degli effetti, cioè

dove questi termini sono fasori, cioè

ma
ha verso opposto a
, quindi il secondo termine diventa negativo, per cui
e quindi la potenza

sempre per il fatto che il circuito è in risonanza1
voti
Vedendo che ne ascolti i miei consigli ne rispondi alle mie domande, mi limito per ora ad aggiungere il diagramma fasoriale che ho disegnato sulla mia Moleskine, subito dopo aver letto il testo del problema; forse a qualche altro lettore può essere utile
per quanto riguarda i calcoli, partendo dai dati

possiamo ricavare le correnti "sovrapponendo" due reti; la prima (a) con e1,e2,e3 attivi, la seconda (b) con vg e ig., anche e solo da diagramma fasoriale

mentre i valori di corrente e tensione relativi al GIT ed al GIC inferiori

... seguiranno, a breve, le potenze.


controllo finale

per quanto riguarda i calcoli, partendo dai dati

possiamo ricavare le correnti "sovrapponendo" due reti; la prima (a) con e1,e2,e3 attivi, la seconda (b) con vg e ig., anche e solo da diagramma fasoriale

mentre i valori di corrente e tensione relativi al GIT ed al GIC inferiori

... seguiranno, a breve, le potenze.


controllo finale

"Il circuito ha sempre ragione" (Luigi Malesani)
31 messaggi
• Pagina 2 di 4 • 1, 2, 3, 4
Torna a Elettrotecnica generale
Chi c’è in linea
Visitano il forum: Nessuno e 50 ospiti

Elettrotecnica e non solo (admin)
Un gatto tra gli elettroni (IsidoroKZ)
Esperienza e simulazioni (g.schgor)
Moleskine di un idraulico (RenzoDF)
Il Blog di ElectroYou (webmaster)
Idee microcontrollate (TardoFreak)
PICcoli grandi PICMicro (Paolino)
Il blog elettrico di carloc (carloc)
DirtEYblooog (dirtydeeds)
Di tutto... un po' (jordan20)
AK47 (lillo)
Esperienze elettroniche (marco438)
Telecomunicazioni musicali (clavicordo)
Automazione ed Elettronica (gustavo)
Direttive per la sicurezza (ErnestoCappelletti)
EYnfo dall'Alaska (mir)
Apriamo il quadro! (attilio)
H7-25 (asdf)
Passione Elettrica (massimob)
Elettroni a spasso (guidob)
Bloguerra (guerra)





