Cos'è ElectroYou | Login Iscriviti

ElectroYou - la comunità dei professionisti del mondo elettrico

Esercizio circuito magnetico

Circuiti, campi elettromagnetici e teoria delle linee di trasmissione e distribuzione dell’energia elettrica

Moderatori: Foto Utenteg.schgor, Foto UtenteIsidoroKZ

1
voti

[11] Re: Esercizio circuito magnetico

Messaggioda Foto UtenteRenzoDF » 11 set 2012, 22:19

Gurdjeff ha scritto: ... Il ragionamento può andare? ...

Si, puoi fare anche così :ok:

... comunque risolverlo introducendo l'induttore magnetico mi piaceva di più!
... ed era molto più "originale"! :mrgreen:

BTW ricordati, per favore, di postare i calcoli risolutivi, per permettere a chi legge di vedere un thread completo ... qui si usa così. ;-)
"Il circuito ha sempre ragione" (Luigi Malesani)
Avatar utente
Foto UtenteRenzoDF
55,9k 8 12 13
G.Master EY
G.Master EY
 
Messaggi: 13189
Iscritto il: 4 ott 2008, 9:55

0
voti

[12] Re: Esercizio circuito magnetico

Messaggioda Foto UtenteGurdjeff » 11 set 2012, 22:41

sì certo... ci metterò un po' poiché devo imparare a usare latex prima...
Avatar utente
Foto UtenteGurdjeff
11 4
 
Messaggi: 31
Iscritto il: 24 ago 2011, 19:18

0
voti

[13] Re: Esercizio circuito magnetico

Messaggioda Foto UtenteGurdjeff » 14 set 2012, 11:22

Ci ho provato ma i risultati ahimè sono completamente sballati



Per prima cosa, si calcola la tensione di Thevenin vista dal resistore( l'induttore 3 è a vuoto elettrico --> c.to c.to magnetico)

φ3= [(Ms2 - Ms1)*Is]/(R1+R2+R3) = ( -4π)/(3*10^4)

Vth = jωN3*φ3 = (-j*8π)/3


Ora passiamo alla impedenza di Thevenin vista dal resistore. Si calcola quindi la riluttanza equivalente della rete vista dall'induttore:



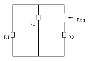
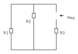
Req=R1//R2 +R3 = (11*10^6)/(16π)

Leq= N3^2/Req

Zth=jXeq=jωLeq = (64π)/11


Dopodichè si risolve :



Vr= (Vth*R) / (Zth+R) = RISULTATO SBAGLIATO
Avatar utente
Foto UtenteGurdjeff
11 4
 
Messaggi: 31
Iscritto il: 24 ago 2011, 19:18

1
voti

[14] Re: Esercizio circuito magnetico

Messaggioda Foto UtenteRenzoDF » 14 set 2012, 12:48

Gurdjeff ha scritto:... Per prima cosa, si calcola la tensione di Thevenin vista dal resistore( l'induttore 3 è a vuoto elettrico --> c.to c.to magnetico)

φ3= [(Ms2 - Ms1)*Is]/(R1+R2+R3)


Questa relazione da dove arriva?
"Il circuito ha sempre ragione" (Luigi Malesani)
Avatar utente
Foto UtenteRenzoDF
55,9k 8 12 13
G.Master EY
G.Master EY
 
Messaggi: 13189
Iscritto il: 4 ott 2008, 9:55

0
voti

[15] Re: Esercizio circuito magnetico

Messaggioda Foto UtenteGurdjeff » 14 set 2012, 12:50

Ops scusami quella Is non so come ci è finita... ad ogni modo il calcoloè stato fatto senza...

era (Ns2-Ns1)*Is

comunque sia è sbagliato è vero... un attimo che correggo

dovrebbe essere: [ (Ms2-Ms1)/R1+R2 ] * [G3/(G3+G12)] = -4π/(3*10^4)
dove G è la permeanza
Ultima modifica di Foto UtenteGurdjeff il 14 set 2012, 13:16, modificato 9 volte in totale.
Avatar utente
Foto UtenteGurdjeff
11 4
 
Messaggi: 31
Iscritto il: 24 ago 2011, 19:18

1
voti

[16] Re: Esercizio circuito magnetico

Messaggioda Foto UtenteRenzoDF » 14 set 2012, 12:51

Gurdjeff ha scritto:Ops scusami quella Is non so come ci è finita... ad ogni modo il calcoloè stato fatto senza...

era (Ns2-Ns1)*Is


Non mi riferivo alla sola presenza della Is.
"Il circuito ha sempre ragione" (Luigi Malesani)
Avatar utente
Foto UtenteRenzoDF
55,9k 8 12 13
G.Master EY
G.Master EY
 
Messaggi: 13189
Iscritto il: 4 ott 2008, 9:55

0
voti

[17] Re: Esercizio circuito magnetico

Messaggioda Foto UtenteGurdjeff » 14 set 2012, 13:18

il risultato è lo stesso poiché in effetti ho scritto la stessa cosa di prima adesso che ci penso (sono un po' in confusione... mattinata di studio intenso)... cosa ho sbagliato?
Avatar utente
Foto UtenteGurdjeff
11 4
 
Messaggi: 31
Iscritto il: 24 ago 2011, 19:18

3
voti

[18] Re: Esercizio circuito magnetico

Messaggioda Foto UtenteRenzoDF » 14 set 2012, 14:56

Gurdjeff ha scritto:il risultato è lo stesso poiché in effetti ho scritto la stessa cosa di prima adesso che ci penso (sono un po' in confusione... mattinata di studio intenso)... cosa ho sbagliato?


Non provo nemmeno a capire il tuo metodo, comunque io avrei usato Millman

{V_{mAB}} = \frac{{\frac{{{N_1}{I_S}}}{{3{R_m}}} + \frac{{{N_2}{I_S}}}{{{R_m}}}}}{{\frac{1}{{3{R_m}}} + \frac{1}{{{R_m}}} + \frac{1}{{2{R_m}}}}} = \frac{{1200}}{{11}}\,{\rm{A}}

{\Phi _3} = \frac{{{V_{mAB}}}}{{2{R_m}}} = \frac{{12\pi }}{{55}}\,{\rm{mWb}}

{V_{Th}} = {V_{30}} = j\omega {\Phi _3}{N_3} = j\frac{{48\pi }}{{11}}\,{\rm{V}}

{X_{Th}} = \omega {L_{Th}} = \frac{{\omega N_3^2}}{{{R_{{m_{eq}}}}}} = \frac{{64\pi }}{{11}}\,\Omega

{V_3} = {V_{30}}\frac{r}{{r + j{X_{Th}}}} = \frac{{30720{\mkern 1mu} {\pi ^2}}}{{121{\mkern 1mu} \left( {\frac{{4096{\mkern 1mu} {\pi ^2}}}{{121}} + 100} \right)}} + j\frac{{4800{\mkern 1mu} {\mkern 1mu} \pi }}{{11{\mkern 1mu} \left( {\frac{{4096{\mkern 1mu} {\pi ^2}}}{{121}} + 100} \right)}} \approx 5{,}77  + j3{,}16\,\,{\rm{V}}

... ma continuo a sottolineare la Vostra carenza di determinazione risolutiva, in questo caso per esempio avevi i risultati e tre metodi alternativi sui quali ragionare ed elaborare, ma come al solito hai preferito la strada più semplice... ovvero abbandonare "la sfida" risolutiva . :?
"Il circuito ha sempre ragione" (Luigi Malesani)
Avatar utente
Foto UtenteRenzoDF
55,9k 8 12 13
G.Master EY
G.Master EY
 
Messaggi: 13189
Iscritto il: 4 ott 2008, 9:55

-1
voti

[19] Re: Esercizio circuito magnetico

Messaggioda Foto UtenteGurdjeff » 14 set 2012, 15:25

eh guarda come qualsiasi studente del Politecnico di Milano ing. elettrica, per quanto riguarda elettrotecnica, oltre a Kirchhoff, l'unico metodo utilizzato è Thevenin (vietati Millman e sovrapposizione effetti). Quindi ho semplicemente applicato tale teorema (in modo sbagliato :D)

Ricapitolando:

Vth|r3 = Ms2 + [(Ms1-Ms2)/(R1+R2)]*R2 =150V

Zth|r3 = R1//R2= (3/4)*R2

Ne segue che

Vr3= (Vth*R3)/(Zth+R3) = 1200/11

{\Phi _3} = Vr3/R3 = (12π/55  )*10^-3

E da qui l'esercizio è fatto.


L'unica cosa che faccio fatica a capire è questa: in questo caso non ho calcolato -{\Phi _3}?
Avatar utente
Foto UtenteGurdjeff
11 4
 
Messaggi: 31
Iscritto il: 24 ago 2011, 19:18

3
voti

[20] Re: Esercizio circuito magnetico

Messaggioda Foto UtenteRenzoDF » 14 set 2012, 15:34

Gurdjeff ha scritto:... come qualsiasi studente del Politecnico di Milano ing. elettrica, per quanto riguarda elettrotecnica, oltre a Kirchhoff, l'unico metodo utilizzato è Thevenin (vietati Millman e sovrapposizione effetti). ...

Fai i miei Complimenti ai Professori del Politecnico :!: ... vietare Millman o la sovrapposizioni degli effetti o qualsiasi altro metodo, purché corretto, è solo un segno di Grande ignoranza.

BTW ... ricorda almeno ai tuoi professori di insegnare a scrivere Kirchhoff in modo corretto.
"Il circuito ha sempre ragione" (Luigi Malesani)
Avatar utente
Foto UtenteRenzoDF
55,9k 8 12 13
G.Master EY
G.Master EY
 
Messaggi: 13189
Iscritto il: 4 ott 2008, 9:55

PrecedenteProssimo

Torna a Elettrotecnica generale

Chi c’è in linea

Visitano il forum: Nessuno e 29 ospiti