sul partitore di corrente
http://www.electroyou.it/lillo/wiki/equ ... i_corrente
Risoluzione circuito in regime sinusoidale
Moderatori:
g.schgor,
IsidoroKZ
16 messaggi
• Pagina 2 di 2 • 1, 2
-1
voti
admin ha scritto:Riocavo
Questa formula mi da un risultato sbagliato... ??? Ho calcolato male le z?
Per quanto riguarda Zeq come la trovo? Nel calcolo il generatore dipendente diventa un circuito aperto mentre come mi devo comportare con quello dipendente?
Grazie
-

maxcorrads
8 2 - Messaggi: 10
- Iscritto il: 20 dic 2012, 15:10
0
voti
maxcorrads ha scritto:Questa formula mi da un risultato sbagliato..
A me no

maxcorrads ha scritto: Nel calcolo il generatore dipendente diventa un circuito aperto mentre come mi devo comportare con quello dipendente?
Ma le risposte (la 3 in questo caso) le leggi?
3)
Per calcolare Zeq si può calcolare la tensione a vuoto tra A e B, quindi fare il rapporto con la Icc
Con Millman, dopo aver sostituito al gereratore reale pilotato di corrente, l'equivalente di tensione, si ricava




Ora si può ricavare I1, quindi I3 (orientata da A verso B), quindi VAB, quindi Zeq



0
voti
Si le risposte le leggo ma io non vedo nulla nel post 3 e nemmeno in quelli successivi a parte l'ultimo la risposta per calcolare zeq.
Questo è quello che vedo
http://imgur.com/DzNU8
Ti ringrazio per le risposte, ora ho capito molto di più.
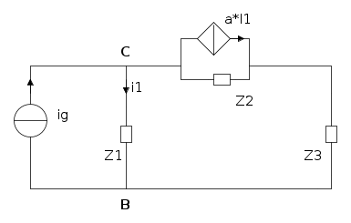
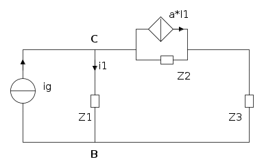
Unica cosa per quanto riguarda il calcolo di zeq, che punto del circuito intendi con C?
Non voglio passare come l'ultimo arrivato che non ha letto le regole o fare il finto tonto sulle risposte ma l'ho chiesto perché non vedo veramente la risposta; ringrazio tutti per la pazienza e in particolare
admin 
Questo è quello che vedo
http://imgur.com/DzNU8
Ti ringrazio per le risposte, ora ho capito molto di più.
Unica cosa per quanto riguarda il calcolo di zeq, che punto del circuito intendi con C?
Non voglio passare come l'ultimo arrivato che non ha letto le regole o fare il finto tonto sulle risposte ma l'ho chiesto perché non vedo veramente la risposta; ringrazio tutti per la pazienza e in particolare
-

maxcorrads
8 2 - Messaggi: 10
- Iscritto il: 20 dic 2012, 15:10
1
voti
maxcorrads ha scritto:Si le risposte le leggo ma io non vedo nulla nel post 3 e nemmeno in quelli successivi a parte l'ultimo la risposta per calcolare zeq.Questo è quello che vedo
Be' mi spiace: quello che vedi è quello che c'è e lì c'è la risposta alla tua domanda. C'è scritto che il generatore dipendente lo si considera come indipendente imponendo alla fine la condizione di dipendenza; e ci sono tutti i calcoli. Se poi tu non vedi le frasi scritte ed i calcoli, o se frasi e calcoli sono per te incomprensibili, io sinceramente non so che dirti di più o di diverso. Devi trovare uno più bravo di me.
Io mi arrendo
maxcorrads ha scritto:Ti ringrazio per le risposte, ora ho capito molto di più.
Questa affermazione è, come minimo, sorprendente, vista la precedente parte del messaggio.
maxcorrads ha scritto:Unica cosa per quanto riguarda il calcolo di zeq, che punto del circuito intendi con C?
Be' non ci sono molte possibilità per il punto C
2
voti
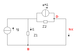
Per la corrente di cortocircuito,
risolverei scrivendo le due KCL al nodo B e D

ottenendo

mentre per l'impedenza equivalente secondo Thevenin, forzerei con un GIC esterno la rete privata di Z3,
ricavando la tensione ai suoi morsetti

e quindi

per calcolare infine l'impedenza complessiva con

risolverei scrivendo le due KCL al nodo B e D

ottenendo

mentre per l'impedenza equivalente secondo Thevenin, forzerei con un GIC esterno la rete privata di Z3,
ricavando la tensione ai suoi morsetti

e quindi

per calcolare infine l'impedenza complessiva con

"Il circuito ha sempre ragione" (Luigi Malesani)
16 messaggi
• Pagina 2 di 2 • 1, 2
Torna a Elettrotecnica generale
Chi c’è in linea
Visitano il forum: Nessuno e 244 ospiti

Elettrotecnica e non solo (admin)
Un gatto tra gli elettroni (IsidoroKZ)
Esperienza e simulazioni (g.schgor)
Moleskine di un idraulico (RenzoDF)
Il Blog di ElectroYou (webmaster)
Idee microcontrollate (TardoFreak)
PICcoli grandi PICMicro (Paolino)
Il blog elettrico di carloc (carloc)
DirtEYblooog (dirtydeeds)
Di tutto... un po' (jordan20)
AK47 (lillo)
Esperienze elettroniche (marco438)
Telecomunicazioni musicali (clavicordo)
Automazione ed Elettronica (gustavo)
Direttive per la sicurezza (ErnestoCappelletti)
EYnfo dall'Alaska (mir)
Apriamo il quadro! (attilio)
H7-25 (asdf)
Passione Elettrica (massimob)
Elettroni a spasso (guidob)
Bloguerra (guerra)









