RenzoDF ha scritto:oppure
un'ultima cosa: in questa formula non ci vorrebbe il - davanti????
Moderatori:
g.schgor,
IsidoroKZ
tipu91 ha scritto:RenzoDF ha scritto:oppure
un'ultima cosa: in questa formula non ci vorrebbe il - davanti????
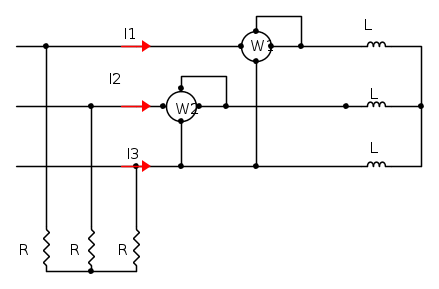
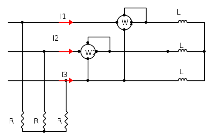
tipu91 ha scritto:... se in una rete a 3 fili ho due wattmetri inseriti tra 1-3 e 2-3 e "dopo" questi due c'è un carico PURAMENTE INDUTTIVO, la potenza attiva misurata è 0?!
potrai trovare la potenza reattiva.tipu91 ha scritto:... se serve altro posto il necessario!!
RenzoDF ha scritto: ... quel problema suppongo sia di Rocco; ieri sera ne avevo trovato uno quasi uguale in uno dei suoi temi d'esame.


RenzoDF ha scritto:BTW ... ma su quell'alluminio ... o meglio "aluminum" come lo chiama spesso "Lui", ci cade ancora qualcuno?

Torna a Elettrotecnica generale
Visitano il forum: Nessuno e 31 ospiti