claudiocedrone hai ragione, ho sbagliato verbo ma a mia parziale discolpa ti dico che domenica ero parecchio incasinato e ho scritto quel post di fretta
Detto ciò, vi chiedo di verificare se è corretto lo svolgimento di un altro esercizio che riguarda l'equivalente di Thevenin:
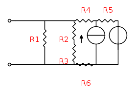
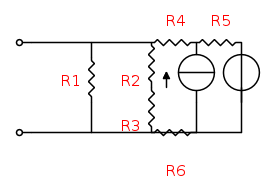
i cui dati sono:
.Trovo Req: pongo
e
, quindi considero il parallelo tra
e
e il loro equivalente in parallelo con
. Quindi (se non ho sbagliato i conti):
.Trovo
:1) passivo
ed ottengo il seguente circuitocon
e quindi 
2) Passivo E:
dove con
indico la serie tra
ed
mentre con
indico anche la corrente passante per
(perdonatemi ma faccio ancora disegni piccoli
quindi considero la
passante anche per
; infine ottengoove
.perciò
e allora
.E' corretto?

Elettrotecnica e non solo (admin)
Un gatto tra gli elettroni (IsidoroKZ)
Esperienza e simulazioni (g.schgor)
Moleskine di un idraulico (RenzoDF)
Il Blog di ElectroYou (webmaster)
Idee microcontrollate (TardoFreak)
PICcoli grandi PICMicro (Paolino)
Il blog elettrico di carloc (carloc)
DirtEYblooog (dirtydeeds)
Di tutto... un po' (jordan20)
AK47 (lillo)
Esperienze elettroniche (marco438)
Telecomunicazioni musicali (clavicordo)
Automazione ed Elettronica (gustavo)
Direttive per la sicurezza (ErnestoCappelletti)
EYnfo dall'Alaska (mir)
Apriamo il quadro! (attilio)
H7-25 (asdf)
Passione Elettrica (massimob)
Elettroni a spasso (guidob)
Bloguerra (guerra)








. Ora è corretto?




e
. il circuito di partenza è:
, si applica di fatto la formula del partitore di corrente: difatti c'è scritto


