Le equazioni non sono giuste, per almeno due motivi. Nella prima c'e` un termine

che e` dimensionalmente sbagliato, dato che stai sommando impedenze e ammettenze. Al piu` potrebbe essere

.
Se poi guardi le due equazioni vedi che sono uguali tranne il termine jwCe questo implica che IC=0, cosa che non mi sembra probabile.
Sullo schema puoi disegnare le maglie che segui, per esempio attiva il tasto "Curva" su fidocadj e fai vedere quali correnti cicliche usi. Eventualmente, se hai fatto un Thevenin con il generatore pilotato, mettilo in evidenza nello schema.
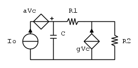
Essendoci dei generatori di correnti, uno pilotato da una tensione, io userei come incognite le tensioni e scriverei le KCL ai due nodi evidenziati
L'equazione al primo nodo viene

mentre quella al nodo V1 viene

se al posto delle resistenze usi le conduttanze si eliminano anche le frazioni. In entrambe le equazioni ho scritto che la corrente entrante nel nodo spinta dal generatore, e` uguale alla somma delle correnti uscenti attraverso gli altri elementi. Il nodo in basso e` quello di riferimento.
Sullo schema evidenzia il percorso delle tue KVL, ci sono degli errori, ma non capisco da dove arrivano le tue equazioni.
Se fai i conti corretti dovresti trovare che se il prodotto

allora il circuito diventa instabile (polo a destra).