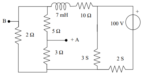
Fabio884 ha scritto:una cosa non mi è chiara però: svolgendo i conti ottengo 2.4Ω, mentre il risultato indicato dal docente è 2.4mΩ.
Non e` possibile, almeno in una rete passiva, senza generatori pilotati.
Il nodo A e` collegato a due resistenze da 3Ω e da 5Ω. La resistenza piu` bassa che si puo` vedere fra A e B e` data dal parallelo di queste due resistenze, se fossero direttamente collegate al terminale B. Visto che ci sono elementi in piu`, la resistenza sara` maggiore di questo parallelo.

Elettrotecnica e non solo (admin)
Un gatto tra gli elettroni (IsidoroKZ)
Esperienza e simulazioni (g.schgor)
Moleskine di un idraulico (RenzoDF)
Il Blog di ElectroYou (webmaster)
Idee microcontrollate (TardoFreak)
PICcoli grandi PICMicro (Paolino)
Il blog elettrico di carloc (carloc)
DirtEYblooog (dirtydeeds)
Di tutto... un po' (jordan20)
AK47 (lillo)
Esperienze elettroniche (marco438)
Telecomunicazioni musicali (clavicordo)
Automazione ed Elettronica (gustavo)
Direttive per la sicurezza (ErnestoCappelletti)
EYnfo dall'Alaska (mir)
Apriamo il quadro! (attilio)
H7-25 (asdf)
Passione Elettrica (massimob)
Elettroni a spasso (guidob)
Bloguerra (guerra)




