RenzoDF ha scritto:
BTW per il metodo usato prova a dare un occhio ai seguenti documenti
http://ecee.colorado.edu/~ecen5807/course_material/EET/
Ok ci darò un'occhiata, grazie!!!
Moderatori:
g.schgor,
IsidoroKZ
RenzoDF ha scritto:
BTW per il metodo usato prova a dare un occhio ai seguenti documenti
http://ecee.colorado.edu/~ecen5807/course_material/EET/

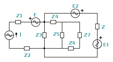
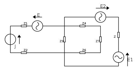
RenzoDF ha scritto:comincia calcolando la Z equivalente del gruppo Z4, Z5, Z6 e Z7 ... che da come risultato immediato 10+j10
Torna a Elettrotecnica generale
Visitano il forum: Nessuno e 22 ospiti