Appena vado avanti con la risoluzione procedo col postare i procedimenti.
Rete del secondo ordine
Moderatori:
g.schgor,
IsidoroKZ
0
voti
Allora il post di prima non vale. Ho ottenuto anche io
. poiché
allora ottengo, antitrasformando, che
. E' giusta l'antitrasformazione
RenzoDF? Posso procedere a ricavare
?
Mi scuso per il doppio post sull'antitrasformazione ma mi sono reso conto di aver sbagliato quando non potevo più eliminare o modificare il post.
. poiché
allora ottengo, antitrasformando, che
. E' giusta l'antitrasformazione
?Mi scuso per il doppio post sull'antitrasformazione ma mi sono reso conto di aver sbagliato quando non potevo più eliminare o modificare il post.
0
voti
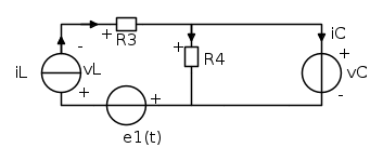
Ho trovato i valori iniziali.


Ho ricavato il circuito resistivo associato sostituendo al condensatore un generatore di tensione
e all'induttore un generatore di corrente
ottenendo questo circuito:
Ora devo ricavare i valori di
e
giusto? Posso scrivere che
? Per il valore di
come posso fare invece?
jordan20 è corretto in questo modo dal punto di vista del metodo delle equazioni di stato?


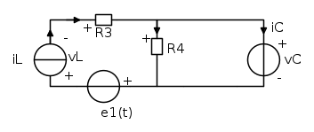
Ho ricavato il circuito resistivo associato sostituendo al condensatore un generatore di tensione
e all'induttore un generatore di corrente
ottenendo questo circuito:Ora devo ricavare i valori di
e
giusto? Posso scrivere che
? Per il valore di
come posso fare invece?0
voti
Per ora hai semplicemente applicato il teorema di sostituzione. Le equazioni di stato ancora le devi ricavare
Comunque i versi di riferimento per le coppie vc-ic e vl-il sono corretti. Continua...
"Lo scienziato descrive ciò che esiste, l'ingegnere crea ciò che non era mai stato."
(T. von Kármán)
(T. von Kármán)
0
voti
Comunque, dato che siamo in tema di equazioni di stato, ho visto che nel secondo libro da cui studio, il Desoer, l'approccio con tale metodo, fa a meno del teorema di sostituzione... che in effetti è un po' superfluo
Praticamente si perviene alla formulazione delle equazioni di stato attraverso 4 fasi:
1) si considera un albero proprio, ossia che contenga tutti condensatori e nessun induttore;
2) si considerano variabili di stato i flussi degli induttori e le cariche dei condensatori;
3) si scrive un'equazione dell'insieme di taglio fondamentale per ogni condensatore (esprimendo le correnti di lato in funzione delle variabili di stato scelte);
4) si scrive un'equazione della maglia fondamentale per ogni induttore (esprimendo tensioni di lato in funzione anche qui delle variabili di stato scelte).
In effetti anche il mio docente utilizza il teorema di sostituzione come nel caso di
dlbp...
RenzoDF tu cosa consigli?
Praticamente si perviene alla formulazione delle equazioni di stato attraverso 4 fasi:
1) si considera un albero proprio, ossia che contenga tutti condensatori e nessun induttore;
2) si considerano variabili di stato i flussi degli induttori e le cariche dei condensatori;
3) si scrive un'equazione dell'insieme di taglio fondamentale per ogni condensatore (esprimendo le correnti di lato in funzione delle variabili di stato scelte);
4) si scrive un'equazione della maglia fondamentale per ogni induttore (esprimendo tensioni di lato in funzione anche qui delle variabili di stato scelte).
In effetti anche il mio docente utilizza il teorema di sostituzione come nel caso di
"Lo scienziato descrive ciò che esiste, l'ingegnere crea ciò che non era mai stato."
(T. von Kármán)
(T. von Kármán)
0
voti
0
voti
jordan20 ha scritto:RenzoDF tu cosa consigli?
Scusatemi se ve lo dico ma mi sembrate tutti "pazzi", voi due, Desoer e compagni
Alberi foglie coalberi foreste
... io da buon "idraulico" userei semplicemente Kirchhoff
@
"Il circuito ha sempre ragione" (Luigi Malesani)
0
voti
Non le ho cambiate di segno. Infatti se risolvo il sistema scritto in [5] ottengo i risultati che ho ti ho detto in [29].
Eccone la dimostrazione
RenzoDF: dove
, 
[url]http://www.wolframalpha.com/input/?i=-i*a-4%28a-b%29%3D0+AND+4%28a-b%29-b%2F%280.5*i%29-42.43*sqrt%282%29*e^%28i+pi%2F4%29%3D0[/url]
Eccone la dimostrazione
, 
[url]http://www.wolframalpha.com/input/?i=-i*a-4%28a-b%29%3D0+AND+4%28a-b%29-b%2F%280.5*i%29-42.43*sqrt%282%29*e^%28i+pi%2F4%29%3D0[/url]
Torna a Elettrotecnica generale
Chi c’è in linea
Visitano il forum: Nessuno e 45 ospiti

Elettrotecnica e non solo (admin)
Un gatto tra gli elettroni (IsidoroKZ)
Esperienza e simulazioni (g.schgor)
Moleskine di un idraulico (RenzoDF)
Il Blog di ElectroYou (webmaster)
Idee microcontrollate (TardoFreak)
PICcoli grandi PICMicro (Paolino)
Il blog elettrico di carloc (carloc)
DirtEYblooog (dirtydeeds)
Di tutto... un po' (jordan20)
AK47 (lillo)
Esperienze elettroniche (marco438)
Telecomunicazioni musicali (clavicordo)
Automazione ed Elettronica (gustavo)
Direttive per la sicurezza (ErnestoCappelletti)
EYnfo dall'Alaska (mir)
Apriamo il quadro! (attilio)
H7-25 (asdf)
Passione Elettrica (massimob)
Elettroni a spasso (guidob)
Bloguerra (guerra)

, antitrasformando
è uguale a
?






