Risoluzione circuito con doppio bipolo
Moderatori:
g.schgor,
IsidoroKZ
0
voti
questo però è valido nel caso in cui ci sia anche il condensatore,per il punto che devo risolvere mi chiede di considerare il condensatore come un corto,quindi diventa un circuito del primo ordine...il mio problema è semplicemente di come calcolare i parametri del generatore alla thevenin(E0 e Req) visti dall'induttore quando il condensatore è un corto...penso di aver risolto bene il calcolo di E0(come scritto in precedenza,amche se matlab mi da errore),ora ho dei problemi per il calcolo di Req perché dopo aver spento i generatori mi trovo con r1,r2 ma in mezzo c'è la matrice delle resistenze e non so come procedere in questo caso...
1
voti
johnny90 ha scritto:...ma in mezzo c'è la matrice delle resistenze e non so come procedere in questo caso...
In questo caso trasforma il quadripolo nello schema a T equivalente e procedi come al solito...!
-

Lele_u_biddrazzu
8.154 3 8 13 - Master EY

- Messaggi: 1288
- Iscritto il: 23 gen 2007, 16:13
- Località: Modena
0
voti
per sintetizzare la matrice in un circuito a T non deve essere valida la relazione che: R11>=0 e R22>=0 ?
nel mio caso i valori della matrice vengono scelti arbitrariamente,se poi non fossero valide le relazioni come posso procedere alla sintesi??
nel mio caso i valori della matrice vengono scelti arbitrariamente,se poi non fossero valide le relazioni come posso procedere alla sintesi??
0
voti
avevo pensato anche ad un'altra "strada",per evitare di sintetizzare la matrice R,posso calcolare la corrente di corto circuito alla Norton e poi calcolare la Req secondo la relazione: E0=Req*Icc ...
1
voti
johnny90 ha scritto:...per evitare di sintetizzare la matrice R...
Scusa se insisto... ma che devi sintetizzare? I parametri della matrice [R], sebbene siano dati in forma simbolica, credo facciano parte dei dati del problema!
-

Lele_u_biddrazzu
8.154 3 8 13 - Master EY

- Messaggi: 1288
- Iscritto il: 23 gen 2007, 16:13
- Località: Modena
0
voti
fai bene ad insistere
,comunque,i parametri non sono parte dei dati ma sono a discrezione dell'utente perché poi devo fare un'interfaccia grafica con matlab in cui l'utente inserisce i parametri della matrice...
1
voti
johnny90 ha scritto:...i parametri non sono parte dei dati ma sono a discrezione dell'utente...
Appunto, sebbene siano scelti a discrezione dell'utente, si ritengono come quantità note!
-

Lele_u_biddrazzu
8.154 3 8 13 - Master EY

- Messaggi: 1288
- Iscritto il: 23 gen 2007, 16:13
- Località: Modena
0
voti
giusto
,quindi,dati i parametri della matrice,se voglio schematizzare la matrice con un sistema a T quali sono le formule??per esempio se ho che: r11=5 r22=1 r12=2 r21=3 come posso procedere?
3
voti
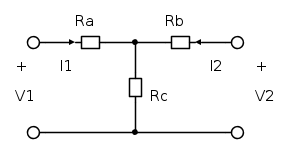
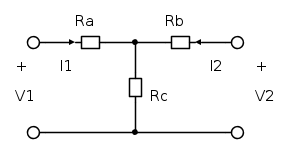
Allora... supponiamo che sia nota la matrice delle resistenze [R]
![\left[R\right]=\left[\begin{array}{cc}
R_{11} & R_{12}\\
R_{21} & R_{22}\end{array}\right] \left[R\right]=\left[\begin{array}{cc}
R_{11} & R_{12}\\
R_{21} & R_{22}\end{array}\right]](/forum/latexrender/pictures/42849a649b552e703a3a39b9bcb9f9ef.png)
e consideriamo il seguente schema a T...
si dimostra che sussistono le seguenti relazioni...



A questo punto hai tutto il necessario per passare dal quadripolo avente matrice delle resistenze [R] alla corrispondente rappresentazione equivalente a T e viceversa... Buon lavoro
![\left[R\right]=\left[\begin{array}{cc}
R_{11} & R_{12}\\
R_{21} & R_{22}\end{array}\right] \left[R\right]=\left[\begin{array}{cc}
R_{11} & R_{12}\\
R_{21} & R_{22}\end{array}\right]](/forum/latexrender/pictures/42849a649b552e703a3a39b9bcb9f9ef.png)
e consideriamo il seguente schema a T...
si dimostra che sussistono le seguenti relazioni...



A questo punto hai tutto il necessario per passare dal quadripolo avente matrice delle resistenze [R] alla corrispondente rappresentazione equivalente a T e viceversa... Buon lavoro

-

Lele_u_biddrazzu
8.154 3 8 13 - Master EY

- Messaggi: 1288
- Iscritto il: 23 gen 2007, 16:13
- Località: Modena
0
voti
un'ultima domanda...e se R12 e R21 nn sono uguali?
Torna a Elettrotecnica generale
Chi c’è in linea
Visitano il forum: Nessuno e 61 ospiti

Elettrotecnica e non solo (admin)
Un gatto tra gli elettroni (IsidoroKZ)
Esperienza e simulazioni (g.schgor)
Moleskine di un idraulico (RenzoDF)
Il Blog di ElectroYou (webmaster)
Idee microcontrollate (TardoFreak)
PICcoli grandi PICMicro (Paolino)
Il blog elettrico di carloc (carloc)
DirtEYblooog (dirtydeeds)
Di tutto... un po' (jordan20)
AK47 (lillo)
Esperienze elettroniche (marco438)
Telecomunicazioni musicali (clavicordo)
Automazione ed Elettronica (gustavo)
Direttive per la sicurezza (ErnestoCappelletti)
EYnfo dall'Alaska (mir)
Apriamo il quadro! (attilio)
H7-25 (asdf)
Passione Elettrica (massimob)
Elettroni a spasso (guidob)
Bloguerra (guerra)

