Cos'è ElectroYou | Login Iscriviti

ElectroYou - la comunità dei professionisti del mondo elettrico

Esercizio di "Campi elettromagnetici"

Circuiti, campi elettromagnetici e teoria delle linee di trasmissione e distribuzione dell’energia elettrica

Moderatori: Foto Utenteg.schgor, Foto UtenteIsidoroKZ

0
voti

[21] Re: Dubbio Esercizio

Messaggioda sammaritano1985 » 3 mar 2012, 13:10

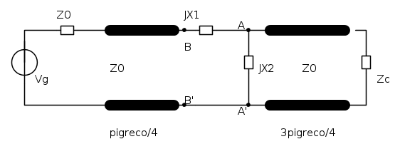
Dato il seguente circuito:



con:

V_{g}=5 V/Z_{c}=200\Omega/Z_{0}=100\Omega /X_{1}=X_{2}=100\Omega

determinare la potenza dissipata sul carico Zc.

SVOLGIMENTO:

1)Trasporto di impedenza del carico Zc alla sezione AA' ottendendo:

Z_{AA}^{trasp}

2)Impedenza equivalente alla sezione AA':

Z_{AA}=Z_{AA}^{trasp} //JX_{2}

3)impedenza equivalente alla sezione BB':

Z_{BB}=Z_{AA}+JX_{1}

4)Impedenza di ingresso al primo tratto di linea (ottenuta trasportando Z_{BB})

Z_{I}

5)Circuito equivalente a parametri concentrati:



dove:

I_{0}=\frac{V_{g}}{Z_{0}+Z_{I}}

V_{0}=V_{g}\frac{Z_{I}}{Z_{0}+Z_{I}}

Essendo le linee linee senza perdite la potenza dissipata sul carico Zc è pari alla potenza dissipata sull'impedenza ZI del circuito equivalente a parametri concentrati

6)Calcolo di tale potenza

FINE ESERCIZIO

Allora in questo esercizio le reattanze non assorbono potenza e quindi la potenza dissipata su Zc e pari a quella dissipata su ZI,io cercando di copiare questo modo di procedere sono arrivato al circuito a parametri concentrati dell'esercizio postato nel primo messaggio,a questo punto il mio dubbio è il seguente l'impedenza del condensatore si comporta come queste reattanze e quindi posso (per il primo esercizio postato) considerare la serie tra quel condensatore e l'impedenza di carico trasportata e quindi concludere che la potenza su questa serie è uguale alla potenza dissipata sull'impedenza di carico.
sammaritano1985
327 2 4 5
---
 

1
voti

[22] Re: Dubbio Esercizio

Messaggioda Foto Utentedimaios » 3 mar 2012, 13:41

Ok. Supponiamo che sei all'esame e hai un dubbio su questo punto.
Cosa fai ?
Ti do un suggerimento molto "spartano" che però serve come esercizio a "ritroso".

Dalla tensione V_{0} ricavati a "ritroso" la V_{BB^{I}}.
Da V_{BB^{I}} ti ricavi V_{AA^{I}}
Da V_{AA^{I}} ti ricavi V_{Z_{c}}

A questo punto hai tutto ciò che ti serve per calcolare la potenza su V_{Z_{c}}.

Osserva la parte reale e quella immaginaria e confronta la parte reale con quella che presumi avresti dovuto trovare con il primo procedimento.

Viene uguale ?

Provaci e pubblica il risultato.
Saluti.
Ingegneria : alternativa intelligente alla droga.
Avatar utente
Foto Utentedimaios
30,2k 7 10 12
G.Master EY
G.Master EY
 
Messaggi: 3381
Iscritto il: 24 ago 2010, 14:12
Località: Behind the scenes

0
voti

[23] Re: Dubbio Esercizio

Messaggioda sammaritano1985 » 3 mar 2012, 13:53

dimaios ha scritto:Ok. Supponiamo che sei all'esame e hai un dubbio su questo punto.
Cosa fai ?


L'esame dura 60 minuti e l'esercizio è composto da 3 quesiti quindi alla prima esitazione salta tutto e si va a casa,non si ha tempo per fare prove o procedimenti a ritroso.

Allora la situazione è questa io questo esame per quello che devo fare l'ho preparato abbastanza bene ho fatto tutto quello indicato dal docente seguire il corso+seguire le esercitazioni+fare le vecchie prove d'esame ed oltre a tutto ciò ho fatto anche altri esercizi trovati in rete e addirittura qualche giorno fa ho chiesto sempre sul forum se qualcuno poteva procurarmene altri,se quella mattina mi ritrovo un esercizio che non so fare,alzo e me ne vado ( non penso di essere in quel caso il primo che ad un esame non riesce a risolvere un esercizio),tutti gli esercizi che ho fatto si sono sempre trovati (sarà anche vero che non avrò capito bene quello che stavo facendo,ma io il mio l'ho fatto),adesso dell'esercizio postato nel primo messaggio so rispondere al primo quesito ovvero calcolare la lunghezza della seconda linea ed il valore di C affinchè sia massima la potenza dissipata sul carico e ho solo un dubbio sul calcolo di questa potenza in quanto se si può calcolare come vorrei fare io in due secondi la calcolo,altrimenti lo so che c'è anche un altro metodo che coincide con quello che mi hai proposto di fare tu,ovvero partire dal circuito a parametri concentrati ricostruirsi quello a parametri distribuiti ed arrivare al carico conoscendo la tensione di questo per infine calcolare la potenza,ma questo metodo di porterebbe via tanto tempo il giorno dell'esame quindi vorrei solo sapere se posso procedere come volevo fare o meno,ed in tal caso vorra dire che cercherò di fare il più veloce possibile per risolverlo con il metodo da te proposto.
sammaritano1985
327 2 4 5
---
 

1
voti

[24] Re: Dubbio Esercizio

Messaggioda Foto Utentedimaios » 3 mar 2012, 15:21

E' per questo che ti ho indicato un possibile metodo per risolvere il tuo dubbio.
Se lo risolvi ora il giorno dell'esame non ti troverai in questa condizione perché avrai capito il concetto definitivamente e lo risolverai in 10 minuti. :mrgreen:
Ingegneria : alternativa intelligente alla droga.
Avatar utente
Foto Utentedimaios
30,2k 7 10 12
G.Master EY
G.Master EY
 
Messaggi: 3381
Iscritto il: 24 ago 2010, 14:12
Località: Behind the scenes

1
voti

[25] Re: Dubbio Esercizio

Messaggioda Foto Utentedimaios » 3 mar 2012, 16:07

... ad ogni modo la risposta è contenuta nel file che ti ho consigliato di leggere. Analizza bene quanto scritto al punto 1.3 e confrontando con il tuo caso trai le debite conclusioni. ;-)
Resto comunque dell'idea che dovresti eseguire un post di tutti i calcoli e le considerazioni che hai fatto svolgendo almeno per una volta l'analisi a "ritroso".
Ingegneria : alternativa intelligente alla droga.
Avatar utente
Foto Utentedimaios
30,2k 7 10 12
G.Master EY
G.Master EY
 
Messaggi: 3381
Iscritto il: 24 ago 2010, 14:12
Località: Behind the scenes

0
voti

[26] Re: Dubbio Esercizio

Messaggioda sammaritano1985 » 3 mar 2012, 16:16

dimaios ha scritto:... ad ogni modo la risposta è contenuta nel file che ti ho consigliato di leggere. Analizza bene quanto scritto al punto 1.3 e confrontando con il tuo caso trai le debite conclusioni. ;-)
Resto comunque dell'idea che dovresti eseguire un post di tutti i calcoli e le considerazioni che hai fatto svolgendo almeno per una volta l'analisi a "ritroso".


Ok adesso vado subito a studiarmi il file che mi hai mandato,invece per quanto riguarda l'esercizio con il metodo a ritroso l'ho già fatto sul foglio :D (però non sono sicuro che il tutto sia giusto) e non mi trovo con il risultato che otterrei facendo quella serie tra impedenza e condensatore ,l'ideale secondo me sarebbe postare l'esercizio con tutti i calcoli con entrambi i metodi per vedere quali tra i due sbaglio (se li sbaglio entrambi una testata nel monitor non me la toglie nessuno :D )però per fare questo ci vuole in po' di tempo,ma adesso mi metto subito a lavoro O_/
sammaritano1985
327 2 4 5
---
 

0
voti

[27] Esercizio svolto di campi elettromagnetici

Messaggioda sammaritano1985 » 3 mar 2012, 21:24

A seguito dell'invito da parte di Foto Utentedimaios a svolgere questo esercizio in un determinato modo,dopo una giornata di studio per capire determinate cose posto lo svolgimento completo con formule e calcoli dell'esercizio per avere un conferma da voi sull'esattezza o meno di esso.



DATI:

f=1Ghz/Vg=2V/R0=50\Omega /Zc=(50+50J)\Omega /C=6.39pF

Linee ideali e senza perdite

DOMANDA:

Determinare la potenza dissipata sul carico Zc.

SVOLGIMENTO:

1)Trasporto di impedenza del carico alla sezione AA:

Z_{AA}=R0\frac{Zc+jR0Tg(\beta z)}{R0+jZcTg(\beta z)}=25+25j

2)Serie tra l'impedenza ZAA e l'impedenza del condensatore:

Z_{serie}=Z_{AA}+Z_{cond}=(25+25j)+(-25j)=25

dove l'impedenza del condensatore la calcolo dalla formula:

Z_{cond}=-\frac{j}{\omega C}

ed omega si calcola attraverso lambda che a sua volta si calcola attraverso la frequenza

3)Parallelo tra Zserie ed R0:

Z_{p}=Z_{serie}//R0=\frac{50}{3}

4)Circuito a cui siamo arrivati:



5)trasporto dell'impedenza Zp all'ingresso della linea (la quale è lunga lambda/4):

Z_{ingresso}=\frac{R0^{2}}{Z_{p}}=150

6)Circuito a cui siamo arrivati



dove:

V_{CC}=Vg\frac{Z_{ingresso}}{Z_{ingresso}+R0}=1.5

7)Nuovo circuito:



V_{BB}=V_{CC}cos(\beta z)-jR0\frac{V_{CC}}{Zingresso}sin(\beta z)=-0.5j

8)Calcolo di Vaa:

V_{AA}=V_{BB}\frac{Z_{AA}}{Z_{AA}+Z_{cond}}=0.5-0.5j

9)Calcolo della potenza:

P=\frac{1}{2}\frac{\left | V_{AA} \right |^{2}}{Re\left \{ Z_{AA} \right \}}=0.01W

CONCLUSIONI

Anche se con qualche ora di ritardo l'esercizio consigliatomi l'ho svolto e l'ho postato,penso che vada bene ma anche se ci dovessero essere degli errori,dopo un'intero pomeriggio passato a studiare tra tutte le cose lette sicuramente ho imparato qualcosa,in quanto penso che cercando qualcosa se ne imparano tante altre.

Aspetto vostre correzioni (sperando che non ce ne siano da fare) O_/
sammaritano1985
327 2 4 5
---
 

1
voti

[28] Re: Esercizio di "Campi elettromagnetici"

Messaggioda Foto UtenteDirtyDeeds » 3 mar 2012, 22:18

sammaritano1985 ha scritto:Z_{AA}=R0\frac{Zc+jR0Tg(\beta z)}{R0+jZcTg(\beta z)}=25+25j


Meglio se la scrivi come

Z_{AA}=R_0\frac{Z_c+\text{j}R_0\tan(\beta z)}{R_0+\text{j}Z_c\tan(\beta z)}=25+25j

E' più comprensibile (ti stavo per chiedere che funzione fosse g(\beta z)...)

sammaritano1985 ha scritto:ed omega si calcola attraverso lambda che a sua volta si calcola attraverso la frequenza


No, \omega = 2\pi f, la lunghezza d'onda non c'entra nulla.

sammaritano1985 ha scritto:9)Calcolo della potenza:

P=\frac{1}{2}\frac{\left | V_{AA} \right |^{2}}{Re\left \{ Z_{AA} \right \}}=0.01W


Non ho controllato il resto, ma questa è sicuramente sbagliata :!:
It's a sin to write sin instead of \sin (Anonimo).
...'cos you know that cos ain't \cos, right?
You won't get a sexy tan if you write tan in lieu of \tan.
Take a log for a fireplace, but don't take log for \logarithm.
Avatar utente
Foto UtenteDirtyDeeds
55,9k 7 11 13
G.Master EY
G.Master EY
 
Messaggi: 7012
Iscritto il: 13 apr 2010, 16:13
Località: Somewhere in nowhere

0
voti

[29] Re: Esercizio di "Campi elettromagnetici"

Messaggioda sammaritano1985 » 3 mar 2012, 22:57

DirtyDeeds ha scritto:No, \omega = 2\pi f, la lunghezza d'onda non c'entra nulla.


si hai ragione come ho fatto io ho allungato di un passaggio e potevo calcolare il tutto direttamente.


DirtyDeeds ha scritto:P=\frac{1}{2}\frac{\left | V_{AA} \right |^{2}}{Re\left \{ Z_{AA} \right \}}=0.01W
Non ho controllato il resto, ma questa è sicuramente sbagliata :!:


Forse ho capito l'errore:

P=\frac{1}{2}Re\left \{ Z_{AA} \right \}\frac{\left | V_{AA} \right |^{2}}{\left |Z_{AA}  \right |^{2}}=5*10^{-3}

Giusto?
sammaritano1985
327 2 4 5
---
 

1
voti

[30] Re: Esercizio di "Campi elettromagnetici"

Messaggioda Foto UtenteDirtyDeeds » 3 mar 2012, 23:12

sammaritano1985 ha scritto:Giusto?


Sì, però la scriverei così:

P=\frac{1}{2}\text{Re}\,\{Y_{AA}\}|V_{AA}|^{2}

e poi mi calcolerei a parte

Y_{AA} = \frac{1}{Z_{AA}}

Mi sembra che tu voglia sempre condensare tutto in un'unica formula: può essere controproducente, perché rende più difficile il controllo degli errori (a te, durante il compito).

PS: non usare l'asterisco per la moltiplicazione, quello indica il prodotto di convoluzione: usa il \times:

5\times 10^{-3}
It's a sin to write sin instead of \sin (Anonimo).
...'cos you know that cos ain't \cos, right?
You won't get a sexy tan if you write tan in lieu of \tan.
Take a log for a fireplace, but don't take log for \logarithm.
Avatar utente
Foto UtenteDirtyDeeds
55,9k 7 11 13
G.Master EY
G.Master EY
 
Messaggi: 7012
Iscritto il: 13 apr 2010, 16:13
Località: Somewhere in nowhere

PrecedenteProssimo

Torna a Elettrotecnica generale

Chi c’è in linea

Visitano il forum: Nessuno e 45 ospiti