Cos'è ElectroYou | Login Iscriviti

ElectroYou - la comunità dei professionisti del mondo elettrico

Esercizio circuito magnetico

Circuiti, campi elettromagnetici e teoria delle linee di trasmissione e distribuzione dell’energia elettrica

Moderatori: Foto Utenteg.schgor, Foto UtenteIsidoroKZ

0
voti

[21] Re: Esercizio circuito magnetico

Messaggioda Foto UtenteGurdjeff » 14 set 2012, 15:37

No beh riguarda solo il corso di Elettrotecnica... tutti gli altri professori utilizzano i suddetti metodi senza problemi (forse perché non hanno studiato con il professore attuale?)...
Avatar utente
Foto UtenteGurdjeff
11 4
 
Messaggi: 31
Iscritto il: 24 ago 2011, 19:18

3
voti

[22] Re: Esercizio circuito magnetico

Messaggioda Foto UtenteRenzoDF » 14 set 2012, 15:41

Gurdjeff ha scritto:... L'unica cosa che faccio fatica a capire è questa: in questo caso non ho calcolato -{\Phi _3}?...

La legge di Faraday-Neumann-Lenz al Politecnico la insegnano o ... è proibita pure quella? :mrgreen:

... ovvero, conosci le convenzioni associate alla validità della relazione

e =  - \frac{{{\rm{d}}{\Phi _C}}}{{{\rm{dt}}}}

:?:
"Il circuito ha sempre ragione" (Luigi Malesani)
Avatar utente
Foto UtenteRenzoDF
55,9k 8 12 13
G.Master EY
G.Master EY
 
Messaggi: 13189
Iscritto il: 4 ott 2008, 9:55

2
voti

[23] Re: Esercizio circuito magnetico

Messaggioda Foto UtenteLele_u_biddrazzu » 14 set 2012, 15:42

Gurdjeff ha scritto:...oltre a Kirchhoff, l'unico metodo utilizzato è Thevenin (vietati Millman e sovrapposizione effetti)...

Vietare metodi risolutivi corretti :?:
Ma stiamo scherzando :?: ?%
Roba da non credere :-|
Emanuele Lorina

- Chi lotta contro i mostri deve fare attenzione a non diventare lui stesso un mostro. E se tu riguarderai a lungo in un abisso, anche l'abisso vorrà guardare dentro di te (F. Nietzsche)
- Tavole della legge by admin
Avatar utente
Foto UtenteLele_u_biddrazzu
8.154 3 8 13
Master EY
Master EY
 
Messaggi: 1288
Iscritto il: 23 gen 2007, 16:13
Località: Modena

0
voti

[24] Re: Esercizio circuito magnetico

Messaggioda Foto UtenteGurdjeff » 14 set 2012, 15:51

RenzoDF ha scritto:... ovvero, conosci le convenzioni associate alla validità della relazione

sì hai ragione se uso la mano destra c'è il meno, mentre scompare con la convenzione della mano sinistra...

Lele_u_biddrazzu ha scritto:... Vietare metodi risolutivi corretti :?:
Ma stiamo scherzando :?: ?%

purtroppo è così... Millman non viene proprio insegnato mentre la sovrapposizione degli effetti è concessa SOLO nel caso di sorgenti non isofrequenziali

Edit RDF non quotere tutto, grazie.
Avatar utente
Foto UtenteGurdjeff
11 4
 
Messaggi: 31
Iscritto il: 24 ago 2011, 19:18

1
voti

[25] Re: Esercizio circuito magnetico

Messaggioda Foto UtenteRenzoDF » 14 set 2012, 15:54

Gurdjeff ha scritto:... sì hai ragione se uso la mano destra c'è il meno, mentre scompare con la convenzione della mano sinistra...

In che senso? ... vuoi dire che se non tornano i segni ti hanno insegnato a cambiare mano. :D

... intendevo dire la relazione fra il verso scelto positivo per il flusso e quello associato alla forza elettromotrice.
"Il circuito ha sempre ragione" (Luigi Malesani)
Avatar utente
Foto UtenteRenzoDF
55,9k 8 12 13
G.Master EY
G.Master EY
 
Messaggi: 13189
Iscritto il: 4 ott 2008, 9:55

0
voti

[26] Re: Esercizio circuito magnetico

Messaggioda Foto UtenteGurdjeff » 14 set 2012, 15:57

no no l'ho scritto solo perché mi avevi chiesto le convenzioni....si usa solo la mano dx... la mano sx per le fem indotte la si usa spesso nel corso di macchine... tutto qui ;-)

forse ho capito male la domanda...
Avatar utente
Foto UtenteGurdjeff
11 4
 
Messaggi: 31
Iscritto il: 24 ago 2011, 19:18

1
voti

[27] Re: Esercizio circuito magnetico

Messaggioda Foto UtenteRenzoDF » 14 set 2012, 16:05

Gurdjeff ha scritto:Ricapitolando:

Vth|r3 = Ms2 + [(Ms1-Ms2)/(R1+R2)]*R2 =150V

Zth|r3 = R1//R2= (3/4)*R2


E queste VTh e ZTh cosa mi rappresenterebbero ? ... volt per la prima? ... la seconda in cosa la misuri? ...ohm ? :roll:
"Il circuito ha sempre ragione" (Luigi Malesani)
Avatar utente
Foto UtenteRenzoDF
55,9k 8 12 13
G.Master EY
G.Master EY
 
Messaggi: 13189
Iscritto il: 4 ott 2008, 9:55

0
voti

[28] Re: Esercizio circuito magnetico

Messaggioda Foto UtenteGurdjeff » 14 set 2012, 16:11

ops scusami è l'abitudine... [A ] la prima, [H] la seconda (che sarebbe meglio chiamareRth)
la modificherei volentieri ma non mi è concesso ;-)
Avatar utente
Foto UtenteGurdjeff
11 4
 
Messaggi: 31
Iscritto il: 24 ago 2011, 19:18

0
voti

[29] Re: Esercizio circuito magnetico

Messaggioda Foto UtenteGurdjeff » 17 set 2012, 17:51

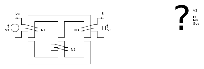
Ri-salve a tutti. Non riesco proprio a digerire questi circuiti (sui libri consigliati non ci sono tracce di esercizi di questo tipo), anche perché a lezione abbiam sempre visto circuiti con solo 2 induttori avvolti... in quel caso è semplice ricondursi ai mutui induttori... si sceglie la caratterizzazione che ci interessa (flussi impressi, corrente impresse, oppure parametri ibridi) e si procede trasformando le equazioni elettriche in quelle magnetiche e poi calcolando i parametri a ritroso. Ora, vorrei che qualcuno gentilmente mi istruisse sui passaggi logici da effettuare per risolvere problemi con 3 induttori avvolti su nucleo ferromagnetico. Dato che non voglio farvi perdere tempo in calcoli (e anche per non passare per scansafatiche) vorrei chiedervi:



In questo esercizio sono riuscito a calcolarmi la corrente I3e la tensione V3 attraverso l'equivalente Thevenin.

Ora vorrei chiedervi: ma l'induttore 2 (non essendo collegato a nulla) in questo problema ha qualche rilevanza? Non sembrerebbe proprio... o mi sbaglio?

Per calcolare la corrente Ivs, assumo impresse le tensioni sui 2 lati (avendo calcolato la tensione V3 precedentemente) e mi calcolo i parametri di inertanza (passando dalle eq.ni magnetiche con il calcolo della matrice delle riluttanze)? La corrente Ivs sarà semplicemente la corrente I1 giusto?

Non ho mai pensato di essere uno stupido, ma ormai le mie certezze iniziano a vacillare... non riesco proprio a comprenderli...


P.S. Ci tengo a precisare che le equazioni di 3 induttori accoppiati non sono materia d'esame... quindi vorrei capire i metodi alternativi per risolvere questi esercizi...
Avatar utente
Foto UtenteGurdjeff
11 4
 
Messaggi: 31
Iscritto il: 24 ago 2011, 19:18

0
voti

[30] Re: Esercizio circuito magnetico

Messaggioda Foto UtenteGurdjeff » 17 set 2012, 18:16

Ah, i dato sono i 3 traferri, i 3 numeri di spire, la sorgente Vse l'impedenza Z3
Avatar utente
Foto UtenteGurdjeff
11 4
 
Messaggi: 31
Iscritto il: 24 ago 2011, 19:18

PrecedenteProssimo

Torna a Elettrotecnica generale

Chi c’è in linea

Visitano il forum: Nessuno e 24 ospiti