RenzoDF ha scritto:Vedo che ricompare quel famoso k=0.5 e allora la domanda sorge spontanea, ... come te le sei ricavate L1 ed L2 ?
con il "mio" procedimento!!

Moderatori:
g.schgor,
IsidoroKZ
tipu91 ha scritto: ... con il "mio" procedimento!!
RenzoDF ha scritto:Scusa ma qui proprio non ci siamo, se mi capitate "a tiro", qui a Santa Barbara, con quel "procedimento" ... boccio sia Te sia Rizzo per "incompetenza elettromagnetica".


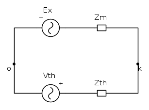
tipu91 ha scritto:prendendo in considerazione l'equivalente di Thevenin farei così: ...
in poche parole ho calcolato la potenza complessa del generatore di Thevenin ponendola uguale a quella del generatore trifase!!
potrebbe andare![]()
![]()
![]()
tipu91 ha scritto:... e allora il discorso si complica (apparentemente??)!!
per caso devo applicare KCL?? o partitore di corrente?? o ila sovrapposizione degli effetti facendo agire prima la terna trifase e poi il generatore X??
tipu91 ha scritto:... cosa intendi per "verticale"??
Torna a Elettrotecnica generale
Visitano il forum: Google Adsense [Bot] e 22 ospiti