Cos'è ElectroYou | Login Iscriviti

ElectroYou - la comunità dei professionisti del mondo elettrico

esercizio trifase

Circuiti, campi elettromagnetici e teoria delle linee di trasmissione e distribuzione dell’energia elettrica

Moderatori: Foto Utenteg.schgor, Foto UtenteIsidoroKZ

0
voti

[21] Re: esercizio trifase

Messaggioda Foto Utentetipu91 » 23 feb 2013, 11:27

RenzoDF ha scritto:Casa sarebbe una "circuitazione" ? ...


una circuitazione sarebbe la legge di ohm su un percorso chiuso!!

... quale neutro?


so che non è corretto, ma intendevo il conduttore che collega i due carichi con impedenza Z_n

... direi che non basti "credere", bisogna dimostrarlo che "non scorre". ;-)


se mi date un pochino di tempo cerco di postare la soluzione!! :ok:
Avatar utente
Foto Utentetipu91
1.015 6 13
Expert EY
Expert EY
 
Messaggi: 229
Iscritto il: 12 nov 2012, 18:46
Località: Pisa

1
voti

[22] Re: esercizio trifase

Messaggioda Foto UtenteRenzoDF » 23 feb 2013, 11:32

tipu91 ha scritto:... una circuitazione sarebbe la legge di ohm su un percorso chiuso!!

Ma quella "circuitazione" non si chiamava primo principio di Kirchhoff o anche legge di Kirchhoff alle maglie? :roll:

BTW a quale percorso chiuso la applicheresti ?
"Il circuito ha sempre ragione" (Luigi Malesani)
Avatar utente
Foto UtenteRenzoDF
55,9k 8 12 13
G.Master EY
G.Master EY
 
Messaggi: 13189
Iscritto il: 4 ott 2008, 9:55

0
voti

[23] Re: esercizio trifase

Messaggioda Foto Utentetipu91 » 23 feb 2013, 11:44

RenzoDF ha scritto:Ma quella "circuitazione" non si chiamava primo principio di Kirchhoff o anche legge di Kirchhoff alle maglie? :roll:


beh, in effetti....... :mrgreen:

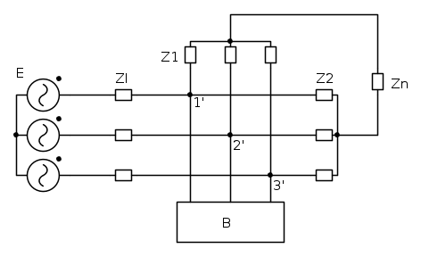
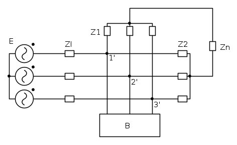
intanto posto lo schema del circuito così chiunque voglia usarlo, basta che se lo modifichi... adesso provo a fare una "circuitazione" e vi faccio sapere :mrgreen:

Avatar utente
Foto Utentetipu91
1.015 6 13
Expert EY
Expert EY
 
Messaggi: 229
Iscritto il: 12 nov 2012, 18:46
Località: Pisa

0
voti

[24] Re: esercizio trifase

Messaggioda Foto Utentetipu91 » 23 feb 2013, 11:50

mi è venuta in mente una cosa..... in un sistema trifase come questo, dove ci sono "attaccati" più carichi EQUILIBRATI, la tensione tra i centri stella dei carichi equilibrati, non dovrebbe essere nulla?? o vale solo per sistemi SIMMETRICI ed EQUILIBRATI???? altrimenti, se così fosse, il problema è risolto!!!
Avatar utente
Foto Utentetipu91
1.015 6 13
Expert EY
Expert EY
 
Messaggi: 229
Iscritto il: 12 nov 2012, 18:46
Località: Pisa

0
voti

[25] Re: esercizio trifase

Messaggioda Foto UtenteRenzoDF » 23 feb 2013, 11:54

tipu91 ha scritto:mi è venuta in mente una cosa..... in un sistema trifase come questo, dove ci sono "attaccati" più carichi EQUILIBRATI, la tensione tra i centri stella dei carichi equilibrati, non dovrebbe essere nulla?? o vale solo per sistemi SIMMETRICI ed EQUILIBRATI???? altrimenti, se così fosse, il problema è risolto!!!

Ohhh finalmente! :ok:

... Rizzo ha colpito ancora! :mrgreen:
"Il circuito ha sempre ragione" (Luigi Malesani)
Avatar utente
Foto UtenteRenzoDF
55,9k 8 12 13
G.Master EY
G.Master EY
 
Messaggi: 13189
Iscritto il: 4 ott 2008, 9:55

0
voti

[26] Re: esercizio trifase

Messaggioda Foto Utentetipu91 » 23 feb 2013, 12:06

SIIIIIIIIII :ola:

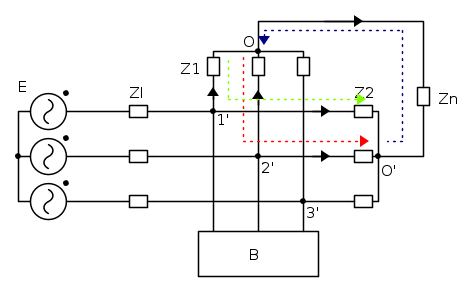
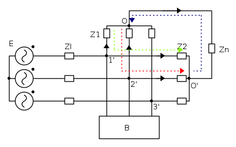
e la dimostrazione, con il procedimento suggerito in precedenza dovrebbe essere la seguente:



percorso VERDE+BLU (linea 1):

0=-I_{1-c1}Z_1 + I_{1-c2}Z_2 - I_nZ_n

percorso ROSSO+BLU (linea 2):

0=-I_{2-c1}Z_1 + I_{2-c2}Z_2 - I_nZ_n

infine uguagliando le due equazioni si ha:

\rightarrow -I_{1-c1}Z_1 + I_{1-c2}Z_2 - I_nZ_n=-I_{2-c1}Z_1 + I_{2-c2}Z_2 - I_nZ_n

dalla quale possiamo eliminare i termini I_nZ_n

:ok:

PS la corrente I_{n-cm} è la corrente nel conduttore "n" del carico "m"!!!!
Avatar utente
Foto Utentetipu91
1.015 6 13
Expert EY
Expert EY
 
Messaggi: 229
Iscritto il: 12 nov 2012, 18:46
Località: Pisa

0
voti

[27] Re: esercizio trifase

Messaggioda Foto UtenteRenzoDF » 23 feb 2013, 14:21

Scusa, ma non ho capito nulla della tua dimostrazione.

Non bastava semplicemente dire che, ipotizzando di andare a cercare l'equivalente di Thevenin "visto" da Zn, la tensione a vuoto fra i morsetti sui quali insiste Zn risulta nulla in quanto entrambi i centri stella O e O' si portano allo stesso potenziale (vedi per es. "via" Millman), per l'uguaglianza del rapporto fra le impedenze corrispondenti delle due stelle

\frac{{{Z}_{1a}}}{{{Z}_{2a}}}=\frac{{{Z}_{1b}}}{{{Z}_{2b}}}=\frac{{{Z}_{1c}}}{{{Z}_{2c}}}

(dove con a, b e c ho indicato le impedenze relative ai punti 1', 2' e 3') ; stelle che potrebbero quindi anche essere parimenti squilibrate.
"Il circuito ha sempre ragione" (Luigi Malesani)
Avatar utente
Foto UtenteRenzoDF
55,9k 8 12 13
G.Master EY
G.Master EY
 
Messaggi: 13189
Iscritto il: 4 ott 2008, 9:55

0
voti

[28] Re: esercizio trifase

Messaggioda Foto Utentetipu91 » 23 feb 2013, 16:16

si, ma la mia dimostrazione dovrebbe essere un po più terra-terra :mrgreen: senza fare considerazioni, ho applicato la legge di ohm (o KVL) alle due maglie, e ho eguagliato i risultati!!

mi spiego:
andando da 1' ad 1', passando per i due centri stella dei carichi e per l'impedenza Z_n la caduta di tensione è NULLA. lo stesso vale andando da 2' a 2'.. a questo punto uguagliando i risultati si nota che la corrente in Z_n non influenza la caduta di potenziale, ovvero è nulla!!

PS. le frecce nere son i versi (convenzionali) delle correnti nei rispettivi rami!!
Avatar utente
Foto Utentetipu91
1.015 6 13
Expert EY
Expert EY
 
Messaggi: 229
Iscritto il: 12 nov 2012, 18:46
Località: Pisa

0
voti

[29] Re: esercizio trifase

Messaggioda Foto UtenteRenzoDF » 23 feb 2013, 16:19

tipu91 ha scritto:si, ma la mia dimostrazione dovrebbe essere un po più terra-terra

Più terra-terra che dire ...
"se abbiamo due stelle equilibrate, alimentate dalla stessa terna, i loro centri stella vanno ad assumere lo stesso potenziale",
... penso non ci sia nulla.
"Il circuito ha sempre ragione" (Luigi Malesani)
Avatar utente
Foto UtenteRenzoDF
55,9k 8 12 13
G.Master EY
G.Master EY
 
Messaggi: 13189
Iscritto il: 4 ott 2008, 9:55

0
voti

[30] Re: esercizio trifase

Messaggioda Foto Utentetipu91 » 23 feb 2013, 17:05

allora mi sono spiegato male... intendevo che la "mia" dimostrazione è la dimostrazione di quello che ho affermato (ovvero che i due centri stella sono equipotenziali)!! mi ricordo che il professore ce l'ha dimostrato così quel discorso, e anche sulle sue dispense (che volendo puoi trovare sulla sua pagina) c'è quella dimostrazione :mrgreen: terra-terra intendevo che quella dimostrazione fa uso semplicemente della legge di ohm, quindi uno che è a digiuno di trifase (e della teoria annessa) "dovrebbe" capirla, no?? :mrgreen:

BTW alla fine mi sono solo impantanato :oops:
Avatar utente
Foto Utentetipu91
1.015 6 13
Expert EY
Expert EY
 
Messaggi: 229
Iscritto il: 12 nov 2012, 18:46
Località: Pisa

PrecedenteProssimo

Torna a Elettrotecnica generale

Chi c’è in linea

Visitano il forum: Nessuno e 183 ospiti