Risoluzione circuito con analisi nodale modificata
Moderatori:
g.schgor,
IsidoroKZ
0
voti
Dopo aver messo un verso al generatore di corrente, fai l'analisi nodale.
-

PietroBaima
90,7k 7 12 13 - G.Master EY

- Messaggi: 12206
- Iscritto il: 12 ago 2012, 1:20
- Località: Londra
0
voti
-

PietroBaima
90,7k 7 12 13 - G.Master EY

- Messaggi: 12206
- Iscritto il: 12 ago 2012, 1:20
- Località: Londra
0
voti
faccio il parallelo tra le 2 resistenze e ottengo la tensione.
1
voti
dove, come, perché?
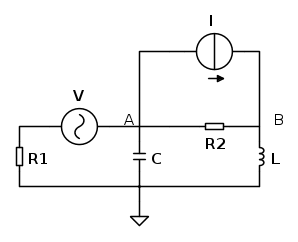
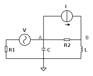
Metti dei nomi ai nodi 1,2,3 o A,B,C in modo che siano coerenti con la rete in alternata.
Metti anche il verso della corrente del generatore di corrente.
E' la tensione sulle resistenze ciò che ti viene richiesto dall'esercizio?
Pietro.
PS: questo post contiene 2 cose da fare e una domanda
Metti dei nomi ai nodi 1,2,3 o A,B,C in modo che siano coerenti con la rete in alternata.
Metti anche il verso della corrente del generatore di corrente.
E' la tensione sulle resistenze ciò che ti viene richiesto dall'esercizio?
Pietro.
PS: questo post contiene 2 cose da fare e una domanda
-

PietroBaima
90,7k 7 12 13 - G.Master EY

- Messaggi: 12206
- Iscritto il: 12 ago 2012, 1:20
- Località: Londra
0
voti
OTTENGO COSI LA KLC

NO DOVREI RISOLVERE LA RETE. QUINDI PENSO TROVARE CORRENTE E TENSIONE SU INDUTTORE E CAPACITà CON DUE METODI A SCELTA TRA ANALISI NODALE, MAGLIE,EQUAZIONI DI STATO O TABLEAU
Ultima modifica di
giova88 il 28 mag 2013, 14:45, modificato 2 volte in totale.
0
voti
HO INSERITO LE LETTERE AI NODI
0
voti
giova88 ha scritto:NO DOVREI RISOLVERE LA RETE. QUINDI PENSO TROVARE CORRENTE E TENSIONE SU INDUTTORE E CAPACITà CON DUE METODI A SCELTA TRA ANALISI NODALE, MAGLIE,EQUAZIONI DI STATO O TABLEAU
e non urlare...
ok, allora, come faresti per trovare la tensione sul condensatore e la corrente nell'induttore?
Confronta la rete originale con questa.
Pietro.
-

PietroBaima
90,7k 7 12 13 - G.Master EY

- Messaggi: 12206
- Iscritto il: 12 ago 2012, 1:20
- Località: Londra
0
voti
dovrei trovare la tensione
e
. giusto??
e
. giusto??0
voti

-

PietroBaima
90,7k 7 12 13 - G.Master EY

- Messaggi: 12206
- Iscritto il: 12 ago 2012, 1:20
- Località: Londra
0
voti
Nel caso che stiamo trattando con solo il generatore di corrente?
Torna a Elettrotecnica generale
Chi c’è in linea
Visitano il forum: Nessuno e 43 ospiti

Elettrotecnica e non solo (admin)
Un gatto tra gli elettroni (IsidoroKZ)
Esperienza e simulazioni (g.schgor)
Moleskine di un idraulico (RenzoDF)
Il Blog di ElectroYou (webmaster)
Idee microcontrollate (TardoFreak)
PICcoli grandi PICMicro (Paolino)
Il blog elettrico di carloc (carloc)
DirtEYblooog (dirtydeeds)
Di tutto... un po' (jordan20)
AK47 (lillo)
Esperienze elettroniche (marco438)
Telecomunicazioni musicali (clavicordo)
Automazione ed Elettronica (gustavo)
Direttive per la sicurezza (ErnestoCappelletti)
EYnfo dall'Alaska (mir)
Apriamo il quadro! (attilio)
H7-25 (asdf)
Passione Elettrica (massimob)
Elettroni a spasso (guidob)
Bloguerra (guerra)
pigreco]=π



