Cos'è ElectroYou | Login Iscriviti

ElectroYou - la comunità dei professionisti del mondo elettrico

Circuito regime sinusoidale - Impedenza equivalente

Circuiti, campi elettromagnetici e teoria delle linee di trasmissione e distribuzione dell’energia elettrica

Moderatori: Foto Utenteg.schgor, Foto UtenteIsidoroKZ

0
voti

[21] Re: Circuito regime sinusoidale - Impedenza equivalente

Messaggioda Foto UtenteRenzoDF » 14 set 2013, 14:13

Link900 ha scritto:Effettivamente avevo immaginato potesse essere un errore di scrittura ma mi risultavano con il segno giusto, questo perché io non avevo messo il segno meno davanti alla tensione nel calcolo della potenza complessa a cosa è dovuto quel segno meno?..

Quel segno è dovuto al fatto che la tensione V calcolata con Millman ha il positivo sul "negativo" del GIC e quindi, visto che per trovare la potenza complessa erogata dobbiamo disporre della tensione col positivo sul morsetto "positivo" del GIC, bisogna invertire il valore calcolato per V.

Praticamente il mio errore nell'indicare che per il GIT bisognava usare il segno negativo, ti aveva invece fatto calcolare correttamente la tensione V, ovvero con il positivo sul morsetto inferiore del GIC e di conseguenza non serviva invertirne il valore. :-)
"Il circuito ha sempre ragione" (Luigi Malesani)
Avatar utente
Foto UtenteRenzoDF
55,9k 8 12 13
G.Master EY
G.Master EY
 
Messaggi: 13189
Iscritto il: 4 ott 2008, 9:55

0
voti

[22] Re: Circuito regime sinusoidale - Impedenza equivalente

Messaggioda Foto UtenteLink900 » 14 set 2013, 14:46

RenzoDF ha scritto:Quel segno è dovuto al fatto che la tensione V calcolata con Millman ha il positivo sul "negativo" del GIC e quindi, visto che per trovare la potenza complessa erogata dobbiamo disporre della tensione col positivo sul morsetto "positivo" del GIC, bisogna invertire il valore calcolato per V.


Giusto per chiarirmi meglio le idee, se invece parliamo di potenza assorbita il discorso si ribalta? ( come più o meno avviene in qualsiasi cosa in elettrotecnica ^^? )

Comunque risolto questo problema ora posso passare alla seconda tipologia di esercizio di questo genere dove entra in gioco il rapporto di trasformazione spire che mi è un molto più oscuro di questo..
Avatar utente
Foto UtenteLink900
15 3
New entry
New entry
 
Messaggi: 52
Iscritto il: 15 ago 2012, 11:32

0
voti

[23] Re: Circuito regime sinusoidale - Impedenza equivalente

Messaggioda Foto UtenteRenzoDF » 15 set 2013, 23:33

Link900 ha scritto:...Giusto per chiarirmi meglio le idee, se invece parliamo di potenza assorbita il discorso si ribalta? ...)

Si, se vogliamo la potenza complessa assorbita, dobbiamo "ribaltare" la convenzione per la corrente oppure quella per la tensione, in breve, dobbiamo usare la "convenzione degli utilizzatori", oppure cambiare segno alla potenza complessa calcolata con la "convenzione dei generatori".
"Il circuito ha sempre ragione" (Luigi Malesani)
Avatar utente
Foto UtenteRenzoDF
55,9k 8 12 13
G.Master EY
G.Master EY
 
Messaggi: 13189
Iscritto il: 4 ott 2008, 9:55

0
voti

[24] Re: Circuito regime sinusoidale - Impedenza equivalente

Messaggioda Foto UtenteLink900 » 16 set 2013, 13:20

Sigh.. quando penso di aver capito ecco che provo a fare un nuovo esercizio e mi blocco al solito punto :cry: ..



Solito problema, trovare i parametri del circuito di thevenin..
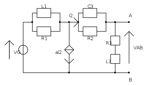
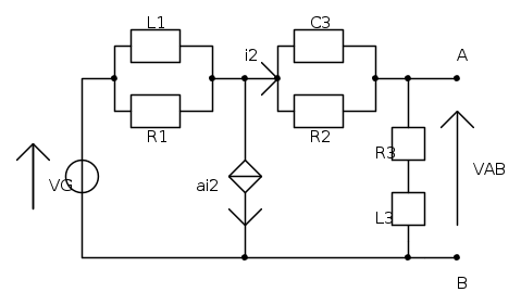
Per iniziare semplifico la rete calcolando le impedenze..



E poi arriva il dilemma.. senza conoscere il valore di i2, non riesco ad andare avanti.. conoscendo quello potrei calcolare tutto..
Ho guardato il circuito da ogni angolazione per capire se c'è un modo di trovare il valore numerico di i2 ( o di V2 con la quale posso calcolare i2 ), ma non lo trovo.. riesco a calcolare i1.. ma non è sufficiente a trovare i2 o v2, allora ho pensato che potevo dare un valore arbitrario a i2, come avevi fatto tu nell'altro esercizio per calcolare il rapporto fra Vab e Iab quindi trovare la Zeq, e poi da li risalire ai veri valori di Vab e Iab, ma non ha funzionato..
Ho pensato anche a millman ( per trovare v2 ) ma non credo si possa applicare in questo caso, sbaglio?
Avatar utente
Foto UtenteLink900
15 3
New entry
New entry
 
Messaggi: 52
Iscritto il: 15 ago 2012, 11:32

1
voti

[25] Re: Circuito regime sinusoidale - Impedenza equivalente

Messaggioda Foto UtenteRenzoDF » 16 set 2013, 14:10

Link900 ha scritto: ...Ho pensato anche a millman ( per trovare v2 ) ma non credo si possa applicare in questo caso, sbaglio?

Sbagli! :-)

Millman lo puoi applicare anche in questo caso, osservando che la tensione ai morsetti del generatore dipendente può essere scritta, in funzione della grandezza pilota (I2), in due diversi modi, sia con la relazione di Millman sia con Ohm a destra

\frac{\frac{{{V}_{G}}}{{{Z}_{1}}}-a{{I}_{2}}}{\frac{1}{{{Z}_{1}}}+\frac{1}{{{Z}_{2}}+{{Z}_{3}}}}={{I}_{2}}({{Z}_{2}}+{{Z}_{3}})

ricavata I2, la tensione a vuoto cercata sarà

{{E}_{Th}}={{V}_{AB0}}={{I}_{2}}{{Z}_{3}}

NB ovviamente non è l'unico modo, sarebbe possibile applicare un qualsiasi altro metodo, sovrapposizione compresa. :!:
"Il circuito ha sempre ragione" (Luigi Malesani)
Avatar utente
Foto UtenteRenzoDF
55,9k 8 12 13
G.Master EY
G.Master EY
 
Messaggi: 13189
Iscritto il: 4 ott 2008, 9:55

0
voti

[26] Re: Circuito regime sinusoidale - Impedenza equivalente

Messaggioda Foto UtenteLink900 » 16 set 2013, 14:42

Mmm.. ecco io di solito millman lo vedevo applicato solo con generatori dipendenti, non pensavo di poter scrivere la formula usando il generatore indipendente..
Ma un punto mi rimane oscuro.. Ho visto che hai messo Z2 e Z3 in serie, quindi quando applico millman io i rami che portano ad A e B non li devo considerare, avrei sbagliato un'altra volta considerandoli in parallelo #-o ..
Ti dispiace provare ad eseguire il calcolo delle impedenze con questi dati? perché devo per forza aver sbagliato qualcosa, con millman mi vengono fuori dei risultati che non si semplificano ( di solito si semplificano sempre )..

R1 = 4 Ohm
L1 = 4 mH
R2 = 20 Ohm
C2 = 150 uF
R3 = 4 Ohm
L3 = 8 mH
a = 4
vG(t) = 100 2 cos(wt + pi/4) V
w = 1000 rad/s

A me le impedenze risultano
Z1= 2-2j
Z2 = 5
Z3 = 4+8j
Avatar utente
Foto UtenteLink900
15 3
New entry
New entry
 
Messaggi: 52
Iscritto il: 15 ago 2012, 11:32

0
voti

[27] Re: Circuito regime sinusoidale - Impedenza equivalente

Messaggioda Foto UtenteRenzoDF » 16 set 2013, 16:17

Link900 ha scritto:... ecco io di solito millman lo vedevo applicato solo con generatori dipendenti, non pensavo di poter scrivere la formula usando il generatore indipendente...

Come vedi conoscere Millman è come avere un asso nella manica! ;-)

Link900 ha scritto:...Ma un punto mi rimane oscuro.. Ho visto che hai messo Z2 e Z3 in serie, quindi quando applico millman io i rami che portano ad A e B non li devo considerare, avrei sbagliato un'altra volta considerandoli in parallelo #-o ..

Quando applichi Millman devi farlo su una rete binodale, composta da rami tutti in parallelo fra loro sui due suddetti nodi.
In questo caso quindi, non devi preoccuparti dei morsetti destri A e B, devi solo per il momento ignorarli, li considereremo nuovamente solo a I2 calcolata.

Link900 ha scritto:...Ti dispiace provare ad eseguire il calcolo delle impedenze con questi dati? perché devo per forza aver sbagliato qualcosa, ...
A me le impedenze risultano
Z1= 2-2j
Z2 = 5
Z3 = 4+8j

In questo caso, l'errore è evidente, dovevi notarlo subito dai risultati; quando facciamo il parallelo fra un'impedenza puramente ohmica e una induttiva, di certo l'impedenza equivalente non può risultare ohmico-capacitiva, come è risultata a te Z1 e, allo stesso modo, facendo il parallelo fra un'impedenza puramente resistiva e una puramente capacitiva, non puoi di certo ottenere una equivalente puramente ohmica, come è risultata a te Z2. ;-)

A me risulta
Z1=2+j2
Z2=2-j6
Z3=4+j8

chiaramente potrei aver sbagliato pure io, ma almeno apparentemente, la natura dei bipoli equivalenti è coerente con quella dei bipoli componenti, ovvero positiva la parte immaginaria sia della Z1 che della Z3 e negativa quella della Z2.
"Il circuito ha sempre ragione" (Luigi Malesani)
Avatar utente
Foto UtenteRenzoDF
55,9k 8 12 13
G.Master EY
G.Master EY
 
Messaggi: 13189
Iscritto il: 4 ott 2008, 9:55

0
voti

[28] Re: Circuito regime sinusoidale - Impedenza equivalente

Messaggioda Foto UtenteLink900 » 16 set 2013, 16:53

Non quotare tutto, grazie.

Z1 avevo sbagliato a scrivere qui il segno era uscita anche a me 2+2j..
Z2 come immaginavo era il problema..
L'ho ricalcolata, avevo fatto un'idiozia -_-..
Comunque Millman sembra essere un salva esercizio in molte situazioni..
Avatar utente
Foto UtenteLink900
15 3
New entry
New entry
 
Messaggi: 52
Iscritto il: 15 ago 2012, 11:32

0
voti

[29] Re: Circuito regime sinusoidale - Impedenza equivalente

Messaggioda Foto UtenteLink900 » 16 set 2013, 17:23

Calcolata la i2 con Millman.. mi esce fuori
i2=\frac{-125j}{10}A
Ma temo sia sbagliato anche questo visto che moltiplicando per Z3 per ottenere V_0 come consigli tu, viene fuori diverso dalle soluzioni #-o ..
Avatar utente
Foto UtenteLink900
15 3
New entry
New entry
 
Messaggi: 52
Iscritto il: 15 ago 2012, 11:32

0
voti

[30] Re: Circuito regime sinusoidale - Impedenza equivalente

Messaggioda Foto UtenteRenzoDF » 16 set 2013, 17:27

... quali sono queste soluzioni?

Link900 ha scritto: vG(t) = 100 2 cos(wt + pi/4) V

Questo dato che significa?
"Il circuito ha sempre ragione" (Luigi Malesani)
Avatar utente
Foto UtenteRenzoDF
55,9k 8 12 13
G.Master EY
G.Master EY
 
Messaggi: 13189
Iscritto il: 4 ott 2008, 9:55

PrecedenteProssimo

Torna a Elettrotecnica generale

Chi c’è in linea

Visitano il forum: Nessuno e 138 ospiti