Matrice delle resistenze
Moderatori:
g.schgor,
IsidoroKZ
32 messaggi
• Pagina 3 di 4 • 1, 2, 3, 4
0
voti
ok ora seguendo questo modo provo a definire gli altri valori, in questo modo mi risulta più facile avendo poca pratica! 
-

MischaViolett
15 1 6 - New entry

- Messaggi: 61
- Iscritto il: 7 set 2013, 13:13
0
voti
Pepito ha scritto:Diciamo che sei stato stoicamente formale![]()
Già già, a dirla tutta me ne sono reso conto poco prima che scrivessi il messaggio [14]
La prossima volta cercherò la strada più corta
1
voti
MischaViolett ha scritto:
Ok.
Il fatto che ti venga R22 = R11 era prevedibile osservando i valori delle resistenze assegnati dal problema.
Vai, procedi con gli altri due termini mancanti.
Ciao
PSQ
_-^-_-^-_-^-_-^-_-^-_-^-_-^-_-^-_-^-_-^-_-^-_-^-_-^-_-^-_
Pepito Sbazzeguti
"gratta il Pepito e troverai il Pepone"
Pepito Sbazzeguti
"gratta il Pepito e troverai il Pepone"
0
voti
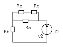
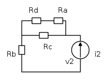
In realtà è questo, ma il risultato è lo stesso, visto che Ra=Rc
0
voti
Già, pardon, mi era sfuggito lo scambio dei nomi delle resistenze sullo schema.
ciao
PSQ
ciao
PSQ
_-^-_-^-_-^-_-^-_-^-_-^-_-^-_-^-_-^-_-^-_-^-_-^-_-^-_-^-_
Pepito Sbazzeguti
"gratta il Pepito e troverai il Pepone"
Pepito Sbazzeguti
"gratta il Pepito e troverai il Pepone"
0
voti
ora per calcolare R12 ho:
, dovrei calcolare la tensione di Rb, giusto?
quindi faccio
, è corretto?
, dovrei calcolare la tensione di Rb, giusto? quindi faccio
, è corretto?-

MischaViolett
15 1 6 - New entry

- Messaggi: 61
- Iscritto il: 7 set 2013, 13:13
0
voti
Ho fatto la KLV; ti consiglio di riguardarti la teoria se hai questi dubbi, altrimenti ad ogni esercizio sbagli 
Ps: non vorrei che facessi l'errore di pensare che su Ra non scorra corrente.
Infatti,
, non significa
, ma
...questo ti era già chiaro?
Ps: non vorrei che facessi l'errore di pensare che su Ra non scorra corrente.
Infatti,
, non significa
, ma
...questo ti era già chiaro?
32 messaggi
• Pagina 3 di 4 • 1, 2, 3, 4
Torna a Elettrotecnica generale
Chi c’è in linea
Visitano il forum: Nessuno e 42 ospiti

Elettrotecnica e non solo (admin)
Un gatto tra gli elettroni (IsidoroKZ)
Esperienza e simulazioni (g.schgor)
Moleskine di un idraulico (RenzoDF)
Il Blog di ElectroYou (webmaster)
Idee microcontrollate (TardoFreak)
PICcoli grandi PICMicro (Paolino)
Il blog elettrico di carloc (carloc)
DirtEYblooog (dirtydeeds)
Di tutto... un po' (jordan20)
AK47 (lillo)
Esperienze elettroniche (marco438)
Telecomunicazioni musicali (clavicordo)
Automazione ed Elettronica (gustavo)
Direttive per la sicurezza (ErnestoCappelletti)
EYnfo dall'Alaska (mir)
Apriamo il quadro! (attilio)
H7-25 (asdf)
Passione Elettrica (massimob)
Elettroni a spasso (guidob)
Bloguerra (guerra)




![\[R_{22}= \frac{11}{4}\Omega\] \[R_{22}= \frac{11}{4}\Omega\]](/forum/latexrender/pictures/aa7265fc54fd700d6405191138874388.png)


non è uguale a
, ma
.