Cos'è ElectroYou | Login Iscriviti

ElectroYou - la comunità dei professionisti del mondo elettrico

Circuito in regime stazionario

Circuiti, campi elettromagnetici e teoria delle linee di trasmissione e distribuzione dell’energia elettrica

Moderatori: Foto Utenteg.schgor, Foto UtenteIsidoroKZ

0
voti

[21] Re: Circuito in regime stazionario

Messaggioda Foto UtenteSimoneLP » 17 dic 2016, 15:54

IsidoroKZ ha scritto:E non e` collegato fra A e B, nel circuito modificato lo e`.

Altro punto importante: quando fai un equivalente (Thevenin, Norton...) tutto il resto della rete non si accorge di nulla, mentre gli elementi che hai trasformato cambiano, non ci sono piu`. Se fai l'equivalente Thevenin di J, R1 ed R2, questi tre elementi scompaiono, cosi` come il nodo A, non esiste piu`. Anche la potenza generata da J non e` uguale a quella di Eo, e neppure la potenza dissipata da Req e` uguale a quella dissipata da R1 R2 e R3.

Il circuito equivalente e` equivalente solo per quanto c'e` fuori dall'equivalente, dentro cambia tutto.


E quindi non vuol dire che posso 'portare' A a spasso mentre lavoro con le equivalenze, quindi non posso dire che il voltmetro (in questo caso) effettivamente quel che legge nel circuito principale.

Potrei dire che, quando ho un voltmetro di quel tipo, è meglio sviluppare un LKT in fase iniziale del problema per capire che tensioni mi servono (ad esempio se il volmetro legge una tensione che, secondo LKT, è somma di due tensioni ai capi di due resistori, mi serviranno le correnti che passano per questi resistori) e andare di principio di sovrapposizione degli effetti per trovare le correnti ? Perché se poi mi perdo tra le equivalenze rischio di 'perdere' anche il morsetto che mi interessa, com'è accaduto ora.

Chiaramente se sviluppo le equivalenze in zone del circuito che non sono di interesse del voltmetro, nessun problema per il calcolo finale..
Avatar utente
Foto UtenteSimoneLP
25 4
Frequentatore
Frequentatore
 
Messaggi: 109
Iscritto il: 17 ott 2016, 9:08

0
voti

[22] Re: Circuito in regime stazionario

Messaggioda Foto UtenteSimoneLP » 17 dic 2016, 16:24

Mi sono bloccato in questo esercizio..
Devo trovare la tensione tra A e B:



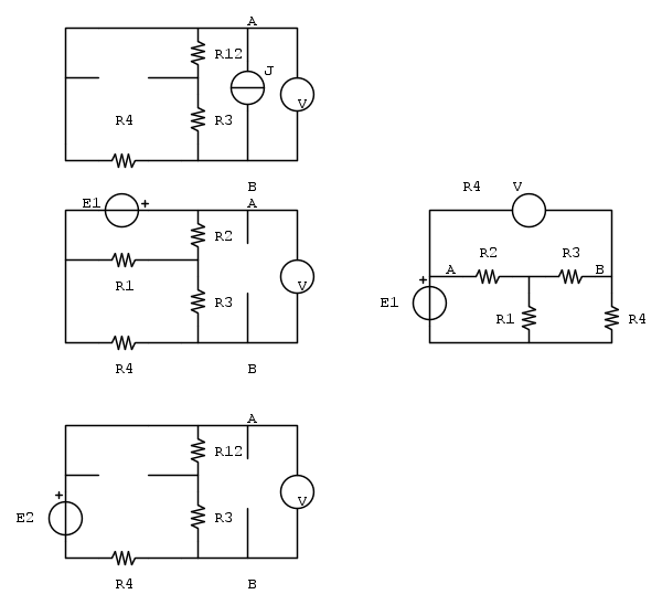
Posso dire che la tensione letta dal voltmetro è ai capi di R1 ed R2 ? Dico che legge la somma delle tensioni ai capi di questi due resistori, e mediante sovrapposizione degli effetti trovo i contributi volta per volta.

P.s.
Sviluppando una equivalenza stella triangolo, ottengo un circuito del genere, che mi semplificherebbe l'utilizzo della sovrapposizione degli effetti:



... anche perché spegnendo il generatore di tensione E1, avrei una resistenza in parallelo con un corto circuito che mi semplificherebbe ancor di più tutto il calcolo.
Avatar utente
Foto UtenteSimoneLP
25 4
Frequentatore
Frequentatore
 
Messaggi: 109
Iscritto il: 17 ott 2016, 9:08

1
voti

[23] Re: Circuito in regime stazionario

Messaggioda Foto UtenteIsidoroKZ » 17 dic 2016, 17:27

Al piu` e` la tensione ai capi di R2 ed R3.

Visto che l'elettrotecnica complicata non la so ma sono veloce a fare i conti giusti, ho provato a usare la sovrapposizione degli effetti. I tre circuiti che risultano sono i seguenti. R12 del primo circuito e` R1//R2. Il generatore di corrente vede una impedenza ai suoi capi pari a ((R_1/\!/R_2)+R_3)/\!/R_4



Il terzo circuito e` semplicemente un partitore di tensione che si scrive \frac{(R_1/\!/R_2)+R_3}{(R_1/\!/R_2)+R_3+R_4}

Il secondo circuito e` un po' piu` complicato, ma solo graficamente. L'ho ridisegnato a destra e ho aggiunto un simbolo di ground solo per indicare rispetto a che nodo considero le tensioni. Il nodo A e` a potenziale E1, il nodo B bisogna calcolarlo con un paio di partitori.

La trasformazione stella triangolo che hai fatto non e` giusta. Provo a ridisegnarla di sotto, mettendo in evidenza i nodi importanti



Da notare che se avessero chiesto la tensione AC ai capi di R2, o qualunque tensione che coinvolga il nodo C, vedi qui


non avresti potuto fare una trasformazione stella triangolo perche' il circuito equivalente a triangolo mantiene invariato solo tutto cio` che c'e` al di fuori della stella originale (nodi rosso, giallo e verde). Il nodo C, blu, e` dentro la stella e quando traformi semplicemente scompare!

Forse e` piu` conveniente aprire un nuovo thread per ogni nuovo problema.
Per usare proficuamente un simulatore, bisogna sapere molta più elettronica di lui
Plug it in - it works better!
Il 555 sta all'elettronica come Arduino all'informatica! (entrambi loro malgrado)
Se volete risposte rispondete a tutte le mie domande
Avatar utente
Foto UtenteIsidoroKZ
121,2k 1 3 8
G.Master EY
G.Master EY
 
Messaggi: 21059
Iscritto il: 17 ott 2009, 0:00

0
voti

[24] Re: Circuito in regime stazionario

Messaggioda Foto UtenteSimoneLP » 17 dic 2016, 19:07

Bene, alla fine avevo provato anche io con la sovrapposizione degli effetti trovando tutto piuttosto semplificato.

Ti ringrazio Isidoro, sei stato molto gentile.
Avatar utente
Foto UtenteSimoneLP
25 4
Frequentatore
Frequentatore
 
Messaggi: 109
Iscritto il: 17 ott 2016, 9:08

Precedente

Torna a Elettrotecnica generale

Chi c’è in linea

Visitano il forum: Nessuno e 18 ospiti