e quello del nodo destro
.
Moderatori:
g.schgor,
IsidoroKZ
e quello del nodo destro
.RenzoDF ha scritto:Sì, ma scelto il nodo inferiore come nodo di riferimento a zero, non devi porre nulla, in quanto automaticamente il potenziale del nodo sinistro saràe quello del nodo destro
.
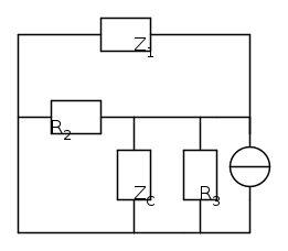
Klaudijus ha scritto:g.schgor ha scritto:Col solo generatore di corrente la tenssione di C si ottiene col parallelo di R3, ZC,R2 e Z1
Utilizzando le equivalenze serie-parallelo Io mi trovo questo circuito alla fine con l'impedenza a sinistra, che chiamiamo Z, ottenuta dal parallelo trae l'impedenza in alto è l'impedenza
ottenuta dalla serie tra
. Quindi mi stai dicendo che anche
e
sono in parallelo ?
e
paralleli ?

,
,
e
.
e
poi quello tra
e
e successivamente il parallelo delle due impedenze risultanti?
e GIC incidesse in due nodi differenti invece dovevo considerarlo come un unico nodo. Perciò non capivo come facessero a essere tutte in parallelo (Se mi confermate che non sto ancora dicendo fesserie forse è meglio Torna a Elettrotecnica generale
Visitano il forum: Nessuno e 118 ospiti