ThEnGi ha scritto:scusate non ho resistito![]()
E adesso ci dai anche il software!
Moderatori:
g.schgor,
IsidoroKZ
void setup() {
pinMode(PB0, OUTPUT);
digitalWrite(PB0, 0);
long wait = analogRead(PB3);
long on = analogRead(PB4);
wait = 2500 + wait;
on = 2500 + on;
while (millis() < wait){}
long now = millis();
long then = now + on;
digitalWrite(PB0, 1);
while (then < millis()) {};
digitalWrite(PB0, 0);
}
void loop() {
// put your main code here, to run repeatedly:
}

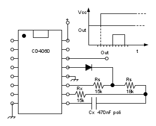
stefanopc ha scritto:Ho verificato che il circuito col CD4060 ....
Cambiando il condensatore si possono cambiare a piacere i tempi secondo le necessità.


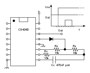
stefanopc ha scritto:Si funziona bene come astabile.
Il più è ottenere un solo impulso.![]()
Ciao



Torna a Elettrotecnica generale
Visitano il forum: Nessuno e 142 ospiti