CIAO
Non riesco a risolvere questo esercizio in Tina...
Sapete come fare
Software tina
Moderatori:
g.schgor,
IsidoroKZ
0
voti
[32] Re: Software tina
Dopo quanto fatto fin qui, non so come tu non riesca ancora a scrivere un paio di parametri nei componenti, comunque, specie per i nuovi lettori, rivediamo il procedimento
Costruito il circuito e assegnati i valori a resistori, induttori e condensatore, inseriamo un "meter" per la corrente e un wattmetro; completiamo con i dati relativi al generatore di tensione ricordando che

a questo punto non ci resta che effettuare un'analisi con
Analysis -> AC Analysis -> Calculate nodal voltages, per ottenere con un click sul meter amperometrico
e con un altro sul wattmetro
per l'ultima domanda l'analisi sarà diversa in quanto abbiamo bisogno di una soluzione simbolica
Analysis -> Symbolic Analysis -> Semi-symbolic AC result , ottenendo
e quindi con un semplice calcolo otteniamo il valore istantaneo

NB risottolineo l'errore di Tina nel mescolare radianti e gradi (e non sono i soli ... Esercizi di El. III Olivieri Ravelli 1980 compreso
); ne abbiamo parlato piu' volte, ma si vede che in Ungheria non ci leggono 
Costruito il circuito e assegnati i valori a resistori, induttori e condensatore, inseriamo un "meter" per la corrente e un wattmetro; completiamo con i dati relativi al generatore di tensione ricordando che

a questo punto non ci resta che effettuare un'analisi con
Analysis -> AC Analysis -> Calculate nodal voltages, per ottenere con un click sul meter amperometrico
e con un altro sul wattmetro
per l'ultima domanda l'analisi sarà diversa in quanto abbiamo bisogno di una soluzione simbolica
Analysis -> Symbolic Analysis -> Semi-symbolic AC result , ottenendo
e quindi con un semplice calcolo otteniamo il valore istantaneo

NB risottolineo l'errore di Tina nel mescolare radianti e gradi (e non sono i soli ... Esercizi di El. III Olivieri Ravelli 1980 compreso
); ne abbiamo parlato piu' volte, ma si vede che in Ungheria non ci leggono "Il circuito ha sempre ragione" (Luigi Malesani)
0
voti
[33] Re: Software tina
ciao, scusate volevo chiedere delle informazioni sull'utilizzo di TINA 9, sto cercando d'imparare anche io come si utilizza, la mia domanda era su dove trovare la funzione Symbolic Analysis, l'ho cercata nella casella Analysis ma non riesco a trovarla, grazie mille 
0
voti
[35] Re: Software tina
RenzoDF ha scritto:http://www.tina.com/distrib/en/tina9doc/TINA_Advanced_Topics.pdf
grazie per il link, però scusa se ti disturbo ancora
edit
Ultima modifica di
admin il 3 gen 2012, 13:07, modificato 3 volte in totale.
Motivazione: Ridimensionamento, schiarimento e riposizionamento immagine
Motivazione: Ridimensionamento, schiarimento e riposizionamento immagine
0
voti
[36] Re: Software tina
i risultati trovati con TINA sono: i2(t) all'istante T = 22,25 A
i3(t) all'istante T =13,94 A
i3(t) all'istante T =13,94 A
0
voti
[37] Re: Software tina
ho ricontrollato, e in effetti avevo compilato male il generatore di corrente, i nuovi risultati sono: i2= 27 A i3=14 A, ma non sono ancora corretti credo, perché se a(1)=5,13 A ma a(1)= a(3)-a(2)=14-27=13 A, non esce lo stesso risultato. credo che sbaglio qualcosa nel procedimento con TINA.
0
voti
[38] Re: Software tina
Edit:
Correggo quanto scritto in precedenza;
i risultati del testo sono corretti, l'errore di calcolo era mio
La simulazione fornisce questi risultati
... e quindi

e i conti tornano e concordano con le soluzioni del testo.
Correggo quanto scritto in precedenza;
i risultati del testo sono corretti, l'errore di calcolo era mio
La simulazione fornisce questi risultati
... e quindi

e i conti tornano e concordano con le soluzioni del testo.
"Il circuito ha sempre ragione" (Luigi Malesani)
0
voti
[39] Re: Software tina
ok, ho capito come risolvere l'esercizio, grazie mille
ho invece un altro problema, non riesco a risolvere con TINA quest'altro esercizio
Edit RDF -> Inserire l'immagine usando il pulsante "Inserire in linea con il testo"
ho invece un altro problema, non riesco a risolvere con TINA quest'altro esercizio
Edit RDF -> Inserire l'immagine usando il pulsante "Inserire in linea con il testo"
- Allegati
-
- circuiti 1101-2006.jpg (28.32 KiB) Osservato 3547 volte
0
voti
[40] Re: Software tina
ecld21 ha scritto:... non riesco a risolvere con TINA quest'altro esercizio
Se non specifichi dove trovi la difficolta', non posso aiutarti .
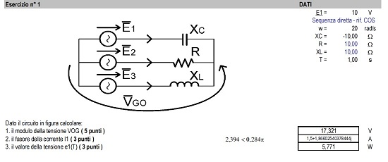
a) mi spieghi cosa c'e' scritto per il risultato della seconda domanda che non capisco?
b) interessante la terza soluzione con la tensione misurata in watt.
"Il circuito ha sempre ragione" (Luigi Malesani)
Torna a Elettrotecnica generale
Chi c’è in linea
Visitano il forum: Nessuno e 43 ospiti

Elettrotecnica e non solo (admin)
Un gatto tra gli elettroni (IsidoroKZ)
Esperienza e simulazioni (g.schgor)
Moleskine di un idraulico (RenzoDF)
Il Blog di ElectroYou (webmaster)
Idee microcontrollate (TardoFreak)
PICcoli grandi PICMicro (Paolino)
Il blog elettrico di carloc (carloc)
DirtEYblooog (dirtydeeds)
Di tutto... un po' (jordan20)
AK47 (lillo)
Esperienze elettroniche (marco438)
Telecomunicazioni musicali (clavicordo)
Automazione ed Elettronica (gustavo)
Direttive per la sicurezza (ErnestoCappelletti)
EYnfo dall'Alaska (mir)
Apriamo il quadro! (attilio)
H7-25 (asdf)
Passione Elettrica (massimob)
Elettroni a spasso (guidob)
Bloguerra (guerra)


