Cos'è ElectroYou | Login Iscriviti

ElectroYou - la comunità dei professionisti del mondo elettrico

Esercizio in regime transitorio

Circuiti, campi elettromagnetici e teoria delle linee di trasmissione e distribuzione dell’energia elettrica

Moderatori: Foto Utenteg.schgor, Foto UtenteIsidoroKZ

4
voti

[31] Re: Esercizio in regime transitorio

Messaggioda Foto UtenteRenzoDF » 29 giu 2012, 13:22

rock85 ha scritto:... In particolare non capisco come hai ricavato il termine
(v_{C}+\frac {v_{2}} {2}) \frac {2} {R}
...


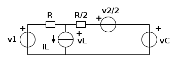
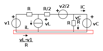
La rete, per quanto riguarda la tensione sull'induttore, è equivalente alla seguente



rock85 ha scritto: ... e al denominatore non dovrebbe essere
\frac {1} {R} + \frac {1} {R+R_{e}} = \frac {5} {3 R}
?

R non è in serie ad Re sul ramo equivalente, ma bensì in parallelo ad un GIT e quindi può non essere considerata per quanto riguarda il calcolo di vL con Millman ; R dovrà invece essere considerata per scrivere la iC che, vista la disponibilità della vL, sarà determinata da una semplice KCL al nodo inferiore


... sono esatti i segni delle correnti?

I versi delle correnti li scegli tu.
"Il circuito ha sempre ragione" (Luigi Malesani)
Avatar utente
Foto UtenteRenzoDF
55,9k 8 12 13
G.Master EY
G.Master EY
 
Messaggi: 13189
Iscritto il: 4 ott 2008, 9:55

3
voti

[32] Re: Esercizio in regime transitorio

Messaggioda Foto Utenterock85 » 30 giu 2012, 19:06

devo rettificare il sistema di equazioni di stato, ho dimenticato a correggere un termine...

\left\{ \begin{align}
  & v_{L}=9+\frac{2}{3}v_{C}-i_{L} \\ 
 & i_{C}=1-\frac{5}{9}v_{C}-\frac{2}{3}i_{L} \\ 
\end{align} \right.

Avendo quindi trovato l'equazione differenziale, procedo al calcolo delle frequenze naturali

\frac{\mathrm{d^{2}} }{\mathrm{d} t^{2}}i_{C} + 14 \frac{\mathrm{d} }{\mathrm{d} t}i_{C}+81 i_{C}=0

l'equazione caratteristica è

s^{2}+14s+81=0

e le frequenze naturali risultano

s_{1,2}=-7\pm \jmath 5.657

la soluzione sarà dunque del seguente tipo

i_{C}(t)=K e^{-7t} cos(5.657t + \phi )

tramite le condizioni iniziali trovo le costanti

\left\{\begin{matrix}
i_{L}(0+)=\frac {5}{3}\\
 
v_{C}(0+)=-5
\end{matrix}\right.

i_{C}(0+)= 1-\frac{5}{9}v_{C}(0+)-\frac{2}{3}i_{L}(0+)=\frac{8}{3}\\

i_{C}(0+)=K \cos \phi

inoltre

\frac{\mathrm{d} }{\mathrm{d} t}i_{C}(0+)=-6v_{L}(0+)-5i_{C}(0+)=-\frac{112}{3} \\

\frac{\mathrm{d} }{\mathrm{d} t}i_{C}(0+)=-7 K \cos \phi -5.657 K \sin \phi

si ottiene dunque il seguente sistema da cui si ricavano le costanti

\left\{ \begin{align}
  & -7 K \cos \phi -5.657 K \sin \phi=-\frac{112}{3} \\ 
 & K \cos \phi=\frac{8}{3} \\ 
\end{align} \right.

\left\{ \begin{align}
  & K=4.242 \\ 
 & \phi=0.891 \\ 
\end{align} \right.
Avatar utente
Foto Utenterock85
35 5
New entry
New entry
 
Messaggi: 94
Iscritto il: 23 giu 2012, 10:29

2
voti

[33] Re: Esercizio in regime transitorio

Messaggioda Foto UtenteRenzoDF » 30 giu 2012, 22:15

Perfetto, Bravissimo! :ok:

anche wxMaxima è d'accordo, :D

2012-06-30_221429.gif
2012-06-30_221429.gif (30.37 KiB) Osservato 1166 volte
"Il circuito ha sempre ragione" (Luigi Malesani)
Avatar utente
Foto UtenteRenzoDF
55,9k 8 12 13
G.Master EY
G.Master EY
 
Messaggi: 13189
Iscritto il: 4 ott 2008, 9:55

0
voti

[34] Re: Esercizio in regime transitorio

Messaggioda Foto UtenteRenzoDF » 1 lug 2012, 9:52

... e così pure LTspice

2012-07-01_095118.gif
2012-07-01_095118.gif (5 KiB) Osservato 1154 volte

2012-07-01_095141.gif
2012-07-01_095141.gif (9.58 KiB) Osservato 1154 volte
"Il circuito ha sempre ragione" (Luigi Malesani)
Avatar utente
Foto UtenteRenzoDF
55,9k 8 12 13
G.Master EY
G.Master EY
 
Messaggi: 13189
Iscritto il: 4 ott 2008, 9:55

Precedente

Torna a Elettrotecnica generale

Chi c’è in linea

Visitano il forum: Nessuno e 14 ospiti