Cos'è ElectroYou | Login Iscriviti

ElectroYou - la comunità dei professionisti del mondo elettrico

Equivalente di Thevenin

Circuiti, campi elettromagnetici e teoria delle linee di trasmissione e distribuzione dell’energia elettrica

Moderatori: Foto Utenteg.schgor, Foto UtenteIsidoroKZ

2
voti

[31] Re: Equivalente di Thevenin

Messaggioda Foto UtentePietroBaima » 24 ott 2012, 0:31

Vicar1992 ha scritto:Esatto, sei stato di grande aiuto, grazie!!

Domani lezione n'2 intanto io cercò ancora di fare altri circuiti e altre Rth!! Grazie e buonanotte!


buonanotte a te. L'ultima cosa: si scrive Kirchhoff.
Guarda anche questa pagina:
http://en.wikipedia.org/wiki/Gustav_Kirchhoff

scoprirai che non ha fatto solo "roba per i circuiti" :)

O_/
Generatore codice per articoli:
nomi
Sul forum:
[pigreco]=π
[ohm]=Ω
[quadrato]=²
[cubo]=³
Avatar utente
Foto UtentePietroBaima
90,7k 7 12 13
G.Master EY
G.Master EY
 
Messaggi: 12206
Iscritto il: 12 ago 2012, 1:20
Località: Londra

0
voti

[32] Re: Equivalente di Thevenin

Messaggioda Foto UtenteVicar1992 » 24 ott 2012, 10:33

Perfetto ho provato a trovare anche altre Requivalenti e mi sono uscite tutte.
L'unica cosa che non ho capito è perché in alcuni casi bisogna "tagliare il circuito" dopo i morsetti AB. Come in questo caso(esempio visto su internet):


La resistenza equivalente, dopo aver tagliato il circuito ovviamente è il paralello tra R1 e R2.
Ma per quale motivo bisogna tagliare il circuito?

Per la tensione equivalente bisogna utilizzare il partitore di tensione come mi avevi fatto vedere nei primi post, giusto?

Quell'esempio l'ho capito poiché c'è solo un generatore di tensione ma se mi dovesse capitare un circuito con più di un generatore di tensione e/o corrente, come mi devo comportare? ho letto su internet che bisogna utilizzare il principio di sovrapposizione degli effetti ma non è che l'abbia capito molto.

Grazie.
Avatar utente
Foto UtenteVicar1992
37 4
New entry
New entry
 
Messaggi: 81
Iscritto il: 23 ott 2012, 17:28

0
voti

[33] Re: Equivalente di Thevenin

Messaggioda Foto Utentelillo » 24 ott 2012, 10:43

Vicar1992 ha scritto:Per la tensione equivalente bisogna utilizzare il partitore di tensione come mi avevi fatto vedere nei primi post, giusto?

si, è il metodo più veloce per trovare la tensione su R2 (nel post [5]).
Vicar1992 ha scritto:se mi dovesse capitare un circuito con più di un generatore di tensione e/o corrente, come mi devo comportare?

come ci si comporta sempre in presenza di più generatori.
sovrapposizione, leggi di Kirchhoff, leggi di Ohm, potenziali ai nodi, metodo delle maglie... qualsiasi metodo va bene purché porti al risultato giusto.
tralasciando Thevénin, che sembra l'ultimo dei tuoi problemi, se ti chiedessi di risolvere una rete con più di un generatore lo sapresti fare?
Avatar utente
Foto Utentelillo
20,5k 7 12 13
G.Master EY
G.Master EY
 
Messaggi: 4176
Iscritto il: 25 nov 2010, 11:30
Località: Nuovo Mondo

0
voti

[34] Re: Equivalente di Thevenin

Messaggioda Foto Utentelillo » 24 ott 2012, 10:50

Vicar1992 ha scritto:Ma per quale motivo bisogna tagliare il circuito?

bisogna tagliare il bipolo dal quale vogliamo vedere l'equivalente di Thevenin.
se ti è stato chiesto di tagliare R3, evidentemente si chiede l'equivalente visto da R3.
tagliando il bipolo calcoliamo la tensione a vuoto, ovvero la tensione ai capi di quel bipolo, quando il bipolo non c'è!
Avatar utente
Foto Utentelillo
20,5k 7 12 13
G.Master EY
G.Master EY
 
Messaggi: 4176
Iscritto il: 25 nov 2010, 11:30
Località: Nuovo Mondo

0
voti

[35] Re: Equivalente di Thevenin

Messaggioda Foto UtenteVicar1992 » 24 ott 2012, 10:58

Con più generatori la resistenza equivalente riesco a calcolare a parte per alcunicircuiti particolari tipo quello in cui abbiamo tagliato la resistenza e ad esempio questo:



Arrivato a questo punto io non vedo tensioni uguali ne correnti uguali. O mi sbaglio?

Grazie per la risposta.
Avatar utente
Foto UtenteVicar1992
37 4
New entry
New entry
 
Messaggi: 81
Iscritto il: 23 ott 2012, 17:28

0
voti

[36] Re: Equivalente di Thevenin

Messaggioda Foto Utentelillo » 24 ott 2012, 11:02

mi sono perso...
non capisco cosa cerchi nel post precedente.
parli di correnti e tensioni ma in quei due schemi non vedo né correnti né tensioni.
se vuoi una mano dovresti postare gli esercizi per intero e non a pezzi. se non sono contestualizzati rischiamo di darti suggerimenti sbagliatissimi.
Avatar utente
Foto Utentelillo
20,5k 7 12 13
G.Master EY
G.Master EY
 
Messaggi: 4176
Iscritto il: 25 nov 2010, 11:30
Località: Nuovo Mondo

1
voti

[37] Re: Equivalente di Thevenin

Messaggioda Foto UtentePietroBaima » 24 ott 2012, 11:03

Vicar1992 ha scritto:
Arrivato a questo punto io non vedo tensioni uguali ne correnti uguali. O mi sbaglio?

Grazie per la risposta.


Ciao,

adesso devo occuparmi di alcune cose per l'ufficio.
Ci sarò tra un'oretta circa.
Lascia perdere quella rete, per ora. Devi prima impratichirti su reti più semplici, poi, quando le avrai capite bene, passeremo a reti non a scala.

a dopo.
Generatore codice per articoli:
nomi
Sul forum:
[pigreco]=π
[ohm]=Ω
[quadrato]=²
[cubo]=³
Avatar utente
Foto UtentePietroBaima
90,7k 7 12 13
G.Master EY
G.Master EY
 
Messaggi: 12206
Iscritto il: 12 ago 2012, 1:20
Località: Londra

0
voti

[38] Re: Equivalente di Thevenin

Messaggioda Foto UtenteVicar1992 » 24 ott 2012, 11:06

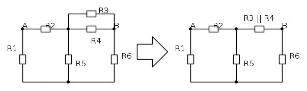
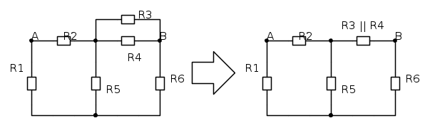
Ho spento i generatori e dovrei trovare la resistenza equivalente.
Avatar utente
Foto UtenteVicar1992
37 4
New entry
New entry
 
Messaggi: 81
Iscritto il: 23 ott 2012, 17:28

0
voti

[39] Re: Equivalente di Thevenin

Messaggioda Foto Utentelillo » 24 ott 2012, 11:10

allora dovresti trasformare la stella formata da R2, R5 e R3||R4 in un triangolo....
anche se è meglio seguire il consiglio di Foto UtentePietroBaima.
Avatar utente
Foto Utentelillo
20,5k 7 12 13
G.Master EY
G.Master EY
 
Messaggi: 4176
Iscritto il: 25 nov 2010, 11:30
Località: Nuovo Mondo

0
voti

[40] Re: Equivalente di Thevenin

Messaggioda Foto UtenteVicar1992 » 24 ott 2012, 11:20

Okok, l'importante è sapere cosa bisogna fare. La trasformazione stella-triangolo la so fare.
Intanto aspetto Pietro per parlare di Tensioni.

grazie ragazzi!
Avatar utente
Foto UtenteVicar1992
37 4
New entry
New entry
 
Messaggi: 81
Iscritto il: 23 ott 2012, 17:28

PrecedenteProssimo

Torna a Elettrotecnica generale

Chi c’è in linea

Visitano il forum: Nessuno e 60 ospiti