Scusa ma io ho ancora un dubbio, al quale nessuno risponde e/o collabora a chiarire ... e chiedo quindi per la terza volta,
---- >>>> ma in quel circuito magnetico toroidale ci sono o non ci sono flussi dispersi ?
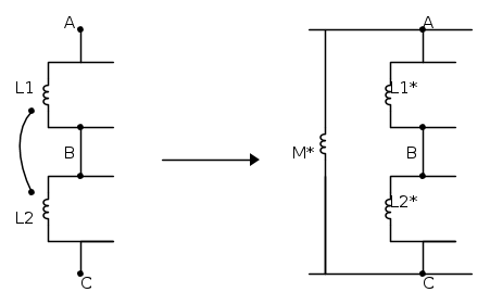
mutui accoppiamenti: trasformazione a "t" e a "pi greco"
Moderatori:
g.schgor,
IsidoroKZ
0
voti
scusa, ma mi sa che mi ero perso questa domanda.. comunque non capisco cosa intendi per "flussi dispersi", ma non credo, o per lo meno, non li ho considerati e i risultati tornano uguali a quelli del prof.!!
0
voti
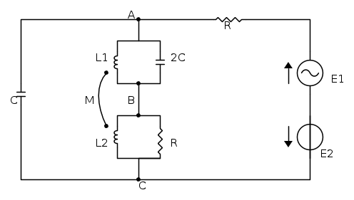
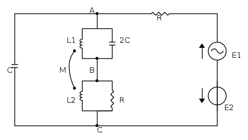
ripartiamo dal circuito elettrico equivalente:
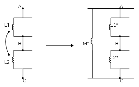
come prima cosa trasformo il mutuo accoppiamento con una trasformazione a
:
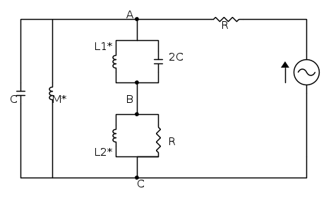
che ci permette di analizzare il seguente circuito (con il solo generatore di tensione alternata):
con i valori:



con
adesso, notando che sono presenti 2 rami LC paralleli, si calcola la frequenza di risonanza di entrambi i rami per cercare (se possibile) di semplificare ancora di più il problema:
(quindi si può affermare che il ramo
parallelo è risonante (si tratta come un ramo aperto.

FINE DELLA CORSA
secondo i miei calcoli il circuito è tutto apero
che ne dite??
come prima cosa trasformo il mutuo accoppiamento con una trasformazione a
:che ci permette di analizzare il seguente circuito (con il solo generatore di tensione alternata):
con i valori:



con

adesso, notando che sono presenti 2 rami LC paralleli, si calcola la frequenza di risonanza di entrambi i rami per cercare (se possibile) di semplificare ancora di più il problema:
(quindi si può affermare che il ramo
parallelo è risonante (si tratta come un ramo aperto.
FINE DELLA CORSA
che ne dite??
0
voti
tipu91 ha scritto:... comunque non capisco cosa intendi per "flussi dispersi", ma non credo, o per lo meno, non li ho considerati e i risultati tornano uguali a quelli del prof.!!
Non andiamo a vedere i risultati del Professore
Rigiro la domanda chiedendoti; ma se il testo non avesse fornito il coefficiente di accoppiamento k, ci sarebbe stato un modo par ricavarsi il coefficiente di mutua induzione M ?
"Il circuito ha sempre ragione" (Luigi Malesani)
0
voti
ok, forse ho capito.. non ci sono flussi dispersi, perché in caso di circuito magnetico (sopratutto con materiali con un'alta permeabilità magnetica relativa) si considera tutto il flusso convogliato nel nucleo magnetico (penso sia un'astrazione teorica valida)!! comunque quella domanda l'avrei postata a breve nel forum, perche come hai fatto notare te, non in tutti i problemi viene dato il coefficente K, quindi dove non viene dato come si procede? non saprei proprio 
0
voti
tipu91 ha scritto:ok, forse ho capito.. non ci sono flussi dispersi, perché in caso di circuito magnetico (sopratutto con materiali con un'alta permeabilità magnetica relativa) si considera tutto il flusso convogliato nel nucleo magnetico (penso sia un'astrazione teorica valida)!!
Proprio così, è un'approssimazione necessaria per non dover risolvere il problema via simulazione FEM .
tipu91 ha scritto:... comunque quella domanda l'avrei postata a breve nel forum, perche come hai fatto notare te, non in tutti i problemi viene dato il coefficente K, quindi dove non viene dato come si procede? non saprei proprio
Direi che sia sufficiente ricordare la definizione del coefficiente di mutua induzione, non credi?
"Il circuito ha sempre ragione" (Luigi Malesani)
0
voti
intendi questa:

con
e 
o meglio:
"il rapporto tra il flusso concatenato sull'avvolgimenti
dalla corrente su di un avvolgimento
e la corrente stessa quando le altre correnti sono nulle"

con
e 
o meglio:
"il rapporto tra il flusso concatenato sull'avvolgimenti
dalla corrente su di un avvolgimento
e la corrente stessa quando le altre correnti sono nulle"0
voti
tipu91 ha scritto:intendi ... "il rapporto tra il flusso concatenato sull'avvolgimentidalla corrente su di un avvolgimento
e la corrente stessa quando le altre correnti sono nulle"
Proprio questo; ... che si riesca ad applicare questa definizione al circuito magnetico del problema?
"Il circuito ha sempre ragione" (Luigi Malesani)
0
voti
eh, questa parte io non l'ho capita molto bene.. infatti in quel problema mi sono salvato perche la K era un dato, altrimenti sarebbe stato più cpmplicato!!
io penso che se il problema non specificasse il valore K, si potrebbe applicare la seguente formula:
no???
no???Torna a Elettrotecnica generale
Chi c’è in linea
Visitano il forum: Nessuno e 78 ospiti

Elettrotecnica e non solo (admin)
Un gatto tra gli elettroni (IsidoroKZ)
Esperienza e simulazioni (g.schgor)
Moleskine di un idraulico (RenzoDF)
Il Blog di ElectroYou (webmaster)
Idee microcontrollate (TardoFreak)
PICcoli grandi PICMicro (Paolino)
Il blog elettrico di carloc (carloc)
DirtEYblooog (dirtydeeds)
Di tutto... un po' (jordan20)
AK47 (lillo)
Esperienze elettroniche (marco438)
Telecomunicazioni musicali (clavicordo)
Automazione ed Elettronica (gustavo)
Direttive per la sicurezza (ErnestoCappelletti)
EYnfo dall'Alaska (mir)
Apriamo il quadro! (attilio)
H7-25 (asdf)
Passione Elettrica (massimob)
Elettroni a spasso (guidob)
Bloguerra (guerra)







