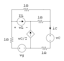
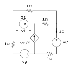
ed è entrante dal morsetto "+" del generatore
quindi dovrebbe andar bene. Per la
, invece, se la metto discorde alla corrente inserisco un meno nella colonna dei termini noti?
Moderatori:
g.schgor,
IsidoroKZ
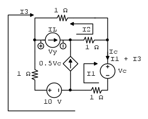
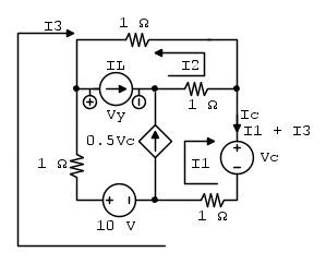
ed è entrante dal morsetto "+" del generatore
quindi dovrebbe andar bene. Per la
, invece, se la metto discorde alla corrente inserisco un meno nella colonna dei termini noti?

. Comunque, grazie fin qui delle dritte.
in termini fasoriali o devo mettere l'intero valore col coseno? Mi scuso per le domande a tempesta




MrEngineer ha scritto: ...ma quando considero il circuito resistivo associato, sono ancora in ambito fasoriale? oppure no?


MrEngineer ha scritto: ...Al generatore di tensione devo sostituirein termini fasoriali o devo mettere l'intero valore col coseno?
, sottintendendo, come per
e
, che si tratta di funzioni del tempo.
,
,







MrEngineer ha scritto:... ti chiedo se c'è un motivo particolare per cui le grandezze che stiamo andando a ricercare debbano essere funzione proprio di,
,
e
rappresentano le variabili di stato,
l'ingresso forzante del sistema.








Torna a Elettrotecnica generale
Visitano il forum: Nessuno e 86 ospiti