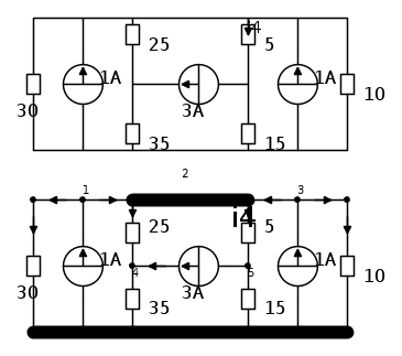
Questo è un altro esercizio che non mi riesce: Calcolrare nel circuito seguente, utilizzando il metodo dei potenziali di nodo, la corrente i4.
Io come nodi ho considerato 1,2,3,4,5 e quello in basso nodo terra. A quel punto ho segnato le correnti e ho scritto il sistema. A questo punto ho espresso le correnti come potenziale diviso resistenza ecc... Ho trovato 5 equazioni ma di queste ne ho considerate solo 3 perché le altre due erano ridondanti, visto che a me interessa solo V2. A quel punto, trovaTO V2 e V5 ho trovato anche i4=(v2-v5)/R4 ma il risultato è venuto sbagliato. Cosa sbaglio? E' un errore di calcolo o ho sbagliato a impostare il sistema, cioè ad applicare il metodo?
Qualche dubbio da chiarire!!
Moderatori:
g.schgor,
IsidoroKZ
0
voti
Ma scusa, cosa c'è da sistemare, i versi dei generatori li ho messi nel primo circuito e sono sempre uguali, non è che cambiano con il tempo. Per quanto riguarda i valori li ho allontanati un po dagli elementi ma non so come cambiarli di colore, altrimenti lo farei. Comunque il circuito mi sembra chiaro, ora non stiamo a cercare "l'ago nel pagliaio", imparerò ad usarlo meglio con il tempo. Per adesso mi serve soltanto qualche consiglio. Purtroppo non faccio elettrotecnica per passione come voi ma perché ho l'esame a breve, quindi non posso perdere molto tempo. Quando finirò l'esame magari la prenderò anche io come un hobby ed imparerò ad usare perfettamente FidoCad eccc... In effetti è bella come materia. Ma per adesso vi prego di accettare gli schemi fatti bene ma non perfettamente.
-

alexlovesusa
-21 6 - Frequentatore

- Messaggi: 159
- Iscritto il: 27 set 2010, 18:12
0
voti
Non ci sono cinque nodi, ma solo 3 con uno di riferimento (0)


"Il circuito ha sempre ragione" (Luigi Malesani)
0
voti
alexlovesusa ha scritto:.Comunque il circuito mi sembra chiaro, ora non stiamo a cercare "l'ago nel pagliaio", Per adesso mi serve soltanto .... Purtroppo non faccio elettrotecnica per passione come voi ...ma perché ho l'esame a breve, quindi non posso perdere molto tempo.
Ah ecco, è vero, non so perché si continuino a buttare gli "aghi nel pagliaio" quando si perde poi cosi' tanto tempo per andarli a cercare
Saluti
Renzo
"Il circuito ha sempre ragione" (Luigi Malesani)
0
voti
Non te la prendere, non è un disturbo, sono consigli utili. Il problema è, e tu mi puoi capire visto che hai fatto due anni di Biomedica, che quando uno ha un esame vicino e non si sente preparato, entra in confusione e se la prende per qualsiasi cosa. Ti do perfettamente ragione, un buon dsegno semplifica le cose e, visto che siete qui sia per passione ma anche per aiutare gli altri, con un circuito + chiaro potete farlo meglio. Purtroppo, per adesso, io non ho il tempo materiale per fare tutto contemporaneamente, magari appena farò l'esame e mi darò la materia sarà diverso. Per quanto riguarda l'esercizio, avevo pensato di considerare i nodi di sopra come unico nodo. La cosa che non avevo pensato è di mettere il riferimento in quel punto.
P.S. Per favore mi spieghi in poche parole come cambio il colore degli elementi del circuito? Mi aiuta a rendere le cose + chiare.
P.S. Per favore mi spieghi in poche parole come cambio il colore degli elementi del circuito? Mi aiuta a rendere le cose + chiare.
-

alexlovesusa
-21 6 - Frequentatore

- Messaggi: 159
- Iscritto il: 27 set 2010, 18:12
0
voti
alexlovesusa ha scritto:[..]come cambio il colore degli elementi del circuito?
Devi cliccare sull'elemento (le primitive: linee, testo, rettangolo,..) e scegliere il layer su cui deve stare.
Ecco un video in cui l'autore di FidoCadJ spiega l'uso dei layers
0
voti
Grazie per il video
. Io avevo scaricato FidoCad e non FidoCadJ, per questo motivo non potevo fare niente di quello che potete fare voi. Adesso mi sono aggiornato.
-

alexlovesusa
-21 6 - Frequentatore

- Messaggi: 159
- Iscritto il: 27 set 2010, 18:12
0
voti
Bravissimo!
Vedrai che se segui qualche consiglio di chi gli esami li ha già fatti prima di te e che si è fatto un'idea di come si debba studiare ed imparare, non rimpiangerai il tempo che tu chiami "perso". Magari sarai anche costretto in un bilancio successivo a riconoscere che quel "tempo perso" in realtà te ne ha fatto guadagnare molto altro.
Vedrai che se segui qualche consiglio di chi gli esami li ha già fatti prima di te e che si è fatto un'idea di come si debba studiare ed imparare, non rimpiangerai il tempo che tu chiami "perso". Magari sarai anche costretto in un bilancio successivo a riconoscere che quel "tempo perso" in realtà te ne ha fatto guadagnare molto altro.
0
voti
Certo. Una domanda: come si installa fidocadj? Non c'è l'exe. Si mettono le cartelle dentro la vecchia versione?
-

alexlovesusa
-21 6 - Frequentatore

- Messaggi: 159
- Iscritto il: 27 set 2010, 18:12
Torna a Elettrotecnica generale
Chi c’è in linea
Visitano il forum: Nessuno e 62 ospiti

Elettrotecnica e non solo (admin)
Un gatto tra gli elettroni (IsidoroKZ)
Esperienza e simulazioni (g.schgor)
Moleskine di un idraulico (RenzoDF)
Il Blog di ElectroYou (webmaster)
Idee microcontrollate (TardoFreak)
PICcoli grandi PICMicro (Paolino)
Il blog elettrico di carloc (carloc)
DirtEYblooog (dirtydeeds)
Di tutto... un po' (jordan20)
AK47 (lillo)
Esperienze elettroniche (marco438)
Telecomunicazioni musicali (clavicordo)
Automazione ed Elettronica (gustavo)
Direttive per la sicurezza (ErnestoCappelletti)
EYnfo dall'Alaska (mir)
Apriamo il quadro! (attilio)
H7-25 (asdf)
Passione Elettrica (massimob)
Elettroni a spasso (guidob)
Bloguerra (guerra)




