Calcolo resistenza equivalente
Moderatori:
g.schgor,
IsidoroKZ
0
voti
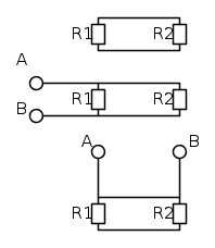
dlbp ha scritto:perché sono come voglio?? E allora perché nello schema che ho postato io R1 ed R2 non sono come voglio?
0
voti
Il Conte di Montecristo
Se non studio un giorno, me ne accorgo io. Se non studio due giorni, se ne accorge il pubblico.
Io devo studiare sodo e preparare me stesso perché prima o poi verrà il mio momento.
Abraham Lincoln
Se non studio un giorno, me ne accorgo io. Se non studio due giorni, se ne accorge il pubblico.
Io devo studiare sodo e preparare me stesso perché prima o poi verrà il mio momento.
Abraham Lincoln
-

EdmondDantes
11,9k 8 11 13 - Disattivato su sua richiesta
- Messaggi: 3619
- Iscritto il: 25 lug 2009, 22:18
- Località: Marsiglia
0
voti
Scusami
EdmondDantes se mi intrometto, ma c'è della ironia velata dietro il link del cubismo che hai messo nel tuo ultimo post? 
Se è così non ho afferrato, se diversamente allora mi scuso.
Se è così non ho afferrato, se diversamente allora mi scuso.
0
voti
Nel tuo circuito, il punto di vista è stato fissato: sono i morsetti A-B. La rete deve essere studiata da quei morsetti. Tu l'hai studiata? L'elettrotecnica base non la rete...
Il Conte di Montecristo
Se non studio un giorno, me ne accorgo io. Se non studio due giorni, se ne accorge il pubblico.
Io devo studiare sodo e preparare me stesso perché prima o poi verrà il mio momento.
Abraham Lincoln
Se non studio un giorno, me ne accorgo io. Se non studio due giorni, se ne accorge il pubblico.
Io devo studiare sodo e preparare me stesso perché prima o poi verrà il mio momento.
Abraham Lincoln
-

EdmondDantes
11,9k 8 11 13 - Disattivato su sua richiesta
- Messaggi: 3619
- Iscritto il: 25 lug 2009, 22:18
- Località: Marsiglia
0
voti
Mah...basterebbe forse studiare la definizione di serie e parallelo, che è un concetto elettrico e non geometrico.
Proviamo a dire che sono collegate tra gli stessi punti, quindi alla stessa differenza di potenziale non nulla e sono per questo percorse da correnti non nulle.
Non molto bene, a quanto pare
Proviamo a dire che sono collegate tra gli stessi punti, quindi alla stessa differenza di potenziale non nulla e sono per questo percorse da correnti non nulle.
dlbp ha scritto:Certo che l'ho studiataEdmondDantes
Non molto bene, a quanto pare
0
voti
admin ha scritto:che è un concetto elettrico e non geometrico.
Il discorso sul cubismo era solo una battuta. Non voglio indurre in errore
Il Conte di Montecristo
Se non studio un giorno, me ne accorgo io. Se non studio due giorni, se ne accorge il pubblico.
Io devo studiare sodo e preparare me stesso perché prima o poi verrà il mio momento.
Abraham Lincoln
Se non studio un giorno, me ne accorgo io. Se non studio due giorni, se ne accorge il pubblico.
Io devo studiare sodo e preparare me stesso perché prima o poi verrà il mio momento.
Abraham Lincoln
-

EdmondDantes
11,9k 8 11 13 - Disattivato su sua richiesta
- Messaggi: 3619
- Iscritto il: 25 lug 2009, 22:18
- Località: Marsiglia
Torna a Elettrotecnica generale
Chi c’è in linea
Visitano il forum: Nessuno e 52 ospiti

Elettrotecnica e non solo (admin)
Un gatto tra gli elettroni (IsidoroKZ)
Esperienza e simulazioni (g.schgor)
Moleskine di un idraulico (RenzoDF)
Il Blog di ElectroYou (webmaster)
Idee microcontrollate (TardoFreak)
PICcoli grandi PICMicro (Paolino)
Il blog elettrico di carloc (carloc)
DirtEYblooog (dirtydeeds)
Di tutto... un po' (jordan20)
AK47 (lillo)
Esperienze elettroniche (marco438)
Telecomunicazioni musicali (clavicordo)
Automazione ed Elettronica (gustavo)
Direttive per la sicurezza (ErnestoCappelletti)
EYnfo dall'Alaska (mir)
Apriamo il quadro! (attilio)
H7-25 (asdf)
Passione Elettrica (massimob)
Elettroni a spasso (guidob)
Bloguerra (guerra)





