Dubbi sulla Resistenza equivalente
Moderatori:
g.schgor,
IsidoroKZ
0
voti
Effettivamente fare direttamente l'equazione incrociata è molto più semplice, grazie mille per la tempestività!
0
voti
EdmondDantes ha scritto:V. E. Galafassi, "Sopra un artificio per calcolare la resistenza totale di una rete elettrica", Il Nuovo Cimento, Vol. IV. n.3-4, pp.153-160, giugno 1947.
Grazie

⋮ƎlectroYou e ne sai di più!
0
voti
Facendo un po' di ricerca si trovano cose interessanti.
Non ho capito cosa hai scritto più sotto. Avevi intenzione di fare una citazione?
Se e' cosi' te lo sistemo io.
Non ho capito cosa hai scritto più sotto. Avevi intenzione di fare una citazione?
Se e' cosi' te lo sistemo io.
Il Conte di Montecristo
Se non studio un giorno, me ne accorgo io. Se non studio due giorni, se ne accorge il pubblico.
Io devo studiare sodo e preparare me stesso perché prima o poi verrà il mio momento.
Abraham Lincoln
Se non studio un giorno, me ne accorgo io. Se non studio due giorni, se ne accorge il pubblico.
Io devo studiare sodo e preparare me stesso perché prima o poi verrà il mio momento.
Abraham Lincoln
-

EdmondDantes
11,9k 8 11 13 - Disattivato su sua richiesta
- Messaggi: 3619
- Iscritto il: 25 lug 2009, 22:18
- Località: Marsiglia
4
voti
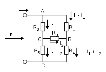
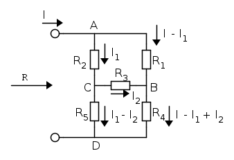
Facciamo riferimento al post 29
Dati:
,
,
,
,
.
Vogliamo calcolare la resistenza equivalente R vista dai morsetti di alimentazione, ricordando che le correnti in regime stazionario si distribuiscono in modo da minimizzare le perdite.
Conoscendo le correnti
e
e' possibile risolvere la rete in oggetto.
Le perdite sono date da:

Senza giustificare i concetti matematici (punti stazionari, matrice hessiana e cosi' via) possiamo derivare rispetto a
e
ed eguagliare a zero le due derivate parziali.
.
Il sistema di equazioni ottenuto permette di scrivere:


La tensione ai morsetti di alimentazione vale:

Dunque:

Dati:
,
,
,
,
.Vogliamo calcolare la resistenza equivalente R vista dai morsetti di alimentazione, ricordando che le correnti in regime stazionario si distribuiscono in modo da minimizzare le perdite.
Conoscendo le correnti
e
e' possibile risolvere la rete in oggetto.Le perdite sono date da:

Senza giustificare i concetti matematici (punti stazionari, matrice hessiana e cosi' via) possiamo derivare rispetto a
e
ed eguagliare a zero le due derivate parziali.
.Il sistema di equazioni ottenuto permette di scrivere:


La tensione ai morsetti di alimentazione vale:

Dunque:

Il Conte di Montecristo
Se non studio un giorno, me ne accorgo io. Se non studio due giorni, se ne accorge il pubblico.
Io devo studiare sodo e preparare me stesso perché prima o poi verrà il mio momento.
Abraham Lincoln
Se non studio un giorno, me ne accorgo io. Se non studio due giorni, se ne accorge il pubblico.
Io devo studiare sodo e preparare me stesso perché prima o poi verrà il mio momento.
Abraham Lincoln
-

EdmondDantes
11,9k 8 11 13 - Disattivato su sua richiesta
- Messaggi: 3619
- Iscritto il: 25 lug 2009, 22:18
- Località: Marsiglia
Torna a Elettrotecnica generale
Chi c’è in linea
Visitano il forum: Nessuno e 92 ospiti

Elettrotecnica e non solo (admin)
Un gatto tra gli elettroni (IsidoroKZ)
Esperienza e simulazioni (g.schgor)
Moleskine di un idraulico (RenzoDF)
Il Blog di ElectroYou (webmaster)
Idee microcontrollate (TardoFreak)
PICcoli grandi PICMicro (Paolino)
Il blog elettrico di carloc (carloc)
DirtEYblooog (dirtydeeds)
Di tutto... un po' (jordan20)
AK47 (lillo)
Esperienze elettroniche (marco438)
Telecomunicazioni musicali (clavicordo)
Automazione ed Elettronica (gustavo)
Direttive per la sicurezza (ErnestoCappelletti)
EYnfo dall'Alaska (mir)
Apriamo il quadro! (attilio)
H7-25 (asdf)
Passione Elettrica (massimob)
Elettroni a spasso (guidob)
Bloguerra (guerra)


