Cos'è ElectroYou | Login Iscriviti

ElectroYou - la comunità dei professionisti del mondo elettrico

Qualche dubbio da chiarire!!

Circuiti, campi elettromagnetici e teoria delle linee di trasmissione e distribuzione dell’energia elettrica

Moderatori: Foto Utenteg.schgor, Foto UtenteIsidoroKZ

0
voti

[61] Re: Qualche dubbio da chiarire!!

Messaggioda Foto UtenteRenzoDF » 5 ott 2010, 17:32

alexlovesusa ha scritto:Grazie mille per la risposta tempestiva. Tutto chiaro.

P.S. L'induttore l'hai tolto perché tanto la corrente che lo attraversa è la stessa della resistenza e non perché per t<0 il circuito è a regime, giusto?


NON capisco la tua domanda :roll:

Non lo ho tolto, ma semplicemente NON lo ho indicato nello schema, perché "a regime" (per t<0 ... ma anche per t-> infinito) non influenza la partizione della corrente nei due rami; ovviamente l'induttore c'è sempre, lo ho solo reso "invisibile" :!:
"Il circuito ha sempre ragione" (Luigi Malesani)
Avatar utente
Foto UtenteRenzoDF
55,9k 8 12 13
G.Master EY
G.Master EY
 
Messaggi: 13189
Iscritto il: 4 ott 2008, 9:55

0
voti

[62] Re: Qualche dubbio da chiarire!!

Messaggioda Foto Utentealexlovesusa » 5 ott 2010, 18:37

Allora il circuito è a regime sia per t<0 che per t>0 quindi lo considero come un corto circuito. Ok grazie. Ho un po di problemi a risolvere questo tipo di esercizi perché sul libro adottano il metodo sistematico, mentre il mio professore scrive l'equazione differenziale usando le leggi di Kirchhoff della tensione e poi si calcola le costanti per sostituzione delle condizioni ecc... Non adotta l'equazione già fatta. Poi quello che mi confonde è che il libro considera la tensione del condensatore nel circuito RC e la corrente nell'induttore nel circuito RL, invece lui considera la corrente in entrambi i casi e quindi le costanti gli vengono diverse. #-o un pasticcio!
Avatar utente
Foto Utentealexlovesusa
-21 6
Frequentatore
Frequentatore
 
Messaggi: 159
Iscritto il: 27 set 2010, 18:12

0
voti

[63] Re: Qualche dubbio da chiarire!!

Messaggioda Foto UtenteRenzoDF » 5 ott 2010, 18:41

alexlovesusa ha scritto:Allora il circuito è a regime sia per t<0 che per t>0 quindi lo considero come un corto circuito.


Assolutamente NO, per t>0 non è a regime :!: ... ma come fai a scrivere queste cose? :?
"Il circuito ha sempre ragione" (Luigi Malesani)
Avatar utente
Foto UtenteRenzoDF
55,9k 8 12 13
G.Master EY
G.Master EY
 
Messaggi: 13189
Iscritto il: 4 ott 2008, 9:55

0
voti

[64] Re: Qualche dubbio da chiarire!!

Messaggioda Foto Utentealexlovesusa » 5 ott 2010, 19:02

Scusa, ho scritto una cavolata. Me ne sono accorto ora.
Avatar utente
Foto Utentealexlovesusa
-21 6
Frequentatore
Frequentatore
 
Messaggi: 159
Iscritto il: 27 set 2010, 18:12

0
voti

[65] Re: Qualche dubbio da chiarire!!

Messaggioda Foto Utentealexlovesusa » 7 ott 2010, 17:43

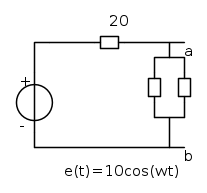
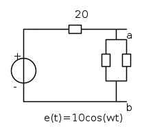
Ho provato a fare questo esercizio ma c'è qualcosa che non va perché non mi riesce :?
w=100rad/s
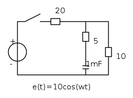
L'interruttore si chiude a t=0. Io devo trovare tau e la Vc(t) per t>0. Ho pensato di trovare subito tau chiudendo il gen. di tensione e facendo finta che l condensatore non ci sia. Per me la resistenza equivalente è 5//10 + 20. E' giusto? Tau mi viene diverso da quelloc he viene a loro.

Per t<0 il circuito è con l'interruttore aperto quindi il generatore di tensione non agisce, non circola corrente e ho pensato che la Vc(0)=0. Giusto?
Per t->oo apro il condensatore che considero a regime costante e trovo la tensione ai capi del condensatore. L'interruttore è chiuso quindi il generatore agisce. Io ridisegno il circuito in questo modo

e dopo aver trovato 5//10=3.3, trovo la tensione ai capi di ab tramite la formula del partitore e trovo 10cos(wt)*0,14=1,41cos(100t).

A questo puntoscrivo la formula finale 0-1,41cos(wt)e^(-t/tau) + 1,41(100t). A loro viene invece -1,41e^(-85,5t) + 2,17cos(100t-0,86) V. perché?
Avatar utente
Foto Utentealexlovesusa
-21 6
Frequentatore
Frequentatore
 
Messaggi: 159
Iscritto il: 27 set 2010, 18:12

0
voti

[66] Re: Qualche dubbio da chiarire!!

Messaggioda Foto UtenteRenzoDF » 7 ott 2010, 18:37

alexlovesusa ha scritto:Ho provato a fare questo esercizio ma c'è qualcosa che non va perché non mi riesce

... Per me la resistenza equivalente è 5//10 + 20. E' giusto?


Sbagliato !

... e sbagliato è anche il circuito a regime per t che tende a infinito ! :wink:
"Il circuito ha sempre ragione" (Luigi Malesani)
Avatar utente
Foto UtenteRenzoDF
55,9k 8 12 13
G.Master EY
G.Master EY
 
Messaggi: 13189
Iscritto il: 4 ott 2008, 9:55

0
voti

[67] Re: Qualche dubbio da chiarire!!

Messaggioda Foto Utentealexlovesusa » 7 ott 2010, 20:49

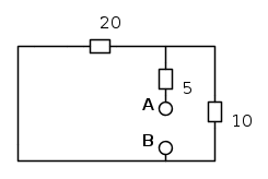
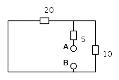
Ok. Quale è la resistenza equivalente esatta? Cosa sbaglio per t->oo? Dipende sempre dal collegamento delle resistenze?
Avatar utente
Foto Utentealexlovesusa
-21 6
Frequentatore
Frequentatore
 
Messaggi: 159
Iscritto il: 27 set 2010, 18:12

0
voti

[68] Re: Qualche dubbio da chiarire!!

Messaggioda Foto UtenteRenzoDF » 7 ott 2010, 23:39

Ti faccio solo notare che il generatore è in alternata, anche se non sembra dal simbolo :mrgreen:
"Il circuito ha sempre ragione" (Luigi Malesani)
Avatar utente
Foto UtenteRenzoDF
55,9k 8 12 13
G.Master EY
G.Master EY
 
Messaggi: 13189
Iscritto il: 4 ott 2008, 9:55

0
voti

[69] Re: Qualche dubbio da chiarire!!

Messaggioda Foto Utenteadmin » 8 ott 2010, 3:43

alexlovesusa ha scritto:Quale è la resistenza equivalente esatta?

E' laR_{AB} di questo disegno
Avatar utente
Foto Utenteadmin
196,7k 9 12 17
Manager
Manager
 
Messaggi: 11953
Iscritto il: 6 ago 2004, 13:14

0
voti

[70] Re: Qualche dubbio da chiarire!!

Messaggioda Foto Utentealexlovesusa » 8 ott 2010, 13:56

Esattamente. E' quella che ho trovato io. Almeno da questo disegno io la calcolo in questo modo 5//10 +20. Sempreè perché mi veniva diversa ho anche provato (5//10)//20 ma era diversa lo stesso. Quale è quella giusta?
Il generatore è in alternata quindi dovrei usare le impedenze ecc...?
Avatar utente
Foto Utentealexlovesusa
-21 6
Frequentatore
Frequentatore
 
Messaggi: 159
Iscritto il: 27 set 2010, 18:12

PrecedenteProssimo

Torna a Elettrotecnica generale

Chi c’è in linea

Visitano il forum: Nessuno e 41 ospiti