Equivalente di Norton
Moderatori:
g.schgor,
IsidoroKZ
0
voti
Semplicemente, è bastato che dalle equazioni scritte nel post [59] togliessi la
relativa al generatore indipendente: quindi




Quello che ora mi viene da chiederti è: questo dover spegnere i generatori indipendenti, nel momento in cui applico un generatore forzante esterno, a cosa è dovuto? Qual è la ragione per cui si procede così? Purtroppo, non vi è alcun accenno sulle dispense del mio prof, per cui sino ad ora ho preso per buona questa tua informazione ma vorrei sapere cosa c'è dietro
relativa al generatore indipendente: quindi



Quello che ora mi viene da chiederti è: questo dover spegnere i generatori indipendenti, nel momento in cui applico un generatore forzante esterno, a cosa è dovuto? Qual è la ragione per cui si procede così? Purtroppo, non vi è alcun accenno sulle dispense del mio prof, per cui sino ad ora ho preso per buona questa tua informazione ma vorrei sapere cosa c'è dietro
4
voti
andres90 ha scritto:[..]Purtroppo, non vi è alcun accenno sulle dispense del mio prof, per cui sino ad ora ho preso per buona questa tua informazione[..]
4
voti
andres90 ha scritto:... vorrei sapere cosa c'è dietro
Quando cerchi il circuito equivalente secondo Thevenin (o Norton) di una rete normale o affine o lineare che chiamar si voglia, vai a determinare la tensione a vuoto v0 e la corrente di cortocircuito icc, al fine di determinare la resistenze equivalente Req (o Geq) dal loro rapporto, e fin qui sembri essere d'accordo, mi pare.
Premesso ciò, in generale, assumendo di scegliere ai morsetti di questa black-box la convenzione degli utilizzatori, ovvero la corrente i entrante nel morsetto assunto positivo per v,
potremo scrivere

( oppure
)dalla quale si evince che detta resistenza (o conduttanza) equivalente potrebbe anche essere calcolata dal rapporto fra v ed i ai morsetti, se e solo se la tensione a vuoto (o la corrente di cortocircuito) fosse annullata, e come ben sappiamo, affinchè ciò avvenga, dobbiamo "spegnere" i generatori indipendenti che sono gli unici "responsabili" di v0 ed icc, ovvero rendere la rete inerte.
Ne segue che, una volta spenti i GIT e i GIC interni alla rete, potremo calcolare la suddetta Req (o Geq) collegando detta black-box "passivata" ad un bipolo (normale) attivo esterno ausiliario, che può essere convenientemente (ma non esclusivamente) realizzato con un semplice GIC o GIT, al fine di conoscere direttamente o la i o la v ai morsetti.
NB Come già più volte ho ricordato, la scelta può in casi particolari essere imposta dalla particolare topologia della rete, ovvero ridotta a solo uno dei due tipi di generatori a causa delle caratteristiche di contollabilità del bipolo equivalente che, anche in presenza di soli generatori controllati, può portare ad una situazione degenere nel collegamento con il mondo esterno.
Per quanto riguarda l'applicazione di Millman come soluzione alternativa al tuo sistema, lascio il compito ai numerosi giovani seguaci del grande Jacob presenti nel Forum.
BTW ... ad ogni modo, come dicono Charlie Brown e Linus, fidarsi degli idraulici è sempre e comunque molto pericoloso, io se fossi in te chiederei al professore
"Il circuito ha sempre ragione" (Luigi Malesani)
0
voti
RenzoDF ha scritto:BTW ... ad ogni modo, come dicono Charlie Brown e Linus, fidarsi degli idraulici è sempre e comunque molto pericoloso, io se fossi in te chiederei al professore![]()
lo farò, ovviamente
è che ero impaziente di conoscere questo fatto, tutto qua.0
voti
Caro
RenzoDF, voglio mettere alla prova la tua pazienza
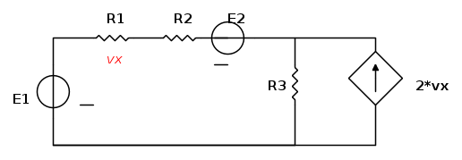
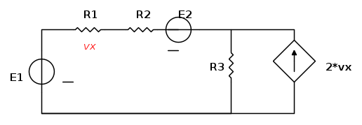
Ho rivisto un vecchio esercizio, che svolsi prima ancora di scrivere qui sul forum e di scoprire quella questione della black-box a proposito delle grandezze pilota: in particolare, ho questo circuito
i cui dati sono:
,
,
,
,
.
Dunque, io l'avevo risolto ignorando quella tua spiegazione per cui posi la
in serie con un generatore indipendente di tensione da
e applicando la LKT pervenni al valore di
; oggi ho provato a risolverlo come mi avevi suggerito tu, cioè senza applicare alcuna trasformazione e applicando la LKC e la LKT ossia


e ... pervengo allo stesso valore di
e
( in particolare,
)
Come si spiega?
i cui dati sono:
,
,
,
,
.Dunque, io l'avevo risolto ignorando quella tua spiegazione per cui posi la
in serie con un generatore indipendente di tensione da
e applicando la LKT pervenni al valore di
; oggi ho provato a risolverlo come mi avevi suggerito tu, cioè senza applicare alcuna trasformazione e applicando la LKC e la LKT ossia

e ... pervengo allo stesso valore di
e
( in particolare,
)Come si spiega?
3
voti
andres90 ha scritto:... Come si spiega?
Si spiega col fatto che non stai ricavando Thevenin, ovvero quella black-box della quale abbiamo parlato, che comunica con l'esterno solo attraverso i suoi due morsetti, ma stai solo sostituendo una sottorete contenente un generatore comandato ed un resistore con una sottorete equivalente ma sempre "comandata".
In questo caso, non facendo sparire il pilota all'interno della black-box, la sostituzione funziona ed è equivalente alla rete di partenza, ma è un'equivalenza che potremo definire "locale" in quanto strettamente legata a quella parte della rete che rimane fuori dalla black-box e che deve sempre comunicare con l'interno diciamo attraverso due virtuali morsetti addizionali.
"Il circuito ha sempre ragione" (Luigi Malesani)
0
voti
grazie ancora!
Un problema: sto provando a disegnare un circuito su FidocadJ ma non mi funziona più il comando 'ruota elemento': le ho provate tutte, persino disinstallare e reinstallare, ma niente. Ho la versione 0.24.2: come posso risolvere?
Un problema: sto provando a disegnare un circuito su FidocadJ ma non mi funziona più il comando 'ruota elemento': le ho provate tutte, persino disinstallare e reinstallare, ma niente. Ho la versione 0.24.2: come posso risolvere?

Torna a Elettrotecnica generale
Chi c’è in linea
Visitano il forum: Nessuno e 20 ospiti

Elettrotecnica e non solo (admin)
Un gatto tra gli elettroni (IsidoroKZ)
Esperienza e simulazioni (g.schgor)
Moleskine di un idraulico (RenzoDF)
Il Blog di ElectroYou (webmaster)
Idee microcontrollate (TardoFreak)
PICcoli grandi PICMicro (Paolino)
Il blog elettrico di carloc (carloc)
DirtEYblooog (dirtydeeds)
Di tutto... un po' (jordan20)
AK47 (lillo)
Esperienze elettroniche (marco438)
Telecomunicazioni musicali (clavicordo)
Automazione ed Elettronica (gustavo)
Direttive per la sicurezza (ErnestoCappelletti)
EYnfo dall'Alaska (mir)
Apriamo il quadro! (attilio)
H7-25 (asdf)
Passione Elettrica (massimob)
Elettroni a spasso (guidob)
Bloguerra (guerra)







