Equivalente di Thevenin
Moderatori:
g.schgor,
IsidoroKZ
0
voti
Aaaa certo hai ragione!! Grazie lillo per l'aiuto. Ora si ho capito perché sono in parallelo.
Ok, sono in parallelo, ma la resistenza risultante dove la posiziono?
Ok, sono in parallelo, ma la resistenza risultante dove la posiziono?
1
voti
Vicar1992 ha scritto:Aaaa certo hai ragione!! Grazie lillo per l'aiuto. Ora si ho capito perché sono in parallelo.
Ok, sono in parallelo, ma la resistenza risultante dove la posiziono?
Come ti ho detto, le prendi, le butti via, sostituisci una resistenza pari all'equivalente.
Puoi posizionarla indifferentemente dov'era una delle due prima.
Io avrei una certa tendenza a posizionarla a sinistra.
Naturalmente anche a destra non è sbagliato.
Sfrulla il circuito e postalo con fidocad, così ragioniamo su quello.
PS: Grande

-

PietroBaima
90,7k 7 12 13 - G.Master EY

- Messaggi: 12206
- Iscritto il: 12 ago 2012, 1:20
- Località: Londra
0
voti
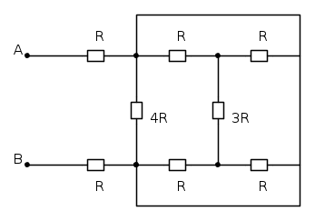
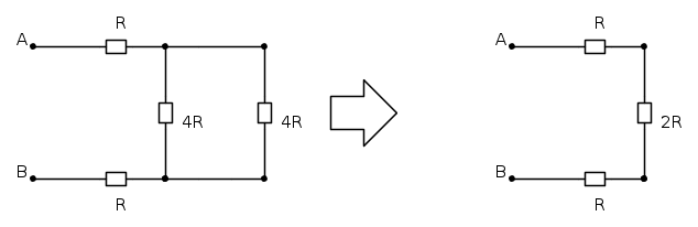
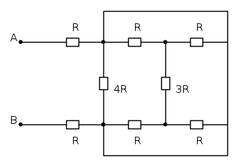
Ora siamo in questa situazione. E io vedo le due R in alto e in basso che hanno lo stesso potenziale, è corretto?
1
voti
Vicar1992 ha scritto:Ora siamo in questa situazione. E io vedo le due R in alto e in basso che hanno lo stesso potenziale, è corretto?
Bene fin qui. Adesso posta un nuovo fidocad col passo successivo. Non avere paura di fare errori. dai che ci sei quasi.
EDIT: non avevo visto il cortocircuito al fondo. E' un errore o non ti è chiaro qualcosa?
-

PietroBaima
90,7k 7 12 13 - G.Master EY

- Messaggi: 12206
- Iscritto il: 12 ago 2012, 1:20
- Località: Londra
0
voti
Si scusa non ci dovrebbe essere.
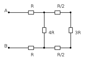
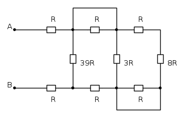
passo successivo è questo. corretto? Ora sono in serie le ultime 3 a destra e poi in parallelo 4r
passo successivo è questo. corretto? Ora sono in serie le ultime 3 a destra e poi in parallelo 4r
0
voti
Vicar1992 ha scritto:Si scusa non ci dovrebbe essere.
passo successivo è questo. corretto? Ora sono in serie le ultime 3 a destra e poi in parallelo 4r
dai, dalle il colpo di grazia.
-

PietroBaima
90,7k 7 12 13 - G.Master EY

- Messaggi: 12206
- Iscritto il: 12 ago 2012, 1:20
- Località: Londra
0
voti
1
voti
-

PietroBaima
90,7k 7 12 13 - G.Master EY

- Messaggi: 12206
- Iscritto il: 12 ago 2012, 1:20
- Località: Londra
0
voti
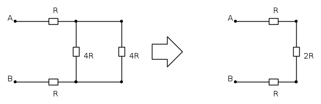
Sicuramente così, ora guardo dove c'è lo stesso potenziale per trovare eventuali resistenze in parallelo.
0
voti
La tensione ai capi delle R cortocircuitate non è 0? Non so se mi possa tornare utile però...
Torna a Elettrotecnica generale
Chi c’è in linea
Visitano il forum: Nessuno e 186 ospiti

Elettrotecnica e non solo (admin)
Un gatto tra gli elettroni (IsidoroKZ)
Esperienza e simulazioni (g.schgor)
Moleskine di un idraulico (RenzoDF)
Il Blog di ElectroYou (webmaster)
Idee microcontrollate (TardoFreak)
PICcoli grandi PICMicro (Paolino)
Il blog elettrico di carloc (carloc)
DirtEYblooog (dirtydeeds)
Di tutto... un po' (jordan20)
AK47 (lillo)
Esperienze elettroniche (marco438)
Telecomunicazioni musicali (clavicordo)
Automazione ed Elettronica (gustavo)
Direttive per la sicurezza (ErnestoCappelletti)
EYnfo dall'Alaska (mir)
Apriamo il quadro! (attilio)
H7-25 (asdf)
Passione Elettrica (massimob)
Elettroni a spasso (guidob)
Bloguerra (guerra)

pigreco]=π



