ragazzi è la prima volta che scrivo e vorrei chiedervi una mano, sono nei guai non mi riesce di risolvere alcuni esercizi che all'esame (che ho giovedì) capiteranno sicuramente...potreste darmi una mano??
ps sotto ho allegato le immagini con gli esercizi.
vi ringrazio in anticipo,
Stefano.
Edit RDF ... ri-di-men-sio-na-re !
Soluzione esercizi di elettrotecnica
Moderatori:
g.schgor,
IsidoroKZ
22 messaggi
• Pagina 1 di 3 • 1, 2, 3
0
voti
0
voti
in parallelo a c5 nel secodo file c'è un generatore di corrente is(t)...è venuto tagliato l'allegato XD
0
voti
Ciao e benvenuto nel forum,
ti do due consigli:
1. non chiedere la risoluzione di esercizi, non è lo scopo del forum.
posta il testo e la tua soluzione, o almeno un inizio...
2. possibilmente usa fidocadj per gli schemi. chi ti vorrà aiutare ne sarà facilitato.
ciao
ti do due consigli:
1. non chiedere la risoluzione di esercizi, non è lo scopo del forum.
posta il testo e la tua soluzione, o almeno un inizio...
2. possibilmente usa fidocadj per gli schemi. chi ti vorrà aiutare ne sarà facilitato.
ciao
in /dev/null no one can hear you scream
0
voti
ok scusami, era la prima volta che scrivevo...posterò al più presto il mio svolgimento e forse mi potete aiutare a capire dove ho sbagliato... grazie per il consiglio ;)
0
voti
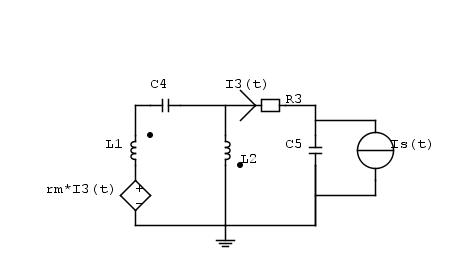
riposto il primo esercizio come richiestomi ;) esso richiede di: Calcolare I3(t).
DATI: Is(t)=I sin(wt+a), L1, L2, M. (le induttanze sono mutuamente accoppiate.
io l'ho risolto nel seguente modo: metodo delle maglie(simbolico)
II maglia: jwL2*(im2-im1)+R3*(im2)+1/jwC5*(im2-Is)
I maglia: (jwL1+jwC4)*im1+jwL2*(im1-im2)-jwM*(im2)+jwL1*(rm*im2)
ho pensato che I3=im2. voi che ne dite?
DATI: Is(t)=I sin(wt+a), L1, L2, M. (le induttanze sono mutuamente accoppiate.
io l'ho risolto nel seguente modo: metodo delle maglie(simbolico)
II maglia: jwL2*(im2-im1)+R3*(im2)+1/jwC5*(im2-Is)
I maglia: (jwL1+jwC4)*im1+jwL2*(im1-im2)-jwM*(im2)+jwL1*(rm*im2)
ho pensato che I3=im2. voi che ne dite?
- Allegati
-
- circuito 1.jpg (8.56 KiB) Osservato 2052 volte
0
voti
non postare lo schema FidoCadJ come immagine, usa il codice, ovvero seleziona lo schema copia e incolla fra i tag fcd
c'è un apposito pulsante nella barra di inserimento post
BTW per quanto riguarda le equazioni ti ricordo che la reattanza capacitiva e induttiva non hanno la stessa "forma"
... e potresti imparare ad usare un po' di codice Tex
http://www.codecogs.com/latex/eqneditor.php anche in questo caso non usare l'immagine ma il codice (fra i tag tex ... altro pulsante)!
- Codice: Seleziona tutto
[fcd] ... qui ! .... [/fcd]
c'è un apposito pulsante nella barra di inserimento post
BTW per quanto riguarda le equazioni ti ricordo che la reattanza capacitiva e induttiva non hanno la stessa "forma"
http://www.codecogs.com/latex/eqneditor.php anche in questo caso non usare l'immagine ma il codice (fra i tag tex ... altro pulsante)!
"Il circuito ha sempre ragione" (Luigi Malesani)
0
voti
0
voti
Bene, adesso prova con l'editor per le formule e postale ... correggendole, mi raccomando ! 
... io intanto ti sistemo un po' lo schema
... fatto ! ... lo riposto con le correnti di maglia
... io intanto ti sistemo un po' lo schema
"Il circuito ha sempre ragione" (Luigi Malesani)
22 messaggi
• Pagina 1 di 3 • 1, 2, 3
Torna a Elettrotecnica generale
Chi c’è in linea
Visitano il forum: Nessuno e 70 ospiti

Elettrotecnica e non solo (admin)
Un gatto tra gli elettroni (IsidoroKZ)
Esperienza e simulazioni (g.schgor)
Moleskine di un idraulico (RenzoDF)
Il Blog di ElectroYou (webmaster)
Idee microcontrollate (TardoFreak)
PICcoli grandi PICMicro (Paolino)
Il blog elettrico di carloc (carloc)
DirtEYblooog (dirtydeeds)
Di tutto... un po' (jordan20)
AK47 (lillo)
Esperienze elettroniche (marco438)
Telecomunicazioni musicali (clavicordo)
Automazione ed Elettronica (gustavo)
Direttive per la sicurezza (ErnestoCappelletti)
EYnfo dall'Alaska (mir)
Apriamo il quadro! (attilio)
H7-25 (asdf)
Passione Elettrica (massimob)
Elettroni a spasso (guidob)
Bloguerra (guerra)




