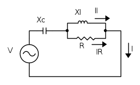
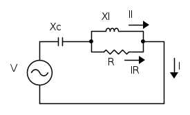
Xc=-J3 ohm
Xl=J2 ohm
R=1 ohm
semplificando il circuito , vado a trovarmi Zp=Ri X Jxl/R+JXl e mi viene un valore=4/5 + j2/5
Zeq=Xl + p=4/5-J13/5.
Come calcolare le correnti in R e Xl?come applicare il partitore di corrente?
Come rappresentare il vettore tensione e corrente?chi è in anticipo o ritardo?grazie dell'aiuto..help

Scusate la poca chiarezza.

Elettrotecnica e non solo (admin)
Un gatto tra gli elettroni (IsidoroKZ)
Esperienza e simulazioni (g.schgor)
Moleskine di un idraulico (RenzoDF)
Il Blog di ElectroYou (webmaster)
Idee microcontrollate (TardoFreak)
PICcoli grandi PICMicro (Paolino)
Il blog elettrico di carloc (carloc)
DirtEYblooog (dirtydeeds)
Di tutto... un po' (jordan20)
AK47 (lillo)
Esperienze elettroniche (marco438)
Telecomunicazioni musicali (clavicordo)
Automazione ed Elettronica (gustavo)
Direttive per la sicurezza (ErnestoCappelletti)
EYnfo dall'Alaska (mir)
Apriamo il quadro! (attilio)
H7-25 (asdf)
Passione Elettrica (massimob)
Elettroni a spasso (guidob)
Bloguerra (guerra)

