Circuito di Norton equivalente
Moderatori:
g.schgor,
IsidoroKZ
11 messaggi
• Pagina 1 di 2 • 1, 2
0
voti
Ciao a tutti. Sono di nuovo alle prese con corti, e quindi per me, problemi.
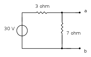
Allora devo ricavare il circuito di Norton equivalente, quindi la corrente di circuito In e la resistenza Rt .
Anzitutto vi chiedo se gli elementi del circuito sono in serie. Ai morsetti a e b la corrente è nulla, per cui non influisce sulla corrente del circuito.
Quindi, essendo un circuito seriale, la corrente i è uguale in tutto il circuito.
Applicando la LKT alla maglia si ha -30 + v1 + v2 = 0.
Sostituendo con Ohm -30 + 7i + 3i = 0
I = 3 A (I è la stessa in tutto il circuito).
Ma il ris esatto è I = 10 A.
Anche con l’analisi nodale pervengo allo stesso (errato ) risultato. Per favore sapreste dirmi dove è l’errore / gli errori nel mio ragionamento?
Grazie.
Allora devo ricavare il circuito di Norton equivalente, quindi la corrente di circuito In e la resistenza Rt .
Anzitutto vi chiedo se gli elementi del circuito sono in serie. Ai morsetti a e b la corrente è nulla, per cui non influisce sulla corrente del circuito.
Quindi, essendo un circuito seriale, la corrente i è uguale in tutto il circuito.
Applicando la LKT alla maglia si ha -30 + v1 + v2 = 0.
Sostituendo con Ohm -30 + 7i + 3i = 0
I = 3 A (I è la stessa in tutto il circuito).
Ma il ris esatto è I = 10 A.
Anche con l’analisi nodale pervengo allo stesso (errato ) risultato. Per favore sapreste dirmi dove è l’errore / gli errori nel mio ragionamento?
Grazie.
0
voti
Hai studiato il teorema in questione?
E per favore, non usare il termine seriale. In questo contesto non significa nulla.
Manca il riferimento sul generatore.
E per favore, non usare il termine seriale. In questo contesto non significa nulla.
Manca il riferimento sul generatore.
Il Conte di Montecristo
Se non studio un giorno, me ne accorgo io. Se non studio due giorni, se ne accorge il pubblico.
Io devo studiare sodo e preparare me stesso perché prima o poi verrà il mio momento.
Abraham Lincoln
Se non studio un giorno, me ne accorgo io. Se non studio due giorni, se ne accorge il pubblico.
Io devo studiare sodo e preparare me stesso perché prima o poi verrà il mio momento.
Abraham Lincoln
-

EdmondDantes
11,9k 8 11 13 - Disattivato su sua richiesta
- Messaggi: 3619
- Iscritto il: 25 lug 2009, 22:18
- Località: Marsiglia
1
voti
1. corrente di cortocircuito Icc, che calcoli cortocircuitando i morsetti a e b:
una resistenza in parallelo ad un cortocircuito "non viene considerata":
Apro una parentesi.
Una resistenza in parallelo ad un cortocircuito "non è considerata", perché ?
cito da Wikipedia: "il cortocircuito è un collegamento tra due punti del circuito di resistenza nulla".
Può essere considerato equivalente ad un resistore con valore nullo di resistenza.
Quindi andando a fare il parallelo otterresti una resistenza equivalente nulla, equivalente cioè ad un cortocircuito
ottieni:
dove la corrente di cortocircuito è (se il riferimento scelto per il generatore è quello che ho ipotizzato):
.Ultima modifica di
asdf il 21 ago 2011, 19:14, modificato 2 volte in totale.
0
voti
2. la resistenza equivalente .
La resistenza equivalente la calcoli spegnendo i generatori del circuito.
Ed è il parallelo delle due resistenze; avrà valore pari a :
.
La resistenza equivalente la calcoli spegnendo i generatori del circuito.
Ed è il parallelo delle due resistenze; avrà valore pari a :
.0
voti
@asdf, chiarissimo.
Con "Non viene considerata" intendevo che al nodo, l'apporto dal circ aperto della corrente era pari a zero.
Grazie :)
Ho un dubbio su una configurazione in cui devo calcolare una res. equivalente. Dopo lo posto, se mi dite che è il caso, in questo topic, altrimenti in uno nuovo.
Ps. Come si fa a taggare qualcuno in un post?
Con "Non viene considerata" intendevo che al nodo, l'apporto dal circ aperto della corrente era pari a zero.
Grazie :)
Ho un dubbio su una configurazione in cui devo calcolare una res. equivalente. Dopo lo posto, se mi dite che è il caso, in questo topic, altrimenti in uno nuovo.
Ps. Come si fa a taggare qualcuno in un post?
0
voti
Io sono ignorante, però l'aggettivo "seriale" affiancato alla parola circuito in elettrotecnica (nel mio corso di studi) non l'ho mai sentito.
Forse
EdmondDantes ti richiamava ad un uso non improprio di quell'aggettivo.
Magari è meglio che tu dica "circuito in cui gli elementi circuitali sono in serie" piuttosto che "circuito seriale".
Forse voleva dirti questo
EdmondDantes,
LiLywhite.
Forse
Magari è meglio che tu dica "circuito in cui gli elementi circuitali sono in serie" piuttosto che "circuito seriale".
Forse voleva dirti questo
0
voti
Sì.
Il Conte di Montecristo
Se non studio un giorno, me ne accorgo io. Se non studio due giorni, se ne accorge il pubblico.
Io devo studiare sodo e preparare me stesso perché prima o poi verrà il mio momento.
Abraham Lincoln
Se non studio un giorno, me ne accorgo io. Se non studio due giorni, se ne accorge il pubblico.
Io devo studiare sodo e preparare me stesso perché prima o poi verrà il mio momento.
Abraham Lincoln
-

EdmondDantes
11,9k 8 11 13 - Disattivato su sua richiesta
- Messaggi: 3619
- Iscritto il: 25 lug 2009, 22:18
- Località: Marsiglia
0
voti
Omicida seriale.
Resistori in serie.
Perfetto.
Quel "seriale" riferito al circuito non so da dove sia venuto
Thx
Resistori in serie.
Perfetto.
Quel "seriale" riferito al circuito non so da dove sia venuto
Thx
Ultima modifica di
LiLywhite il 23 ago 2011, 18:22, modificato 1 volta in totale.
11 messaggi
• Pagina 1 di 2 • 1, 2
Torna a Elettrotecnica generale
Chi c’è in linea
Visitano il forum: Nessuno e 28 ospiti

Elettrotecnica e non solo (admin)
Un gatto tra gli elettroni (IsidoroKZ)
Esperienza e simulazioni (g.schgor)
Moleskine di un idraulico (RenzoDF)
Il Blog di ElectroYou (webmaster)
Idee microcontrollate (TardoFreak)
PICcoli grandi PICMicro (Paolino)
Il blog elettrico di carloc (carloc)
DirtEYblooog (dirtydeeds)
Di tutto... un po' (jordan20)
AK47 (lillo)
Esperienze elettroniche (marco438)
Telecomunicazioni musicali (clavicordo)
Automazione ed Elettronica (gustavo)
Direttive per la sicurezza (ErnestoCappelletti)
EYnfo dall'Alaska (mir)
Apriamo il quadro! (attilio)
H7-25 (asdf)
Passione Elettrica (massimob)
Elettroni a spasso (guidob)
Bloguerra (guerra)







