Cos'è ElectroYou | Login Iscriviti

ElectroYou - la comunità dei professionisti del mondo elettrico

Circuito semplice con diodi

Circuiti, campi elettromagnetici e teoria delle linee di trasmissione e distribuzione dell’energia elettrica

Moderatori: Foto Utenteg.schgor, Foto UtenteIsidoroKZ

0
voti

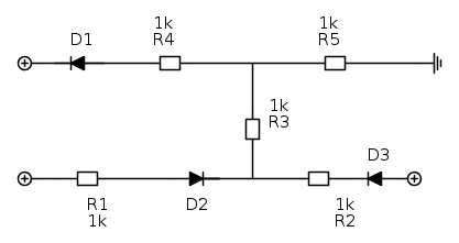
[1] Circuito semplice con diodi

Messaggioda Foto UtenteJennyJG » 4 feb 2012, 12:47

Ciao :-)
ho dei problemi con la risoluzione di alcuni circuiti, in quanto devo studiare elettrotecnica da tantissimo tempo...
Spero che ci sia qualche anima pia che possa darmi una mano :oops:

Allora, in questo circuito devo verificare che D1 è OFF mentre D2 e D3 sono ON.

Immagine

Le condizioni dovrebbero essere:
1. V(B)<5V
2. V(A)<=7V

correggetemi se sbaglio... Il problema è che non so trovare V(A) e V(B) :roll:
Avatar utente
Foto UtenteJennyJG
40 4
New entry
New entry
 
Messaggi: 61
Iscritto il: 4 feb 2012, 12:41

1
voti

[2] Re: Circuito semplice con diodi

Messaggioda Foto UtenteLele_u_biddrazzu » 4 feb 2012, 12:50

Le immagini non vanno inserite tramite server esterni :!: Prova a ridisegnare lo schema con FidocadJ (leggi il regolamento del forum) :!:
Emanuele Lorina

- Chi lotta contro i mostri deve fare attenzione a non diventare lui stesso un mostro. E se tu riguarderai a lungo in un abisso, anche l'abisso vorrà guardare dentro di te (F. Nietzsche)
- Tavole della legge by admin
Avatar utente
Foto UtenteLele_u_biddrazzu
8.154 3 8 13
Master EY
Master EY
 
Messaggi: 1288
Iscritto il: 23 gen 2007, 16:13
Località: Modena

0
voti

[3] Re: Circuito semplice con diodi

Messaggioda Foto Utenteasdf » 4 feb 2012, 12:52

Ciao Foto UtenteJennyJG e benvenuta nel forum.

Sulla scia di quanto giustamente detto da Foto UtenteLele_u_biddrazzu, ti elenco di seguito alcune semplici regole.

Come ti ha già detto, i circuiti e gli schemi vari vanno disegnati con FidoCadJ.
Per ogni informazione, dal download all'utilizzo passo-passo, ti rimando a questa semplice e chiara guida.
Inoltre posta comunque i tuoi passaggi e il tuo procedimento personale, anche se sbagliati od incompleti.
Le espressioni matematiche vanno postate usando LaTex.
Questo che ti posto di seguito è un editor esterno, in cui puoi scrivere le tue espressioni, una volta scritte le ricopi nel riquadro dove scrivi il tuo post, le selezioni e clicchi su tex:
http://www.codecogs.com/latex/eqneditor.php.

Buona permanenza nel forum e buona prosecuzione di topic.
Avatar utente
Foto Utenteasdf
25,3k 8 11 13
Master EY
Master EY
 
Messaggi: 4762
Iscritto il: 11 apr 2010, 9:19

0
voti

[4] Re: Circuito semplice con diodi

Messaggioda Foto UtenteRenzoDF » 4 feb 2012, 12:58

JennyJG ha scritto:Allora, in questo circuito devo verificare che D1 è OFF mentre D2 e D3 sono ON.

Solo due domande,
a) i quattro resistori contrassegnati con 1 sono da 1 ohm o da 1kiloohm?
b) i diodi sono ideali?
"Il circuito ha sempre ragione" (Luigi Malesani)
Avatar utente
Foto UtenteRenzoDF
55,9k 8 12 13
G.Master EY
G.Master EY
 
Messaggi: 13189
Iscritto il: 4 ott 2008, 9:55

3
voti

[5] Re: Circuito semplice con diodi

Messaggioda Foto UtenteJennyJG » 4 feb 2012, 13:32

mi scuso :oops:

ora seguendo le indicazioni vedo di aggiustare i file. Intanto rispondo a Renzo:

1) sono tutte resistenze da 1 chilo ohm
2) sono diodi ideali


per il procedimento non so proprio che fare... Thevenin? ma a quali nodi?


edit: sto provando ad aprire Fidocad ma il mio PC si oppone... comunque continuo a provare
edit:ce l'ho fatta!
Ultima modifica di Foto UtenteJennyJG il 4 feb 2012, 13:59, modificato 1 volta in totale.
Avatar utente
Foto UtenteJennyJG
40 4
New entry
New entry
 
Messaggi: 61
Iscritto il: 4 feb 2012, 12:41

1
voti

[6] Re: Circuito semplice con diodi

Messaggioda Foto UtenteDarwinNE » 4 feb 2012, 13:49

JennyJG ha scritto:edit: sto provando ad aprire Fidocad ma il mio PC si oppone... comunque continuo a provare


FidoCAD è una cosa, FidoCadJ è un'altra, sono due programmi compatibili ma leggermente diversi.
Il secondo è multipiattaforma ed è scritto in Java, quindi Java dev'essere a disposizione sul tuo computer per utilizzare FidoCadJ.
Con Windows, si può scaricare il file fidocadj.jar ed utilizzarlo senza nessuna installazione, oppure da qualche giorno abbiamo messo a disposizione un installer molto classico, che sarebbe il file FidoCadJ_v.0.23.7.exe, scaricabile gratuitamente da SourceForge:

http://sourceforge.net/projects/fidocadj/files/

Qualcuno potrebbe preferire l'installazione, molti altri amano invece il fatto che FidoCadJ possa essere usato senza installare nulla, per cui la scelta è lasciata all'utente.
Follow me on Mastodon: @davbucci@mastodon.sdf.org
Avatar utente
Foto UtenteDarwinNE
31,0k 7 11 13
G.Master EY
G.Master EY
 
Messaggi: 4420
Iscritto il: 18 apr 2010, 9:32
Località: Grenoble - France

0
voti

[7] Re: Circuito semplice con diodi

Messaggioda Foto UtenteJennyJG » 4 feb 2012, 14:07

questo è quello completo


grazie per le indicazioni!
Avatar utente
Foto UtenteJennyJG
40 4
New entry
New entry
 
Messaggi: 61
Iscritto il: 4 feb 2012, 12:41

3
voti

[8] Re: Circuito semplice con diodi

Messaggioda Foto UtenteDirtyDeeds » 4 feb 2012, 14:23

Aggiungiamo anche le tensioni ;-)



Teoricamente nei circuiti con diodi uno dovrebbe controllare tutte le possibili combinazioni diodo in conduzione/diodo interdetto, verificando quale delle soluzioni del circuito è compatibile, per tensioni e correnti, con la combinazione assunta. Con tre diodi sarebbero 8 combinazioni: non passa più. Allora uno deve farsi guidare un po' dall'istinto.

Tutti e tre interdetti non è possibile, perché i potenziali dei nodi A e B sarebbero nulli e D2 e D3 risulterebbero polarizzati direttamente (condizione incompatibile con l'interdizione). Allora puoi provare a considerare D2 e D3 in conduzione e D1 interdetto: con questa combinazione, prova a calcolarti i potenziali dei nodi A e B. Cosa ottieni?
It's a sin to write sin instead of \sin (Anonimo).
...'cos you know that cos ain't \cos, right?
You won't get a sexy tan if you write tan in lieu of \tan.
Take a log for a fireplace, but don't take log for \logarithm.
Avatar utente
Foto UtenteDirtyDeeds
55,9k 7 11 13
G.Master EY
G.Master EY
 
Messaggi: 7012
Iscritto il: 13 apr 2010, 16:13
Località: Somewhere in nowhere

0
voti

[9] Re: Circuito semplice con diodi

Messaggioda Foto UtenteGiovepluvio » 4 feb 2012, 14:26

Oppure puoi fare un po' il matematico delle barzellette ipotizzando per assurdo che tutti i diodi siano accesi... :mrgreen:



Scherzi a parte, il metodo suggerito da DirtyDeeds è ovviamente corretto. Nella risoluzione io però ero partito dall'ipotesi tutto ON :-)
Avatar utente
Foto UtenteGiovepluvio
5.978 3 6 10
G.Master EY
G.Master EY
 
Messaggi: 2947
Iscritto il: 21 dic 2010, 1:10
Località: Mantova

0
voti

[10] Re: Circuito semplice con diodi

Messaggioda Foto UtenteJennyJG » 4 feb 2012, 14:32

grazie mille :) siete davvero gentili...

Però anche io ero arrivata a considerare D2 e D3 On, mentre D1 off.
Il mio problema è che non so calcolare i potenziali dei nodi A e B :roll:
Avatar utente
Foto UtenteJennyJG
40 4
New entry
New entry
 
Messaggi: 61
Iscritto il: 4 feb 2012, 12:41

Prossimo

Torna a Elettrotecnica generale

Chi c’è in linea

Visitano il forum: Nessuno e 32 ospiti