Cos'è ElectroYou | Login Iscriviti

ElectroYou - la comunità dei professionisti del mondo elettrico

Teorema di Thevenin : esercizio

Circuiti, campi elettromagnetici e teoria delle linee di trasmissione e distribuzione dell’energia elettrica

Moderatori: Foto Utenteg.schgor, Foto UtenteIsidoroKZ

0
voti

[1] Teorema di Thevenin : esercizio

Messaggioda Foto UtenteMatty91 » 16 feb 2012, 18:16

Per favore cercate di farmi capire Thevenin...ogni volta che riprendo elettrotecnica mi blocco sempre su questo argomento !

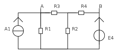
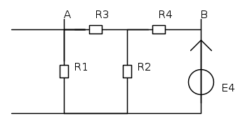
Per esempio ho il seguente circuito da risolvere con Thevenin appunto...

Ecco non so proprio da che parte sbattere la testa per trovare la tensione di Thevenin equivalente ! Il vostro aiuto mi sarebbe utilissimo così poi posso provarci con altri esercizi !

Grazie ! :(
Avatar utente
Foto UtenteMatty91
0 2
 
Messaggi: 5
Iscritto il: 16 feb 2012, 18:09

3
voti

[2] Re: Teorema di Thevenin : esercizio

Messaggioda Foto Utenteadmin » 16 feb 2012, 18:23

Quello che si capisce è che, effettivamente, non hai capito Thevenin, perché non sai nemmeno porre la domanda in modo corretto. Il che fa perfino sospettare, (ma questa è la malignità di un prof. che mi è venuto a trovare ed a cui ho appena mostrato il tuo quesito), che tu non abbia mai nemmeno letto nulla di Thevenin, oltre il titolo del paragrafo che lo tratta.
Avatar utente
Foto Utenteadmin
196,7k 9 12 17
Manager
Manager
 
Messaggi: 11953
Iscritto il: 6 ago 2004, 13:14

1
voti

[3] Re: Teorema di Thevenin : esercizio

Messaggioda Foto Utenteadmin » 16 feb 2012, 19:07

Scusa, Foto UtenteMatty91, ma non avevo visto A e B. :-|
Allora la cosa potrebbe essere meno drammatica di quanto pensasse il mio amico prof. ;-)
Ti devo però consigliare di scrivere le domande in modo più completo, oltre ad inserire chiare le indicazioni, tutte, nello schema.

Per trovare il generatore equivalente di Thevenin visto dai punti A e B, devi saper risolvere i due quesiti seguenti, in pratica calcolare le correnti I_3 ed I_4 indicate
Avatar utente
Foto Utenteadmin
196,7k 9 12 17
Manager
Manager
 
Messaggi: 11953
Iscritto il: 6 ago 2004, 13:14

0
voti

[4] Re: Teorema di Thevenin : esercizio

Messaggioda Foto UtenteMatty91 » 17 feb 2012, 11:30

La ringrazio , per prima cosa le volevo dire che io ho letto il teorema di Thevenin perché mi sto impegnando a studiare questo esame da solo senza appunti causa professore leggermente inadeguato.
Purtroppo che io non abbia compreso bene il teorema di thevenin e non riesca ad applicarlo è una cosa molto probabile !
Devo dire che fin che si richiede di trovare la resistenza equivalente riesco, ma il mio problema è la tensione di thevenin; la mia domanda (più precisa) è : quali sono i passaggi per trovare la tensione di Thevenin nel mio esercizio (ed in generale) ?

Le riporto anche i valori numerici del mio esercizio : E4=16 V , A1=2A , R1= 1 ohm , R2 = R3 = R4 = 2 ohm

Grazie
Avatar utente
Foto UtenteMatty91
0 2
 
Messaggi: 5
Iscritto il: 16 feb 2012, 18:09

0
voti

[5] Re: Teorema di Thevenin : esercizio

Messaggioda Foto Utentelillo » 17 feb 2012, 11:32

e se invece di trovare la tensione di Thevenin ti fosse stato chiesto di trovare I3 e I4, lo sapresti fare :?:
Avatar utente
Foto Utentelillo
20,5k 7 12 13
G.Master EY
G.Master EY
 
Messaggi: 4178
Iscritto il: 25 nov 2010, 11:30
Località: Nuovo Mondo

0
voti

[6] Re: Teorema di Thevenin : esercizio

Messaggioda Foto UtenteMatty91 » 17 feb 2012, 11:34

Sinceramente no...nei pochi esercizi di Thevenin che ho a disposizione utilizzano sempre il principio di sovrapposizione spegnendo prima un generatore poi l'altro e poi sommando le due tensioni trovate
Avatar utente
Foto UtenteMatty91
0 2
 
Messaggi: 5
Iscritto il: 16 feb 2012, 18:09

0
voti

[7] Re: Teorema di Thevenin : esercizio

Messaggioda Foto UtenteRenzoDF » 17 feb 2012, 11:42

Per trovare la f.e.m. del generatore equivalente non devi far altro che trovare la tensione a vuoto fra i morsetti A e B della rete, usando un qualsivoglia metodo risolutivo; nel tuo caso particolare, pero', visti anche i valori numerici dei parametri, suggerirei una sovrapposizione degli effetti per trovare non la tensione a vuoto, ma la corrente di cortocircuito fra i due morsetti, ovvero ricaverei Thevenin, "passando" da Norton.
"Il circuito ha sempre ragione" (Luigi Malesani)
Avatar utente
Foto UtenteRenzoDF
55,9k 8 12 13
G.Master EY
G.Master EY
 
Messaggi: 13189
Iscritto il: 4 ott 2008, 9:55

0
voti

[8] Re: Teorema di Thevenin : esercizio

Messaggioda Foto UtenteMatty91 » 17 feb 2012, 11:48

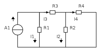
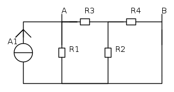
Renzo : se utilizzo la sovrapposizione degli effetti , dimmi se sbaglio , devo cortocircuitare il generatore di corrente così :



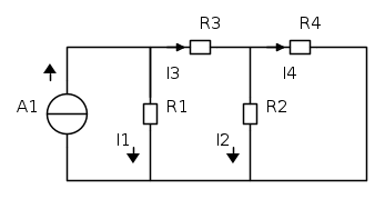
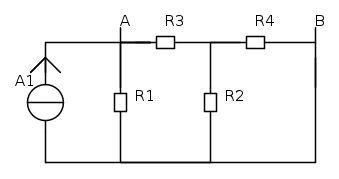
Mentre devo "aprire" il generatore di tensione , così :



Nel primo caso utilizzerei il partitore di tensione , è corretto ? (anche se non capisco con quali resistenze applicarlo) , nel secondo caso non so come agire invece.

Scusami ma questo devo risolverlo solo con Thevenin .
Avatar utente
Foto UtenteMatty91
0 2
 
Messaggi: 5
Iscritto il: 16 feb 2012, 18:09

0
voti

[9] Re: Teorema di Thevenin : esercizio

Messaggioda Foto UtenteRenzoDF » 17 feb 2012, 12:12

Matty91 ha scritto:Scusami ma questo devo risolverlo solo con Thevenin .

"Risolvere con Thevenin" viene dopo la ricerca del circuito equivalente "secondo Thevenin" e normalmente, per calcolare i due parametri caratteristici dello stesso, ovvero ETh e RTh possono essere usati anche altri metodi risolutivi; se devi risolvere solo ed esclusivamente con Thevenin allora non puoi usare nemmeno la sovrapposizione ;-)

BTW mi sa che fai un po' di confusione nello "spegnere" i generatori:
a) spegnere un gener. ideale di tensione significa sostituirlo con un cortocircuito
b) spegnere un gener. ideale di corrente significa sostituirlo con un circuito aperto
"Il circuito ha sempre ragione" (Luigi Malesani)
Avatar utente
Foto UtenteRenzoDF
55,9k 8 12 13
G.Master EY
G.Master EY
 
Messaggi: 13189
Iscritto il: 4 ott 2008, 9:55

0
voti

[10] Re: Teorema di Thevenin : esercizio

Messaggioda Foto Utentelillo » 17 feb 2012, 12:19

forse forse non è solo Thevenin il tuo problema :lol:
si, la sovrapposizione è il metodo più semplice e immediato ma non l'unico.
Hai detto che sulla resistenza equivalente non hai problemi vero?
quindi vediamo la Eth, che in buona sostanza si riduce a trovare Vab:
e sovrapposizione sia:


I_3^{\prime} =A_1\frac{R_1}{R_1+R_3+\frac{R_2R_4}{R_2+R_4}}

I_4^{\prime} =I_3^{\prime} \frac{R_2}{R_2+R_4}

E_{th}^{\prime} =R_3I_3\prime +R_4I_4^{\prime}



E_{R4}=E\frac{R_4}{R_4+\frac{(R_3+R_1)R_2}{R_3+R_1+R_2}}
Pero trovare la tensione su R3 possiamo scrivere l'equazione alla maglia e indichiamo con E0 la tensione ai capi del parallelo tra R2 e (R3+R1):
E_0=E_4-E_{R4}

E_{R3}=E_0\frac{R_3}{R_3+R_1}

E_{th}^{\prime \prime} =-(E_{R3}+E_{R4})

E_{th}=E_{th}^{\prime} +E_{th}^{\prime \prime}

Io non credo che avrei usato questo metodo ma sarei andato giu di Millman, forse mi risparmiavo qualche conto.
Avatar utente
Foto Utentelillo
20,5k 7 12 13
G.Master EY
G.Master EY
 
Messaggi: 4178
Iscritto il: 25 nov 2010, 11:30
Località: Nuovo Mondo

Prossimo

Torna a Elettrotecnica generale

Chi c’è in linea

Visitano il forum: Nessuno e 28 ospiti