Cos'è ElectroYou | Login Iscriviti

ElectroYou - la comunità dei professionisti del mondo elettrico

Resistenza equivalente

Circuiti, campi elettromagnetici e teoria delle linee di trasmissione e distribuzione dell’energia elettrica

Moderatori: Foto Utenteg.schgor, Foto UtenteIsidoroKZ

0
voti

[1] Resistenza equivalente

Messaggioda Foto UtenteAntofilo » 16 mar 2012, 21:54

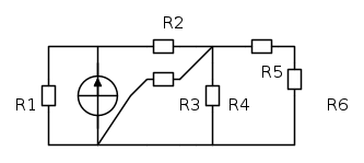
Ciao a tutti, per un esercizio mi serve trovare la R_e_q di questo circuito:



Vorrei arrivarci da solo, ma dopo aver riconosciuto la serie a dx (scusate per la fretta non ho messo i nomi ai resistori, tra un po' modifico), non riesco a trovare un modo per arrivare all'esatto valore della Resistenze equivalente; potete un attimo indirizzarmi!?

Grazie
Avatar utente
Foto UtenteAntofilo
27 4
New entry
New entry
 
Messaggi: 67
Iscritto il: 19 gen 2012, 17:39

1
voti

[2] Re: Resistenza equivalente

Messaggioda Foto Utentelillo » 16 mar 2012, 22:11

Avatar utente
Foto Utentelillo
20,5k 7 12 13
G.Master EY
G.Master EY
 
Messaggi: 4172
Iscritto il: 25 nov 2010, 11:30
Località: Nuovo Mondo

0
voti

[3] Re: Resistenza equivalente

Messaggioda Foto Utenteasdf » 16 mar 2012, 22:14

Provo a risponderti, però non faccio elettrotecnica da un bel po'.
Quindi attendi conferma da parte di utenti più qualificati di me in materia.

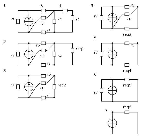
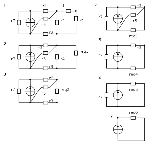
Allora partendo dalla situazione 1, che è quella tua iniziale questi sono i passi che (a mio avviso) portano al calcolo della resistenza equivalente "finale" req6:



dove :
- req1 è la serie di r1 e r2
- req2 è il parallelo tra req1 e r4
- req3 è la serie tra req2 e r3
- req4 è il parallelo tra req3 e r5
- req5 è la serie tra req4 e r6
- req6 è il parallelo tra req5 e r7
Avatar utente
Foto Utenteasdf
25,3k 8 11 13
Master EY
Master EY
 
Messaggi: 4762
Iscritto il: 11 apr 2010, 9:19

0
voti

[4] Re: Resistenza equivalente

Messaggioda Foto Utenteasdf » 16 mar 2012, 22:14

Scusate non mi ero accorto che Foto Utentelillo aveva già risposto prima di me.
Perdonatemi, ma sono un po' stanco e a quest'ora connetto poco.
Avatar utente
Foto Utenteasdf
25,3k 8 11 13
Master EY
Master EY
 
Messaggi: 4762
Iscritto il: 11 apr 2010, 9:19

0
voti

[5] Re: Resistenza equivalente

Messaggioda Foto UtenteAntofilo » 16 mar 2012, 22:22

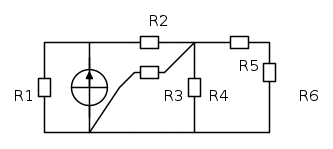
Ragazzi..scusate...ho sbagliato a disegnare su FidoCad il mio circuito. Ecco il circuito corretto..



Potete aiutarmi su questo'?!?

Grazie
Avatar utente
Foto UtenteAntofilo
27 4
New entry
New entry
 
Messaggi: 67
Iscritto il: 19 gen 2012, 17:39

1
voti

[6] Re: Resistenza equivalente

Messaggioda Foto Utenteasdf » 16 mar 2012, 22:39

Antofilo ha scritto:Potete aiutarmi su questo'?!?

Non vorrei dire delle inesattezze, ma quello "nuovo" che hai proposto non mi sembra tanto distante in termini di risoluzione da quello che hai erroneamente postato al'inizio.
Alla fine si tratterebbe di effettuare "un passaggio" in meno.

Prova ad effettuare le prime riduzioni (se non commetto errori, attendi conferma in ogni caso):
R_5 è in serie con R_6 ed ottieni R_{eq1}.
R_{eq1} è poi in parallelo con R_4 ed ottieni R_{eq2}.
R_{eq2} è poi nuovamente in parallelo con R_3 ed ottieni R_{eq3}.
R_{eq3} è in serie ad R_2 ed ottieni R_{eq4}.
R_{eq4} è in parallelo ad R_1 ed ottieni la resistenza equivalente finale.
Avatar utente
Foto Utenteasdf
25,3k 8 11 13
Master EY
Master EY
 
Messaggi: 4762
Iscritto il: 11 apr 2010, 9:19

0
voti

[7] Re: Resistenza equivalente

Messaggioda Foto UtenteAntofilo » 16 mar 2012, 22:44

il dubbio mio è che R_e_q_1 non è in parallelo con R4.

Mi sbaglierò di certo io. comunque proverò a risolvere la rete come mi hai consigliato Tu.

Grazie
Avatar utente
Foto UtenteAntofilo
27 4
New entry
New entry
 
Messaggi: 67
Iscritto il: 19 gen 2012, 17:39

0
voti

[8] Re: Resistenza equivalente

Messaggioda Foto Utenteandreacircuit » 16 mar 2012, 23:02

Scusate l'intromissione, vorrei solo ricordare che:

Il parallelo si ha quando due o più componenti hanno entrambi i terminali collegati tra loro
La serie si ha quando hannp un solo terminale è collegato tra loro
Sotto queste considerazioni si posso risolvere i circuiti RICORNDANDO che la resistenza equivalente ottenuta fa perdere informazioni sulla corrente (nel caso di parallelo) e sulla tensione( nel caso di serie)dei componenti presi in considerazione.
Avatar utente
Foto Utenteandreacircuit
125 1 9
Frequentatore
Frequentatore
 
Messaggi: 110
Iscritto il: 24 nov 2011, 20:55

0
voti

[9] Re: Resistenza equivalente

Messaggioda Foto Utenteasdf » 16 mar 2012, 23:05

Non so se ti è stata già suggerito, ma c'è questo file pdf:
http://www.elettrotecnica.unina.it/files/petrarca/upload/regime%20stazionario.pdf
in cui, all'inizio, trovi esercizi sulla serie e parallelo dei resistori: alcuni sono svolti, altri sono da svolgere ma contengono i dati e i risultati quindi puoi provare a risolverli e verificare se hai capito o meno.
Avatar utente
Foto Utenteasdf
25,3k 8 11 13
Master EY
Master EY
 
Messaggi: 4762
Iscritto il: 11 apr 2010, 9:19

0
voti

[10] Re: Resistenza equivalente

Messaggioda Foto Utenteadmin » 16 mar 2012, 23:10

Antofilo ha scritto:[..]Mi sbaglierò di certo io[..]

Proprio così
Avatar utente
Foto Utenteadmin
196,6k 9 12 17
Manager
Manager
 
Messaggi: 11950
Iscritto il: 6 ago 2004, 13:14


Torna a Elettrotecnica generale

Chi c’è in linea

Visitano il forum: Nessuno e 17 ospiti