Cos'è ElectroYou | Login Iscriviti

ElectroYou - la comunità dei professionisti del mondo elettrico

Svolgimento Rete Dinamica

Circuiti, campi elettromagnetici e teoria delle linee di trasmissione e distribuzione dell’energia elettrica

Moderatori: Foto Utenteg.schgor, Foto UtenteIsidoroKZ

0
voti

[1] Svolgimento Rete Dinamica

Messaggioda Foto Utentehanck89 » 23 lug 2012, 0:47

Salve a tutti :)

vi seguo da diverso tempo, ma ho ultimamente bisogno di un aiuto per risolvere un esercizio/dubbi vari :?

per evitare lunghe spiegazioni allego l'esercizio e la risoluzione dello stesso, ogni aiuto/consiglio/critica è ben accetto :D

O_/

Immagine

--------

Svolgimento

https://dl.dropbox.com/u/48714235/Varie/1.jpg

https://dl.dropbox.com/u/48714235/Varie/2.jpg

https://dl.dropbox.com/u/48714235/Varie/3i.jpg

https://dl.dropbox.com/u/48714235/Varie/4.jpg (non completo/errato boh?)
Avatar utente
Foto Utentehanck89
3 3
 
Messaggi: 30
Iscritto il: 23 lug 2012, 0:39

1
voti

[2] Re: Svolgimento Rete Dinamica

Messaggioda Foto UtenteTardoFreak » 23 lug 2012, 0:57

Suggerimenti:
- Disegna lo schema con fidocad
- Scrivi quello che hai fatto per risolverlo, i ragionamenti ed il punto in cui ti sei fermato senza postare immagini sopratutto caricate in server esterni.
Usa la tastiera per le descrizioni e Latex per le formule.
"La follia sta nel fare sempre la stessa cosa aspettandosi risultati diversi".
"Parla soltanto quando sei sicuro che quello che dirai è più bello del silenzio".
Rispondere è cortesia, ma lasciare l'ultima parola ai cretini è arte.
Avatar utente
Foto UtenteTardoFreak
73,9k 8 12 13
-EY Legend-
-EY Legend-
 
Messaggi: 15754
Iscritto il: 16 dic 2009, 11:10
Località: Torino - 3° pianeta del Sistema Solare

0
voti

[3] Re: Svolgimento Rete Dinamica

Messaggioda Foto Utenteadmin » 23 lug 2012, 1:03

hanck89 ha scritto:[..]vi seguo da diverso tempo...[..]

Allora dovresti esserti accorto che qui si desidera che sia l'utente ad adeguarsi alle esigenze del sito e non il viceversa.
Uso del forum
Avatar utente
Foto Utenteadmin
196,6k 9 12 17
Manager
Manager
 
Messaggi: 11950
Iscritto il: 6 ago 2004, 13:14

0
voti

[4] Re: Svolgimento Rete Dinamica

Messaggioda Foto Utentehanck89 » 23 lug 2012, 1:04

Vero, ma fino a quando non li si fa in prima persona certe cose :roll:

Rimedio in fretta

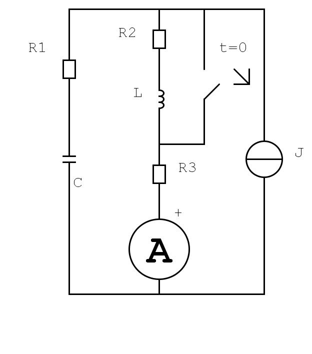
---

Troppo tardi mi sa, non posso più modificare il topic. La posto qui, se possibile unire i due topic magari?

rete.jpg
Rete
rete.jpg (23 KiB) Osservato 5210 volte
1.jpg
Prima parte
1.jpg (93.66 KiB) Osservato 5210 volte
2.jpg
Seconda parte
2.jpg (80.39 KiB) Osservato 5210 volte
Avatar utente
Foto Utentehanck89
3 3
 
Messaggi: 30
Iscritto il: 23 lug 2012, 0:39

0
voti

[5] Re: Svolgimento Rete Dinamica

Messaggioda Foto Utentehanck89 » 23 lug 2012, 1:32

3.jpg
Terza parte
3.jpg (86.33 KiB) Osservato 5208 volte


Ultima parte, errata? boh

4.jpg
Ultima parte, dubbia
4.jpg (92.71 KiB) Osservato 5210 volte
Ultima modifica di Foto Utentehanck89 il 23 lug 2012, 1:43, modificato 1 volta in totale.
Avatar utente
Foto Utentehanck89
3 3
 
Messaggi: 30
Iscritto il: 23 lug 2012, 0:39

3
voti

[6] Re: Svolgimento Rete Dinamica

Messaggioda Foto Utenteadmin » 23 lug 2012, 1:37

hanck89 ha scritto:Rimedio in fretta[..]

Troppo fretta, poco rimedio :-|
Avatar utente
Foto Utenteadmin
196,6k 9 12 17
Manager
Manager
 
Messaggi: 11950
Iscritto il: 6 ago 2004, 13:14

0
voti

[7] Re: Svolgimento Rete Dinamica

Messaggioda Foto Utentehanck89 » 23 lug 2012, 1:40

Ho usato male fidocad? :? lo conosco davvero poco
Avatar utente
Foto Utentehanck89
3 3
 
Messaggi: 30
Iscritto il: 23 lug 2012, 0:39

1
voti

[8] Re: Svolgimento Rete Dinamica

Messaggioda Foto UtenteLele_u_biddrazzu » 23 lug 2012, 1:54

Devi copiare il testo del circuito tra i tag [fcd] :!:
Le formule vanno scritte in LaTeX, non serve caricare le scansioni dei fogli con i calcoli :!:
Se segui queste semplici regole, vedrai che qualcuno ti darà una mano ;-)
Emanuele Lorina

- Chi lotta contro i mostri deve fare attenzione a non diventare lui stesso un mostro. E se tu riguarderai a lungo in un abisso, anche l'abisso vorrà guardare dentro di te (F. Nietzsche)
- Tavole della legge by admin
Avatar utente
Foto UtenteLele_u_biddrazzu
8.154 3 8 13
Master EY
Master EY
 
Messaggi: 1288
Iscritto il: 23 gen 2007, 16:13
Località: Modena

3
voti

[9] Re: Svolgimento Rete Dinamica

Messaggioda Foto UtenteRenzoDF » 23 lug 2012, 8:41

Tanto per cominciare vedo alcuni errori:

i) nel calcolo della tensione vc(0-) in quanto 3k per 30mA mi sembra faccia 90V

ii) nel calcolo di vL (secondo parte, 1.jpg):
a) sia con il solo GIT virtuale vc (che porta a una vL'=vc)
b) sia con il GIC virtuale IL dove c'è un errore di segno vL''=-iL(R1+R2+R3)

iii) non capisco poi la vostra abitudine a fare "sparire" i generatori forzanti dall'equazione differenziale; io consiglierei di lasciarli al loro posto fino alla fine.

iiii) e veniamo alle condizioni iniziali e alla misteriosa relazione

\left. \frac{\text{d}v_{C}}{\text{d}t} \right|_{t=0}=\frac{-i_{L}}{0}=0

mi chiedo:

a) da dove arriva quella relazione?
b) da dove arriva quello zero a denominatore?
c) supponendo tu abbia usato per iL la iL(0+)=iL(0-) come può quel rapporto essere pari a zero?

... se posso darti un consiglio impara a segnare i positivi e i negativi ai morsetti dei bipoli (conseguenti al verso della corrente) e a ricavarti la d.d.p. Vab con un percorso che ti porti dal morsetto b al morsetto a sommando algebricamente le tensioni trovate lungo il percorso, positive se passi dal - al +, ovvero "in salita" e negative se passi dal + al -, ovvero "in discesa".

Aggiungo solo una considerazione relativamente alle costanti di tempo che, anche per questa rete sono diverse per approssimativamente sette ordini di grandezza; intendo dire che il transitorio induttivo si esaurisce in tempi dell'ordine della decina di microsecondi, mentre quello capacitivo delle centiaia di secondi.

Sostanzialmente l'induttore dopo 10 microsecondi esaurisce la sua "influenza" sulla rete e diventa un bel cortocircuito mentre il condensatore non ha praticamente avuto "il tempo" di cambiare la tensione ai suoi morsetti dai 90 volt iniziali; la tensione fra i due nodi superiore ed inferiore possiamo quindi calcolarla con Millman

v_{ab}=\frac{30+\frac{90}{2}}{\frac{1}{2}+\frac{1}{9}}=\frac{1350}{11}\approx 123\,\text{V}

i_{L}=\frac{123}{9}=13{,}7\,\text{mA}

da questo punto in poi il ramo centrale presenta un comportamento puramente resistivo.
Ne concludo che, alle richieste del testo, possiamo rispondere con grande approssimazione considerado solo e semplicemente il transitorio capacitivo a singola costante di tempo RC ovvero trascurando completamente l'induttore

v_{C}(t)=\left[ v_{C}(0)-v_{C}(\infty ) \right]e^{-\frac{t}{RC}}+v_{C}(\infty )=-180e^{-\frac{t}{33}}+270

v_{C}(20)\approx 172\,\text{V}

e per la corrente nell'amperometro

i_{A}(t)=J-i_{C}(t)=30-\frac{9}{550}e^{-\frac{t}{33}}\ \text{mA}\quad \Rightarrow \quad i_{A}(20)\approx 21{,}1\,\text{mA}

BTW visti questi errori iniziali non ho controllato ovviamente i calcoli, ma quel valore -5548.99 è davvero "inguardabile". :-)

.
"Il circuito ha sempre ragione" (Luigi Malesani)
Avatar utente
Foto UtenteRenzoDF
55,9k 8 12 13
G.Master EY
G.Master EY
 
Messaggi: 13189
Iscritto il: 4 ott 2008, 9:55

0
voti

[10] Re: Svolgimento Rete Dinamica

Messaggioda Foto Utentehanck89 » 23 lug 2012, 12:43

Lele_u_biddrazzu ha scritto:Devi copiare il testo del circuito tra i tag [fcd] :!:
Le formule vanno scritte in LaTeX, non serve caricare le scansioni dei fogli con i calcoli :!:
Se segui queste semplici regole, vedrai che qualcuno ti darà una mano ;-)

Non me ne vogliate ragazzi, sto imparando, faccio del mio meglio

RenzoDF ha scritto:i) nel calcolo della tensione vc(0-) in quanto 3k per 30mA mi sembra faccia 90V

Vero, banale errore di calcolo

RenzoDF ha scritto:ii) nel calcolo di vL (secondo parte, 1.jpg):
a) sia con il solo GIT virtuale vc (che porta a una vL'=vc)
b) sia con il GIC virtuale IL dove c'è un errore di segno vL''=-iL(R1+R2+R3)

a) Quindi il fatto che la rete sia aperta non vuol dire nulla? avrò comunque VL=VC?
b) esatto, tensione nel verso opposto quindi vL''=-iL(R1+R2+R3)

RenzoDF ha scritto:iii) non capisco poi la vostra abitudine a fare "sparire" i generatori forzanti dall'equazione differenziale; io consiglierei di lasciarli al loro posto fino alla fine.

Diciamo che "dovrebbe" velocizzare i calcoli, quindi li elimino prima.

RenzoDF ha scritto:iiii) e veniamo alle condizioni iniziali e alla misteriosa relazione

\left. \frac{\text{d}v_{C}}{\text{d}t} \right|_{t=0}=\frac{-i_{L}}{0}=0

mi chiedo:

a) da dove arriva quella relazione?

a) deriva dal sistema di equazioni della parte precedente

RenzoDF ha scritto:b) da dove arriva quello zero a denominatore?

Mi sa che doveva essere IL/C ma dal momento che IL=0 il risultato dovrebbe essere giusto?

RenzoDF ha scritto:c) supponendo tu abbia usato per iL la iL(0+)=iL(0-) come può quel rapporto essere pari a zero?

perché dai calcoli di iL(0) dovrebbe essere =0 (parte prima, se non ho sbagliato qualcosa)

RenzoDF ha scritto:... se posso darti un consiglio impara a segnare i positivi e i negativi ai morsetti dei bipoli (conseguenti al verso della corrente) e a ricavarti la d.d.p. Vab con un percorso che ti porti dal morsetto b al morsetto a sommando algebricamente le tensioni trovate lungo il percorso, positive se passi dal - al +, ovvero "in salita" e negative se passi dal + al -, ovvero "in discesa".

BTW visti questi errori iniziali non ho controllato ovviamente i calcoli, ma quel valore -5548.99 è davvero "inguardabile". :-)

.

Tutti consigli ben accetti, grazie! :ok:
Avatar utente
Foto Utentehanck89
3 3
 
Messaggi: 30
Iscritto il: 23 lug 2012, 0:39

Prossimo

Torna a Elettrotecnica generale

Chi c’è in linea

Visitano il forum: Nessuno e 28 ospiti