Cos'è ElectroYou | Login Iscriviti

ElectroYou - la comunità dei professionisti del mondo elettrico

Resistenza equivalente

Circuiti, campi elettromagnetici e teoria delle linee di trasmissione e distribuzione dell’energia elettrica

Moderatori: Foto Utenteg.schgor, Foto UtenteIsidoroKZ

4
voti

[1] Resistenza equivalente

Messaggioda yavatare » 24 set 2012, 11:14

Buongiorno a tutti, in preparazione dell'esame di elettrotecnica sto svolgendo gli esercizi proposti a fine capitolo dal mio libro di testo ( "Elettrotecnica" Allan R. Hambley) e sto integrando lo studio del mio testo ed ovviamente degli appunti del corso, con il corso proposto da Foto Utenteadmin http://www.electroyou.it/vis_resource.php?section=Corso&id=1.
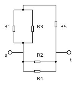
Detto ciò stamattina mi sono imbattuto nel seguente circuito:



dove per esso era richiesto di individuare la resistenza equivalente vista dai terminali a e b.

Dopo aver letto la teoria dal mio testo ed il seguente capitolo del corso di admin http://www.electroyou.it/vis_resource.php?section=ArtCorso&id=8 sono arrivato al seguente risultato:



ovvero:

1) R1 parallelo ad R2
2) R3 parallelo ad R4
3) I due paralleli sono in serie tra loro

Fatto ciò ,siccome con il risultato numerico finale del libro mi trovo, ma questo non significa che l'esercizio sia svolto correttamente, vorrei chiedervi se il tutto è svolto correttamente ( compreso il secondo circuito equivalente) o qualcosa non quadra?

Vi ringrazio per l'eventuale aiuto.

O_/

PS: Scusate per gli schemi è la prima volta che uso tale programma.
yavatare
327 2 4 5
---
 

4
voti

[2] Re: Resistenza equivalente

Messaggioda Foto Utentelillo » 24 set 2012, 11:44

è giusto :ok:
Scusate per gli schemi è la prima volta che uso tale programma.

c'è abbastanza dignità nei tuoi schemi da poterti risparmiare le scuse :mrgreen:
Avatar utente
Foto Utentelillo
20,5k 7 12 13
G.Master EY
G.Master EY
 
Messaggi: 4178
Iscritto il: 25 nov 2010, 11:30
Località: Nuovo Mondo

0
voti

[3] Re: Resistenza equivalente

Messaggioda yavatare » 24 set 2012, 11:49

lillo ha scritto:è giusto :ok:


Ah ok, grazie mille per la tua conferma che mi rassicura sull'andamento di questa mattina di studio, anche se adesso mi sono imbattuto in un esercizio più difficile del precedente che mi sta mettendo un po' in crisi :cry: , vabbè adesso ci ragiono un po' e poi casomai ne approfitto nuovamente della tua disponibilità :oops:

O_/
yavatare
327 2 4 5
---
 

0
voti

[4] Re: Resistenza equivalente

Messaggioda yavatare » 24 set 2012, 12:22

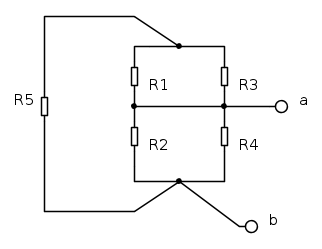
Eccomi nuovamente qui ( è l'ultimo :oops: ):



Come prima nuovamente bisogna individuare la resistenza equivalente vista dai terminali a-b.
Il circuito a cui sono arrivato è il seguente:



Ovvero:

1) Req1 = R1 parallelo ad R3
2) Req2= Req1 serie R5
3) ReqTOT = Req2 parallelo ( R2 parallelo R4 )

Il risultato finale numerico, coincide con quello riportato dal testo, però siccome ci sono tanti errori nei risultati, vi chiedo nuovamente se gentilmente potete dirmi se anche questo esercizio è corretto.

Grazie.

O_/
yavatare
327 2 4 5
---
 

2
voti

[5] Re: Resistenza equivalente

Messaggioda Foto Utentespud » 24 set 2012, 12:30

:ok:
Atlant.

Behind every great man is a woman rolling her eyes.
Avatar utente
Foto Utentespud
3.767 3 10 12
free expert
 
Messaggi: 1601
Iscritto il: 1 feb 2012, 14:26
Località: Udine

2
voti

[6] Re: Resistenza equivalente

Messaggioda yavatare » 24 set 2012, 12:47

spud ha scritto::ok:


Grazie per la risposta :D

O_/
yavatare
327 2 4 5
---
 


Torna a Elettrotecnica generale

Chi c’è in linea

Visitano il forum: Nessuno e 28 ospiti