Cos'è ElectroYou | Login Iscriviti

ElectroYou - la comunità dei professionisti del mondo elettrico

Un altro circuitino con Thevenin...

Circuiti, campi elettromagnetici e teoria delle linee di trasmissione e distribuzione dell’energia elettrica

Moderatori: Foto Utenteg.schgor, Foto UtenteIsidoroKZ

0
voti

[1] Un altro circuitino con Thevenin...

Messaggioda Foto Utenteludojjj » 27 nov 2012, 15:58

Ciao a tutti ragazzi...
Oggi volevo chiedervi una mano per risolvere questo circuito qui. E' molto semplice ma non riesco a risolverlo :shock: ..
Guardate i miei ragionamenti....
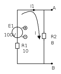
Eccoi il circuito



Le mie incognite erano...Apllicando Thevenin trovare il valore dell I3. Successavimente trova la Vab e calcola I1 e I2.
Per prima cosa ho calcolato la Req staccando il ramo su cui voglio calcolare l'incognita e rendendo passiva la rete:


Req = (R1R2)/(R1+R2)= 180/18= 4.444 ohm

Adesso calcolo la Eeq. staccando solo il ramo sul quale voglio calcolare l'incognita.
Otterrò un circuito attraversato da una corrente che ho chiamato "I" :


Per calcolare il valore della I : ----> I= E1/(R1+R2)= 5.5 A

Adesso calcolo Eeq=Vab'= R2I2 = 5.5 x 8=  44.444 V



Adesso calcolo finalmente la mai I3 facendo il circuito di Thevenin inserendo la polarità positiva del mio Eeq. vicino al morsetto A :



Calcolo la I3...... I3= (Eq +E3) / (Req. + R3) = 68.4/9.4= 7.277 A

Adesso se calcolo la Vab del mio circuito iniziale posso dire che :
Vab= R3I3 - E3 ...gisuto???

Io mi blocco qua.....se fate la verifica sul nodo A (I1 =I2 +I3) vedrete che non torna....
uffi sono demoralizzato :?
Avatar utente
Foto Utenteludojjj
3 1 3
 
Messaggi: 18
Iscritto il: 26 nov 2012, 20:05

0
voti

[2] Re: Un altro circuitino con Thevenin...

Messaggioda Foto Utentelillo » 27 nov 2012, 16:04

ludojjj ha scritto:Apllicando Thevenin trovare il valore dell I3

per forza Thevenin?
Risolvilo con Millman e vedi se trovi riscontro.
Avatar utente
Foto Utentelillo
20,5k 7 12 13
G.Master EY
G.Master EY
 
Messaggi: 4172
Iscritto il: 25 nov 2010, 11:30
Località: Nuovo Mondo

0
voti

[3] Re: Un altro circuitino con Thevenin...

Messaggioda Foto Utenteludojjj » 27 nov 2012, 16:11

Solo con Thevenin =( Ho il compito la prossima settimana......Millmann ancora nn lo abbiamo fatto :cry:
Avatar utente
Foto Utenteludojjj
3 1 3
 
Messaggi: 18
Iscritto il: 26 nov 2012, 20:05

0
voti

[4] Re: Un altro circuitino con Thevenin...

Messaggioda Foto UtenteGuerra » 27 nov 2012, 16:25

Sbagli ad applicare il teorema.
Prova a leggere questo articolo.
http://www.electroyou.it/lillo/wiki/equivalenza
"Le domande non sono mai indiscrete. Le risposte lo sono a volte"
Per qualche dollaro in più
Avatar utente
Foto UtenteGuerra
34,9k 7 11 13
G.Master EY
G.Master EY
 
Messaggi: 4790
Iscritto il: 14 apr 2010, 16:38

0
voti

[5] Re: Un altro circuitino con Thevenin...

Messaggioda Foto Utenteludojjj » 27 nov 2012, 16:46

Ciao Guerra....dove non ho applicato bene le formule?? ho letto l'argomento ma credo sempre di aver eseguito i passaggi giusti
Avatar utente
Foto Utenteludojjj
3 1 3
 
Messaggi: 18
Iscritto il: 26 nov 2012, 20:05

0
voti

[6] Re: Un altro circuitino con Thevenin...

Messaggioda Foto UtenteGuerra » 27 nov 2012, 16:54

Nel calcolo di Eeq non consideri il contributo di E3.
"Le domande non sono mai indiscrete. Le risposte lo sono a volte"
Per qualche dollaro in più
Avatar utente
Foto UtenteGuerra
34,9k 7 11 13
G.Master EY
G.Master EY
 
Messaggi: 4790
Iscritto il: 14 apr 2010, 16:38

1
voti

[7] Re: Un altro circuitino con Thevenin...

Messaggioda Foto Utentecarloc » 27 nov 2012, 19:15

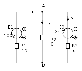
Immagine.JPG
Immagine.JPG (39.48 KiB) Osservato 4652 volte


P.S. ancora aspetto la scansione del tuo libro dell'altro thread ;-)
Se ti serve il valore di beta: hai sbagliato il progetto!
Avatar utente
Foto Utentecarloc
33,8k 6 11 13
G.Master EY
G.Master EY
 
Messaggi: 2153
Iscritto il: 7 set 2010, 19:23

0
voti

[8] Re: Un altro circuitino con Thevenin...

Messaggioda Foto Utenteludojjj » 27 nov 2012, 21:51

Carloc grazie mille...ma per scansione intendi al foto del libro sul quale è scirtto della polarità dei generatori etc etc...???
Avatar utente
Foto Utenteludojjj
3 1 3
 
Messaggi: 18
Iscritto il: 26 nov 2012, 20:05

1
voti

[9] Re: Un altro circuitino con Thevenin...

Messaggioda Foto Utentecarloc » 27 nov 2012, 21:57

Sì mi piacerebbe proprio vedere quell'amenità :mrgreen:
Se ti serve il valore di beta: hai sbagliato il progetto!
Avatar utente
Foto Utentecarloc
33,8k 6 11 13
G.Master EY
G.Master EY
 
Messaggi: 2153
Iscritto il: 7 set 2010, 19:23

0
voti

[10] Re: Un altro circuitino con Thevenin...

Messaggioda Foto UtenteGuerra » 29 nov 2012, 9:14

"Le domande non sono mai indiscrete. Le risposte lo sono a volte"
Per qualche dollaro in più
Avatar utente
Foto UtenteGuerra
34,9k 7 11 13
G.Master EY
G.Master EY
 
Messaggi: 4790
Iscritto il: 14 apr 2010, 16:38

Prossimo

Torna a Elettrotecnica generale

Chi c’è in linea

Visitano il forum: Nessuno e 72 ospiti