ciao a tutti, ho da poco incominciato a fare esercizi su reti nel dominio dei fasori quando mi sono imbattuto in due tipologie di esercizi dei quali non riesco ad intuire lo svolgimento:
1)("il più semplice")
(a)Noti |V1|=1V e |V2|=1V, determinare il valore efficace di V. (b) se i valori efficaci di V1 e V2 sono pari a Ve1=Ve2=1 V, quanto vale il valore efficace di V? Risposte:(a) Ve=1V (b) radice di 2
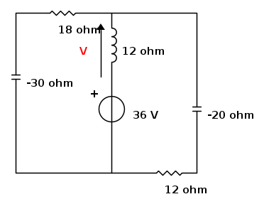
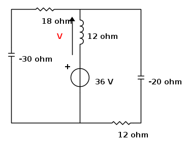
2) (di questo vorrei sapere tutti i passaggi dettagliati con il loro motivo) qui mi vengono date direttamente le impedenze e non so come fare:
Calcolare V. (Risposta: V= j60 V)
ringrazio anticipatamente chi vorrà rispondere
Esercizi reti nel dominio dei fasori
Moderatori:
g.schgor,
IsidoroKZ
14 messaggi
• Pagina 1 di 2 • 1, 2
0
voti
mattejuv ha scritto:(di questo vorrei sapere tutti i passaggi dettagliati con il loro motivo)
Da chi?
"Lo scienziato descrive ciò che esiste, l'ingegnere crea ciò che non era mai stato."
(T. von Kármán)
(T. von Kármán)
0
voti
Inizia a postare qualche passaggio tu, te lo consiglio
Te lo dico perché non avrai risposte ad una richiesta irricevibile come la tua, abbi pazienza...
Te lo dico perché non avrai risposte ad una richiesta irricevibile come la tua, abbi pazienza...
"Lo scienziato descrive ciò che esiste, l'ingegnere crea ciò che non era mai stato."
(T. von Kármán)
(T. von Kármán)
1
voti
Dovresti leggere con attenzione il libro di testo...sicuramente troverai le informazioni che cerchi!
Il primo punto richiede soltanto di applicare il teorema di Pitagora e la definizione di valore efficace di una grandezza sinusoidale, il secondo invece si può agevolmente risolvere con Millman o con il metodo della falsa posizione
Il primo punto richiede soltanto di applicare il teorema di Pitagora e la definizione di valore efficace di una grandezza sinusoidale, il secondo invece si può agevolmente risolvere con Millman o con il metodo della falsa posizione
Emanuele Lorina
- Chi lotta contro i mostri deve fare attenzione a non diventare lui stesso un mostro. E se tu riguarderai a lungo in un abisso, anche l'abisso vorrà guardare dentro di te (F. Nietzsche)
- Tavole della legge by admin
- Chi lotta contro i mostri deve fare attenzione a non diventare lui stesso un mostro. E se tu riguarderai a lungo in un abisso, anche l'abisso vorrà guardare dentro di te (F. Nietzsche)
- Tavole della legge by admin
-

Lele_u_biddrazzu
8.154 3 8 13 - Master EY

- Messaggi: 1288
- Iscritto il: 23 gen 2007, 16:13
- Località: Modena
3
voti
Dopo aver interpretato la, per me, inusuale simbologia usata dal testo per distinguere valori massimi e valori efficaci....

-----
Lo svolgimento del secondo esercizio è a pagamento.

-----
Lo svolgimento del secondo esercizio è a pagamento.
1
voti
grazie per il primo esercizio
. Per il secondo il dubbio che ho è: perché le impedenze dei condensatori e degli induttori mi vengono indicate come reali? non dovrebbero essere immaginarie? ho fatto i calcoli utilizzando Millman e le impedenze date dal testo e mi viene naturalmente un risultato reale (60 V, essendo tutti i termini reali
) mentre il risultato dato dal testo è 60j, un risultato immaginario...qualcuno potrebbe spiegarmi perché? come lo svolgereste questo esercizio? 
) mentre il risultato dato dal testo è 60j, un risultato immaginario...qualcuno potrebbe spiegarmi perché? come lo svolgereste questo esercizio? 
0
voti
mattejuv ha scritto:grazie per il primo esercizio. Per il secondo il dubbio che ho è: perché le impedenze dei condensatori e degli induttori mi vengono indicate come reali? non dovrebbero essere immaginarie?
Sono indicate le reattanze, che sono la parte immaginaria del numero complesso che rappresenta l'impedenza serie del bipolo.
ho fatto i calcoli utilizzando Millman e le impedenze date dal testo
da un sondaggio svolto inter nos, è risultato che molti sarebbero curiosi di vedere che calcoli hai fatto
e mi viene naturalmente un risultato reale (60 V, essendo tutti i termini reali) mentre il risultato dato dal testo è 60j, un risultato immaginario...
Be', se il tuo è reale e quello del libro immaginario, meglio no ?
qualcuno potrebbe spiegarmi perché?
Ci provo io: forse dovresti studiare come si utilizzano i numeri complessi nei circuiti in corrente alternata sinuosidale
come lo svolgereste questo esercizio?
Applicando Millman ed utilizzando correttamente i numeri complessi, come già ti ha suggerito
----
Se lo vuoi svolto e basta, ricordati che prima devi mandare la notifica del bonifico
14 messaggi
• Pagina 1 di 2 • 1, 2
Torna a Elettrotecnica generale
Chi c’è in linea
Visitano il forum: Nessuno e 15 ospiti

Elettrotecnica e non solo (admin)
Un gatto tra gli elettroni (IsidoroKZ)
Esperienza e simulazioni (g.schgor)
Moleskine di un idraulico (RenzoDF)
Il Blog di ElectroYou (webmaster)
Idee microcontrollate (TardoFreak)
PICcoli grandi PICMicro (Paolino)
Il blog elettrico di carloc (carloc)
DirtEYblooog (dirtydeeds)
Di tutto... un po' (jordan20)
AK47 (lillo)
Esperienze elettroniche (marco438)
Telecomunicazioni musicali (clavicordo)
Automazione ed Elettronica (gustavo)
Direttive per la sicurezza (ErnestoCappelletti)
EYnfo dall'Alaska (mir)
Apriamo il quadro! (attilio)
H7-25 (asdf)
Passione Elettrica (massimob)
Elettroni a spasso (guidob)
Bloguerra (guerra)






