Cos'è ElectroYou | Login Iscriviti

ElectroYou - la comunità dei professionisti del mondo elettrico

Potenza Reattiva in un condensatore.

Circuiti, campi elettromagnetici e teoria delle linee di trasmissione e distribuzione dell’energia elettrica

Moderatori: Foto Utenteg.schgor, Foto UtenteIsidoroKZ

0
voti

[1] Potenza Reattiva in un condensatore.

Messaggioda Foto UtenteCesc99 » 20 dic 2014, 21:08

Salve a tutti,questo dovrebbe essere il mio primo post nel forum,quindi mi scuso per eventuali errori o imprecisioni,spero possiate perdonarmi =) Arrivo al dunque. Stavo svolgendo un esercizio dove mi veniva chiesto di calcolare la potenza assorbita dal condensatore. la formula con cui viene risolto l'esercizio è la seguente Qc = Im(-jwCV^2) tale formula come è dimostrabile e come si usa? L'altra domanda è riguarda sempre la potenza Qc in un condensatore.Ho calcolato la corrente che attraversa il condensatore che è risultata essere pari in modulo a 31,4 e in fase a -80,9° , di conseguenza ho applicando la formula Qc=XcI^2 quindi ho fatto 31,4*cos(-80,9) elevando il risultato di questo prodotto al quadrato,mentre l'eserciziario ha usato solamente il modulo del numero complesso,commettendo,a mio avviso,un errore. Qualcuno può ricondurmi sulla retta via? =)
Avatar utente
Foto UtenteCesc99
10 4
 
Messaggi: 44
Iscritto il: 10 nov 2014, 12:03

1
voti

[2] Re: Potenza Reattiva in un condensatore.

Messaggioda Foto Utenteg.schgor » 20 dic 2014, 23:13

Dove hai trovato quella formula della potenza reattiva?
Q= Xc \cdot I^{2}=\frac{V^{2}}{Xc}

ma poiché Xc=\frac{-1}{\omega \cdot C} si ha anche

Q=-\omega \cdot C \cdot V^{2}

Per il resto devi dare i dati del problema
(non solo la tua soluzione...)
Avatar utente
Foto Utenteg.schgor
57,8k 9 12 13
G.Master EY
G.Master EY
 
Messaggi: 16971
Iscritto il: 25 ott 2005, 9:58
Località: MILANO

1
voti

[3] Re: Potenza Reattiva in un condensatore.

Messaggioda Foto Utentenunziato » 21 dic 2014, 1:44

Riordinando quanto hai scritto
Cesc99 ha scritto:... applicando la formula Qc=Xc \ I^2 ...
... la corrente che attraversa il condensatore che è risultata essere pari in modulo a 31,4 A e in fase a -80,9° ...
... quindi ho fatto 31,4*cos(-80,9) elevando il risultato di questo prodotto al quadrato...

Fornendo i dati del problema è possibile essere più precisi ma:
a) la formula che vuoi applicare prevere il prodotto tra la reattanza X_C e il modulo della corrente al quadrato;
b) se il modulo della corrente è 31.4 A perché lo moltiplichi per il coseno della fase della corrente stessa?
c) che fine ha fatto il valore della reattanza X_C?
d) Va usato il modulo del numero complesso che rappresenta la corrente.

Del resto se \bar{I}=[31,4 A \ \angle -80,9^o]
Si avrà: la parte reale del numero complesso che rappresenta la resistenza pari a:
I_{re}= 31,4 \cdot cos(-80,9^o)= 4,97 A
e la parte immaginaria:
I_{im}= 31,4 \cdot sen(-80,9^o)= -31 A
ovvero:
\bar{I}=4,97 \ - \ j 31 \ A
Avatar utente
Foto Utentenunziato
4.291 3 9 12
Master EY
Master EY
 
Messaggi: 531
Iscritto il: 14 dic 2012, 23:14
Località: Acri (CS) - Polistena (RC)

0
voti

[4] Re: Potenza Reattiva in un condensatore.

Messaggioda Foto UtenteCesc99 » 21 dic 2014, 11:56

Grazie delle risposte. Allora per la prima risposta sono d'accordo,sulla seconda altrettanto in quanto dovevo prendere solamente la parte immaginaria quindi moltiplicare il modulo per il seno della fase. Posto l'esercizio così proviamo a risolverlo insieme e vedere se ci sono eventuali errori? :)
Avatar utente
Foto UtenteCesc99
10 4
 
Messaggi: 44
Iscritto il: 10 nov 2014, 12:03

0
voti

[5] Re: Potenza Reattiva in un condensatore.

Messaggioda Foto Utenteg.schgor » 21 dic 2014, 14:38

dove l'hai "postato"?
Avatar utente
Foto Utenteg.schgor
57,8k 9 12 13
G.Master EY
G.Master EY
 
Messaggi: 16971
Iscritto il: 25 ott 2005, 9:58
Località: MILANO

0
voti

[6] Re: Potenza Reattiva in un condensatore.

Messaggioda Foto UtenteCesc99 » 21 dic 2014, 14:50

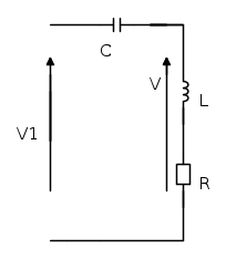
Era una domanda ^^ Allora il circuito è il seguente

R=0,5 ohm, C=30*10^-6 F, L=10H*10^-3, V=100V le richieste sono P,Q del ramo RL,Q del condensatore,poi P,Q complessiva e infine V1
Avatar utente
Foto UtenteCesc99
10 4
 
Messaggi: 44
Iscritto il: 10 nov 2014, 12:03

3
voti

[7] Re: Potenza Reattiva in un condensatore.

Messaggioda Foto Utenteg.schgor » 21 dic 2014, 17:01

Per questi calcoli io adopero Mathcad Express
(scaricabile gratuitamente).
Forum48.GIF
Forum48.GIF (13.32 KiB) Osservato 19831 volte
Avatar utente
Foto Utenteg.schgor
57,8k 9 12 13
G.Master EY
G.Master EY
 
Messaggi: 16971
Iscritto il: 25 ott 2005, 9:58
Località: MILANO

0
voti

[8] Re: Potenza Reattiva in un condensatore.

Messaggioda Foto UtenteCesc99 » 21 dic 2014, 19:36

Grazie della risposta ma sono interessato più al ragionamento e i vari passaggi che ai risultati numerici,altrimenti non avrei postato sul forum ^^
Avatar utente
Foto UtenteCesc99
10 4
 
Messaggi: 44
Iscritto il: 10 nov 2014, 12:03

0
voti

[9] Re: Potenza Reattiva in un condensatore.

Messaggioda Foto UtenteEdmondDantes » 21 dic 2014, 19:55

L'esercizio e' di tipo numerico. Riporta anche il valore della frequenza di alimentazione, il cui valore e' necessario per calcolare le reattanze.
Conosci V, quindi puoi calcolare la corrente, in modulo e fase, che circola nel circuito.
Dopo aver calcolato la corrente, sei in grado di ricavarti la potenza attiva assorbita dal resistore e la potenza reattiva dell'induttore e condensatore. Per calcolare la potenza reattiva totale, somma algebricamente le due Q calcolate.
A questo punto calcoli la tensione ai capi del condensatore (conosci Xc e corrente) e quindi, applicando la LKV, calcoli la tensione di alimentazione V1.
Il Conte di Montecristo

Se non studio un giorno, me ne accorgo io. Se non studio due giorni, se ne accorge il pubblico.

Io devo studiare sodo e preparare me stesso perché prima o poi verrà il mio momento.
Abraham Lincoln
Avatar utente
Foto UtenteEdmondDantes
11,9k 8 11 13
Disattivato su sua richiesta
 
Messaggi: 3619
Iscritto il: 25 lug 2009, 22:18
Località: Marsiglia

0
voti

[10] Re: Potenza Reattiva in un condensatore.

Messaggioda Foto Utenteg.schgor » 21 dic 2014, 19:57

Veramente avevi chiesto una verifica.
I tuoi risultati coincidono?
Se no, quali sono diversi?
Il calcolo effettuato mostra tutti i passaggi
(solo le operazione fra numeri complessi
sono eseguite automaticamente dal computer),
quindi la sequenza dei calcoli dovrebbe già costituire
la spiegazione.
Comunque dimmi cosa non ti è chiaro.
Avatar utente
Foto Utenteg.schgor
57,8k 9 12 13
G.Master EY
G.Master EY
 
Messaggi: 16971
Iscritto il: 25 ott 2005, 9:58
Località: MILANO

Prossimo

Torna a Elettrotecnica generale

Chi c’è in linea

Visitano il forum: Google [Bot] e 20 ospiti