Cos'è ElectroYou | Login Iscriviti

ElectroYou - la comunità dei professionisti del mondo elettrico

Problema con tensione in rete dinamica

Circuiti, campi elettromagnetici e teoria delle linee di trasmissione e distribuzione dell’energia elettrica

Moderatori: Foto Utenteg.schgor, Foto UtenteIsidoroKZ

0
voti

[1] Problema con tensione in rete dinamica

Messaggioda Foto UtenteGiuls91 » 4 ott 2015, 15:07

Salve a tutti.
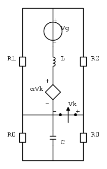
Sono in presenza di questa rete a regime costante:



in cui l'interruttore si apre per t=0.

Per le condizioni iniziali, poiché l'interruttore è chiuso, ho considerato che la tensione V_k sia uguale a zero, perché è un cortocircuito; da ciò deriva che ho cortocircuitato anche il generatore di tensione pilotato in tensione, poiché appunto la tensione che lo pilota è nulla. Giusto così?

Non ho scritto i dati dell'esercizio perché non mi interessano i calcoli ma capire piuttosto il concetto principale.

Nel momento in cui apro l'interruttore, la tensione V_k non è più nulla, per cui, il generatore pilotato, diciamo, "esiste". Ma poi per studiare la rete, ho bisogno di esprimere la tensione in funzione delle correnti di maglia, dal momento che utilizzo il metodo delle correnti di maglia, in che modo la esprimo? Va bene se utilizzo una LKT alla maglia di cui fa parte la tensione, tenuto conto ovviamente che questa non è una maglia a tutti gli effetti, ai fini dello studio della rete?

Spero di essermi spiegata bene. Grazie in anticipo :D
Avatar utente
Foto UtenteGiuls91
20 1 5
 
Messaggi: 41
Iscritto il: 22 feb 2015, 11:44

0
voti

[2] Re: Problema con tensione in rete dinamica

Messaggioda Foto Utenteg.schgor » 4 ott 2015, 20:01

In definitiva devi trovare le condizioni di L e C
prima che venga aperto l'interruttore k.
Queste "condizioni iniziali" ti permettono di studiare
il transitorio provocato dall'apertura di k.
Avatar utente
Foto Utenteg.schgor
57,8k 9 12 13
G.Master EY
G.Master EY
 
Messaggi: 16971
Iscritto il: 25 ott 2005, 9:58
Località: MILANO

0
voti

[3] Re: Problema con tensione in rete dinamica

Messaggioda Foto UtenteGiuls91 » 4 ott 2015, 22:39

g.schgor ha scritto:In definitiva devi trovare le condizioni di L e C
prima che venga aperto l'interruttore k.
Queste "condizioni iniziali" ti permettono di studiare
il transitorio provocato dall'apertura di k.


Si si, su questo ne ero sicura, non è il primo esercizio di questa tipologia che studio ;-)
Il mio dubbio nasce dalla tensione V_k che non so come esprimere in funzione delle correnti di anello, nel momento in cui l'interruttore si apre.
E nelle condizioni iniziali, visto che la tensione V_k è la tensione di un cortocircuito, quindi pari a 0, è giusto considerare nullo anche il generatore pilotato che dipende anch'esso dalla tensione in questione?
Magari così mi sono spiegata meglio :oops:
Avatar utente
Foto UtenteGiuls91
20 1 5
 
Messaggi: 41
Iscritto il: 22 feb 2015, 11:44

0
voti

[4] Re: Problema con tensione in rete dinamica

Messaggioda Foto Utenteg.schgor » 5 ott 2015, 6:27

Mi sembra evidente che Vk(0)=0,
come altrettanto evidente è che vC(0)=0.
Quindi rimane da calcolare iL(0).
Avatar utente
Foto Utenteg.schgor
57,8k 9 12 13
G.Master EY
G.Master EY
 
Messaggi: 16971
Iscritto il: 25 ott 2005, 9:58
Località: MILANO

0
voti

[5] Re: Problema con tensione in rete dinamica

Messaggioda Foto UtenteGiuls91 » 5 ott 2015, 8:26

g.schgor ha scritto:Mi sembra evidente che Vk(0)=0,
come altrettanto evidente è che vC(0)=0.
Quindi rimane da calcolare iL(0).

Benissimo, allora fin qui procedo in modo corretto.
Per quanto riguarda invece dopo, quando l'interruttore apre? Come esprimo il valore di Vk? Faccio un'equazione alla maglia?
Avatar utente
Foto UtenteGiuls91
20 1 5
 
Messaggi: 41
Iscritto il: 22 feb 2015, 11:44

0
voti

[6] Re: Problema con tensione in rete dinamica

Messaggioda Foto UtenteIsidoroKZ » 5 ott 2015, 8:44

Due o tre domande per Foto UtenteGiuls91.

Nell'incrocio evidenziato c'e` un collegamento o i due fili che si incrociano sono isolati?



La convenzione per gli incroci e` quella sulla destra. Guarda anche questo articolo

Devi trovare la soluzione nel dominio del tempo risolvendo una equazione differenziale oppure puoi passare per le trasformate di Laplace e poi antitrasformando?

Sei obbligata a usare il metodo delle maglie o puoi usare quello che ti pare?
Per usare proficuamente un simulatore, bisogna sapere molta più elettronica di lui
Plug it in - it works better!
Il 555 sta all'elettronica come Arduino all'informatica! (entrambi loro malgrado)
Se volete risposte rispondete a tutte le mie domande
Avatar utente
Foto UtenteIsidoroKZ
121,2k 1 3 8
G.Master EY
G.Master EY
 
Messaggi: 21059
Iscritto il: 17 ott 2009, 0:00

1
voti

[7] Re: Problema con tensione in rete dinamica

Messaggioda Foto Utenteg.schgor » 5 ott 2015, 8:59

Io ho dato per scontato che nell'incrocio ci sia contatto...
Avatar utente
Foto Utenteg.schgor
57,8k 9 12 13
G.Master EY
G.Master EY
 
Messaggi: 16971
Iscritto il: 25 ott 2005, 9:58
Località: MILANO

0
voti

[8] Re: Problema con tensione in rete dinamica

Messaggioda Foto UtenteIsidoroKZ » 5 ott 2015, 9:11

E` molto probabile, ma se disegnasse gli schemi correttamente sarebbe meglio :-)
Per usare proficuamente un simulatore, bisogna sapere molta più elettronica di lui
Plug it in - it works better!
Il 555 sta all'elettronica come Arduino all'informatica! (entrambi loro malgrado)
Se volete risposte rispondete a tutte le mie domande
Avatar utente
Foto UtenteIsidoroKZ
121,2k 1 3 8
G.Master EY
G.Master EY
 
Messaggi: 21059
Iscritto il: 17 ott 2009, 0:00

0
voti

[9] Re: Problema con tensione in rete dinamica

Messaggioda Foto UtenteGiuls91 » 5 ott 2015, 9:44

IsidoroKZ ha scritto:Due o tre domande per...

Nessuno mi aveva fatto notare mai questa cosa nei miei post precedenti, per cui non sapevo che si dovesse precisare un incrocio. Me ne ricorderò allora!
comunque sia è un incrocio quello lì, non sono isolati i collegamenti. Poi, la mia idea era quella di utilizzare Laplace perché mi viene più semplice in generale, ma non sono obbligata a utilizzare un metodo specifico di risoluzione.
Neanche per quanto riguarda il metodo degli anelli, posso anche usare quello dei nodi, è indifferente.
Grazie!! :)
Avatar utente
Foto UtenteGiuls91
20 1 5
 
Messaggi: 41
Iscritto il: 22 feb 2015, 11:44


Torna a Elettrotecnica generale

Chi c’è in linea

Visitano il forum: Nessuno e 97 ospiti